Цилиндрические редукторы TRC
Цилиндрические соосные редукторы типа TRC многоступенчатые – в их составе одна или несколько цилиндрических передач.
Корпус выполнен из алюминия. Съёмные лапы. Редукторы поставляются уже заполненными минеральным трансмиссионным маслом класса вязкости ISO VG 460. Подробнее о преимуществах цилиндрических редукторов ENERAL
Конструктивно редукторы являются самостоятельным узлом. Мотор-редуктор представляет собой редуктор, агрегатированный с электродвигателем. Для изменения скорости вращения выходного вала мотор-редуктор может агрегатироваться с вариатором или эксплуатироваться с преобразователем частоты.
Редукторы ENERAL типа TRC изготовлены в соответствии с ГОСТ 31592-2012. Климатическое исполнение: У, УХЛ и Т по ГОСТ 15150-69.
Гарантия - 12 месяцев с даты ввода в эксплуатацию, но не более 18 месяцев с даты продажи.
|
Варианты исполнения |
TRC | на лапах |
|---|---|---|
| TRC F | с фланцем В5 | |
| TRC Z | с фланцем В14 | |
| Габарит | 01; 02; 03; 04 | |
| Передаточное число | 3.66, …, 58.09 | |
|
Положение клеммной коробки электродвигателя |
R (0°C) | |
| B (90°C) | ||
| L (180°C) | ||
| T (270°C) | ||
| n2, 1/min |
M2, Nm |
i | К | Габарит редуктора |
Электро- двигатель |
|---|---|---|---|---|---|
| 0,12 кВт | |||||
| 26,30 | 42,00 | 53,33 | 2,90 | TRC 01 | АИС 63А4 |
| 30,50 | 36,00 | 45,89 | 3,30 | ||
| 34,90 | 32,00 | 40,10 | 3,80 | ||
| 39,50 | 28,00 | 35,47 | 4,30 | ||
| 49,10 | 22,00 | 28,50 | 5,40 | ||
| 59,40 | 18,50 | 23,56 | 6,50 | ||
| 70,60 | 15,60 | 19,83 | 7,70 | ||
| 78,40 | 14,00 | 17,86 | 7,10 | ||
| 95,80 | 11,50 | 14,62 | 10,40 | ||
| 101,00 | 10,80 | 13,80 | 9,20 | ||
| 118,00 | 9,40 | 11,90 | 12,80 | ||
| 143,00 | 7,70 | 9,81 | 13,00 | ||
| 153,00 | 7,20 | 9,17 | 11,10 | ||
| 181,00 | 6,10 | 7,72 | 13,20 | ||
| 246,00 | 4,50 | 5,69 | 13,40 | ||
| 302,00 | 3,60 | 4,63 | 16,50 | ||
| 366,00 | 3,00 | 3,82 | 20,00 | ||
| 0,18 кВт | |||||
| 16,90 | 98,00 | 53,33 | 1,20 | TRC 01 | АИС 71А6 |
| 19,60 | 84,00 | 45,89 | 1,40 | ||
| 22,40 | 74,00 | 40,10 | 1,60 | ||
| 25,40 | 65,00 | 35,47 | 1,80 | ||
| 31,60 | 52,00 | 28,50 | 2,30 | ||
| 26,30 | 63,00 | 53,33 | 1,90 | TRC 01 | АИС 63В4 |
| 30,50 | 54,00 | 45,89 | 2,20 | ||
| 34,90 | 47,00 | 40,10 | 2,50 | ||
| 39,50 | 42,00 | 35,47 | 2,90 | ||
| 49,10 | 34,00 | 28,50 | 3,60 | ||
| 59,40 | 28,00 | 23,56 | 4,30 | ||
| 70,60 | 23,00 | 19,83 | 5,10 | ||
| 78,40 | 21,00 | 17,86 | 4,80 | ||
| 95,80 | 17,20 | 14,62 | 7,00 | ||
| 101,00 | 16,30 | 13,80 | 6,10 | ||
| 118,00 | 14,00 | 11,90 | 8,60 | ||
| 143,00 | 11,60 | 9,81 | 8,60 | ||
| 153,00 | 10,80 | 9,17 | 7,40 | ||
| 181,00 | 9,10 | 7,72 | 8,80 | ||
| 246,00 | 6,70 | 5,69 | 8,90 | ||
| 302,00 | 5,50 | 4,63 | 11,00 | ||
| 366,00 | 4,50 | 3,82 | 13,30 | ||
| 16,70 | 99,00 | 54,00 | 2,00 | TRC 02 | АИС 71А6 |
| 19,40 | 85,00 | 46,46 | 2,30 | ||
| 22,20 | 74,00 | 40,60 | 2,70 | ||
| 25,10 | 66,00 | 35,91 | 3,00 | ||
| 31,20 | 53,00 | 28,88 | 3,80 | ||
| 25,90 | 64,00 | 54,00 | 3,10 | TRC 02 | АИС 63B4 |
| 30,10 | 55,00 | 46,46 | 3,70 | ||
| 34,50 | 48,00 | 40,46 | 4,20 | ||
| 0,25 кВт | |||||
| 16,90 | 136,00 | 53,33 | 0,88 | TRC 01 | АИС 71B6 |
| 19,60 | 117,00 | 45,89 | 1,00 | ||
| 22,40 | 102,00 | 40,10 | 1,20 | ||
| 25,40 | 90,00 | 35,47 | 1,30 | ||
| 31,60 | 73,00 | 28,50 | 1,70 | ||
| 26,30 | 87,00 | 53,33 | 1,40 | TRC 01 | АИС 71A4 |
| 30,50 | 75,00 | 45,89 | 1,60 | ||
| 34,90 | 66,00 | 40,10 | 1,80 | ||
| 39,50 | 58,00 | 35,47 | 2,10 | ||
| 49,10 | 47,00 | 28,50 | 2,60 | ||
| 59,40 | 39,00 | 23,56 | 3,10 | ||
| 70,60 | 32,00 | 19,83 | 3,70 | ||
| 78,40 | 29,00 | 17,86 | 3,40 | ||
| 95,80 | 24,00 | 14,62 | 5,00 | ||
| 101,00 | 23,00 | 13,80 | 4,40 | ||
| 118,00 | 19,50 | 11,90 | 6,20 | ||
| 143,00 | 16,10 | 9,81 | 6,20 | ||
| 153,00 | 15,00 | 9,17 | 5,30 | ||
| 181,00 | 12,60 | 7,72 | 6,30 | ||
| 246,00 | 9,30 | 5,69 | 6,40 | ||
| 302,00 | 7,60 | 4,63 | 7,90 | ||
| 366,00 | 6,30 | 3,82 | 9,60 | ||
| 16,70 | 138,00 | 54,00 | 1,50 | TRC 02 | АИС 71B6 |
| 19,40 | 118,00 | 46,46 | 1,70 | ||
| 22,20 | 103,00 | 40,60 | 1,90 | ||
| 25,10 | 91,00 | 35,91 | 2,20 | ||
| 31,20 | 74,00 | 28,88 | 2,70 | ||
| 25,90 | 88,00 | 54,00 | 2,30 | TRC 02 | АИС 71A4 |
| 30,10 | 76,00 | 46,46 | 2,60 | ||
| 34,50 | 66,00 | 40,60 | 3,00 | ||
| 39,00 | 59,00 | 35,91 | 3,40 | ||
| 48,50 | 47,00 | 28,88 | 4,20 | ||
| 0,37 кВт | |||||
| 22,40 | 151,00 | 40,10 | 0,79 | TRC 01 | АИС 80A6 |
| 25,40 | 134,00 | 35,47 | 0,90 | ||
| 31,60 | 107,00 | 28,50 | 1,10 | ||
| 38,20 | 89,00 | 23,56 | 1,40 | ||
| 26,30 | 129,00 | 53,33 | 0,93 | TRC 01 | АИС 71B4 |
| 30,50 | 111,00 | 45,89 | 1,10 | ||
| 34,90 | 97,00 | 40,10 | 1,20 | ||
| 39,50 | 86,00 | 35,47 | 1,40 | ||
| 49,10 | 69,00 | 28,50 | 1,70 | ||
| 59,40 | 57,00 | 23,56 | 2,10 | ||
| 70,60 | 48,00 | 19,83 | 2,50 | ||
| 78,40 | 43,00 | 17,86 | 2,30 | ||
| 95,80 | 35,00 | 14,62 | 3,40 | ||
| 101,00 | 33,00 | 13,80 | 3,00 | ||
| 118,00 | 29,00 | 11,90 | 4,20 | ||
| 143,00 | 24,00 | 9,81 | 4,20 | ||
| 153,00 | 22,00 | 9,17 | 3,60 | ||
| 181,00 | 19,00 | 7,72 | 4,30 | ||
| 246,00 | 14,00 | 5,69 | 4,40 | ||
| 302,00 | 11,00 | 4,63 | 5,30 | ||
| 366,00 | 9,00 | 3,82 | 6,50 | ||
| 16,70 | 204,00 | 54,00 | 1,00 | TRC 02 | АИС 80A6 |
| 19,40 | 175,00 | 46,46 | 1,10 | ||
| 22,20 | 153,00 | 40,60 | 1,30 | ||
| 25,10 | 135,00 | 35,91 | 1,50 | ||
| 31,20 | 109,00 | 28,88 | 1,80 | ||
| 25,90 | 131,00 | 54,00 | 1,50 | TRC 02 | АИС 71B4 |
| 30,10 | 113,00 | 46,46 | 1,80 | ||
| 34,50 | 98,00 | 40,60 | 2,00 | ||
| 39,00 | 87,00 | 35,91 | 2,30 | ||
| 48,50 | 70,00 | 28,88 | 2,90 | ||
| 58,70 | 58,00 | 23,85 | 3,50 | ||
| 81,90 | 41,00 | 17,10 | 3,90 | ||
| 24,10 | 141,00 | 58,09 | 2,10 | TRC 03 | АИС 71B4 |
| 28,00 | 121,00 | 50,02 | 2,50 | ||
| 32,00 | 106,00 | 43,75 | 2,80 | ||
| 36,10 | 94,00 | 38,73 | 3,20 | ||
| 40,40 | 84,00 | 34,62 | 3,60 | ||
| 15,50 | 219,00 | 58,09 | 1,40 | TRC 03 | АИС 80A6 |
| 18,00 | 189,00 | 50,02 | 1,60 | ||
| 20,50 | 165,00 | 43,75 | 1,80 | ||
| 23,20 | 146,00 | 38,73 | 2,10 | ||
| 26,00 | 130,00 | 34,62 | 2,30 | ||
| 31,80 | 107,00 | 28,30 | 2,80 | ||
| 41,30 | 82,00 | 21,78 | 3,40 | ||
| 0,55 кВт | |||||
| 31,60 | 160,00 | 28,50 | 0,75 | TRC 01 | АИС 80B6 |
| 38,20 | 132,00 | 23,56 | 0,91 | ||
| 45,40 | 111,00 | 19,83 | 1,10 | ||
| 34,90 | 144,00 | 40,10 | 0,80 | TRC 01 | АИС 80A4 |
| 39,50 | 128,00 | 35,47 | 0,90 | ||
| 49,10 | 103,00 | 28,50 | 1,20 | ||
| 59,40 | 85,00 | 23,56 | 1,40 | ||
| 70,60 | 71,00 | 19,83 | 1,70 | ||
| 78,40 | 64,00 | 17,86 | 1,60 | ||
| 95,80 | 53,00 | 14,62 | 2,30 | ||
| 101,00 | 50,00 | 13,80 | 2,00 | ||
| 118,00 | 43,00 | 11,90 | 2,80 | ||
| 143,00 | 35,00 | 9,81 | 2,80 | ||
| 153,00 | 33,00 | 9,17 | 2,40 | ||
| 181,00 | 28,00 | 7,72 | 2,90 | ||
| 246,00 | 20,00 | 5,69 | 2,90 | ||
| 302,00 | 17,00 | 4,63 | 3,60 | ||
| 366,00 | 14,00 | 3,82 | 4,40 | ||
| 19,40 | 260,00 | 46,46 | 0,77 | TRC 02 | АИС 80B6 |
| 22,20 | 227,00 | 40,60 | 0,88 | ||
| 25,10 | 201,00 | 35,91 | 1,00 | ||
| 31,20 | 162,00 | 28,88 | 1,20 | ||
| 37,70 | 134,00 | 23,85 | 1,50 | ||
| 25,90 | 194,00 | 54,00 | 1,00 | TRC 02 | АИС 80A4 |
| 30,10 | 167,00 | 46,46 | 1,20 | ||
| 34,50 | 146,00 | 40,60 | 1,40 | ||
| 39,00 | 129,00 | 35,91 | 1,50 | ||
| 48,50 | 104,00 | 28,88 | 1,90 | ||
| 58,70 | 86,00 | 23,85 | 2,30 | ||
| 69,70 | 72,00 | 20,08 | 2,80 | TRC 02 | АИС 80A4 |
| 81,90 | 62,00 | 17,10 | 2,60 | ||
| 94,50 | 53,00 | 14,81 | 3,70 | ||
| 15,50 | 325,00 | 58,09 | 0,92 | TRC 03 | АИС 80B6 |
| 18,00 | 280,00 | 50,02 | 1,10 | ||
| 20,60 | 245,00 | 43,75 | 1,20 | ||
| 23,20 | 217,00 | 38,73 | 1,40 | ||
| 26,00 | 194,00 | 34,62 | 1,50 | ||
| 31,80 | 159,00 | 28,30 | 1,90 | ||
| 41,30 | 122,00 | 21,78 | 2,30 | ||
| 24,10 | 209,00 | 58,09 | 1,40 | TRC 03 | АИС 80A4 |
| 28,00 | 180,00 | 50,02 | 1,70 | ||
| 32,00 | 158,00 | 43,75 | 1,90 | ||
| 36,10 | 139,00 | 38,73 | 2,20 | ||
| 40,40 | 125,00 | 34,62 | 2,40 | ||
| 49,50 | 102,00 | 28,30 | 2,90 | ||
| 64,30 | 78,00 | 21,78 | 3,60 | ||
| 0,75 кВт | |||||
| 49,10 | 140,00 | 28,50 | 0,86 | TRC 01 | АИС 80B4 |
| 59,40 | 116,00 | 23,56 | 1,00 | ||
| 70,60 | 97,00 | 19,83 | 1,20 | ||
| 78,40 | 88,00 | 17,86 | 1,10 | ||
| 95,80 | 72,00 | 14,62 | 1,70 | ||
| 101,00 | 68,00 | 13,80 | 1,50 | ||
| 118,00 | 58,00 | 11,90 | 2,10 | ||
| 143,00 | 48,00 | 9,81 | 2,10 | ||
| 153,00 | 45,00 | 9,17 | 1,80 | ||
| 181,00 | 38,00 | 7,72 | 2,10 | ||
| 246,00 | 28,00 | 5,69 | 2,10 | ||
| 302,00 | 23,00 | 4,63 | 2,60 | ||
| 366,00 | 19,00 | 3,82 | 3,20 | ||
| 31,20 | 221,00 | 28,88 | 0,91 | TRC 02 | АИС 90S6 |
| 37,70 | 182,00 | 23,85 | 1,10 | ||
| 44,80 | 153,00 | 20,08 | 1,30 | ||
| 30,10 | 228,00 | 46,46 | 0,88 | TRC 02 | АИС 80B4 |
| 43,50 | 199,00 | 40,60 | 1,00 | ||
| 39,00 | 176,00 | 35,91 | 1,10 | ||
| 48,50 | 142,00 | 28,88 | 1,40 | ||
| 58,70 | 117,00 | 23,85 | 1,70 | ||
| 69,70 | 99,00 | 20,08 | 2,00 | ||
| 81,90 | 84,00 | 17,10 | 1,90 | ||
| 94,50 | 73,00 | 14,81 | 2,70 | ||
| 106,00 | 65,00 | 13,21 | 2,50 | ||
| 116,20 | 59,00 | 12,05 | 3,40 | ||
| 141,00 | 49,00 | 9,93 | 3,30 | ||
| 159,00 | 43,00 | 8,78 | 2,80 | ||
| 189,00 | 36,00 | 7,39 | 3,30 | ||
| 257,00 | 27,00 | 5,45 | 3,70 | ||
| 97,00 | 71,00 | 28,88 | 2,80 | TRC 02 | АИС 80A2 |
| 117,40 | 59,00 | 23,85 | 3,40 | ||
| 139,40 | 49,00 | 20,08 | 4,10 | ||
| 163,70 | 42,00 | 17,10 | 3,80 | ||
| 23,20 | 296,00 | 38,73 | 1,00 | TRC 03 | АИС 90S6 |
| 26,00 | 264,00 | 34,62 | 1,10 | ||
| 31,80 | 216,00 | 28,30 | 1,40 | ||
| 41,30 | 166,00 | 21,78 | 1,70 | ||
| 51,90 | 132,00 | 17,33 | 2,10 | ||
| 59,80 | 115,00 | 15,06 | 2,30 | ||
| 24,10 | 285,00 | 58,09 | 1,10 | TRC 03 | АИС 80B4 |
| 28,00 | 246,00 | 50,02 | 1,20 | ||
| 32,00 | 215,00 | 43,75 | 1,40 | ||
| 36,10 | 190,00 | 38,73 | 1,60 | ||
| 40,40 | 170,00 | 34,62 | 1,80 | ||
| 49,50 | 139,00 | 28,30 | 2,20 | ||
| 64,30 | 107,00 | 21,78 | 2,60 | ||
| 80,80 | 85,00 | 17,33 | 3,30 | ||
| 93,00 | 74,00 | 15,06 | 3,50 | ||
| 15,50 | 444,00 | 58,09 | 1,10 | TRC 04 | АИС 90S6 |
| 18,00 | 382,00 | 50,02 | 1,30 | ||
| 20,60 | 334,00 | 43,75 | 1,50 | ||
| 23,30 | 296,00 | 38,73 | 1,70 | ||
| 26,00 | 264,00 | 34,62 | 1,90 | ||
| 31,80 | 216,00 | 28,30 | 2,30 | ||
| 41,30 | 166,00 | 21,78 | 2,90 | ||
| 51,90 | 132,00 | 17,33 | 3,60 | ||
| 24,10 | 285,00 | 58,09 | 1,80 | TRC 04 | АИС 80B4 |
| 28,00 | 246,00 | 50,02 | 2,00 | ||
| 32,00 | 215,00 | 43,75 | 2,30 | ||
| 36,10 | 190,00 | 38,73 | 2,60 | ||
| 40,40 | 170,00 | 34,62 | 2,90 | ||
| 49,50 | 139,00 | 28,30 | 3,60 | ||
| 64,30 | 107,00 | 21,78 | 4,50 | ||
| 1,1 кВт | |||||
| 70,60 | 143,00 | 19,83 | 0,84 | TRC 01 | АИС 90S4 |
| 78,40 | 129,00 | 17,86 | 0,78 | ||
| 95,80 | 105,00 | 14,62 | 1,10 | ||
| 101,00 | 99,00 | 13,80 | 1,00 | ||
| 118,00 | 86,00 | 11,90 | 1,40 | ||
| 143,00 | 71,00 | 9,87 | 1,40 | ||
| 153,00 | 66,00 | 9,17 | 1,20 | ||
| 181,00 | 56,00 | 7,72 | 1,40 | ||
| 246,00 | 41,00 | 5,69 | 1,50 | ||
| 302,00 | 33,00 | 4,63 | 1,80 | ||
| 366,00 | 28,00 | 3,82 | 2,20 | ||
| 285,00 | 35,00 | 9,81 | 2,80 | TRC 01 | АИС 80B2 |
| 305,00 | 33,00 | 9,17 | 2,40 | ||
| 363,00 | 28,00 | 7,72 | 2,90 | ||
| 492,00 | 20,00 | 5,69 | 2,90 | ||
| 605,00 | 17,00 | 4,63 | 3,60 | ||
| 733,00 | 14,00 | 3,82 | 4,40 | ||
| 39,00 | 259,00 | 35,91 | 0,77 | TRC 02 | АИС 90S4 |
| 48,50 | 208,00 | 28,88 | 1,00 | ||
| 58,70 | 172,00 | 23,85 | 1,20 | ||
| 69,70 | 145,00 | 20,08 | 1,40 | ||
| 81,90 | 123,00 | 17,10 | 1,30 | ||
| 94,50 | 107,00 | 14,81 | 1,90 | TRC 02 | АИС 90S4 |
| 106,00 | 95,00 | 13,21 | 1,70 | ||
| 116,00 | 87,00 | 12,05 | 2,30 | ||
| 141,00 | 72,00 | 9,93 | 2,20 | ||
| 159,00 | 63,00 | 8,78 | 1,90 | ||
| 189,00 | 53,00 | 7,39 | 2,30 | ||
| 257,00 | 39,00 | 5,45 | 2,50 | ||
| 316,00 | 32,00 | 4,43 | 3,10 | ||
| 383,00 | 26,00 | 3,66 | 3,80 | ||
| 32,00 | 315,00 | 43,75 | 0,95 | TRC 03 | АИС 90S4 |
| 36,10 | 279,00 | 38,73 | 1,10 | ||
| 40,40 | 249,00 | 34,62 | 1,20 | ||
| 49,50 | 204,00 | 28,30 | 1,50 | ||
| 64,30 | 157,00 | 21,78 | 1,80 | ||
| 80,80 | 125,00 | 17,33 | 2,20 | ||
| 93,00 | 108,00 | 15,06 | 2,40 | ||
| 113,00 | 89,00 | 12,37 | 2,90 | ||
| 136,00 | 74,00 | 10,28 | 3,20 | ||
| 177,00 | 57,00 | 7,93 | 3,20 | ||
| 222,00 | 45,00 | 6,31 | 4,00 | ||
| 255,00 | 39,00 | 5,48 | 3,80 | ||
| 48,20 | 209,00 | 58,09 | 1,40 | TRC 03 | АИС 80B2 |
| 56,00 | 180,00 | 50,02 | 1,70 | ||
| 64,00 | 158,00 | 43,75 | 1,90 | ||
| 72,30 | 139,00 | 38,73 | 2,20 | ||
| 80,90 | 125,00 | 34,62 | 2,40 | ||
| 99,00 | 102,00 | 28,30 | 2,90 | ||
| 129,00 | 78,00 | 21,78 | 3,60 | ||
| 24,10 | 418,00 | 58,09 | 1,20 | TRC 04 | АИС 90S4 |
| 28,00 | 360,00 | 50,02 | 1,40 | ||
| 32,00 | 315,00 | 43,75 | 1,60 | ||
| 36,10 | 279,00 | 38,73 | 1,80 | ||
| 40,40 | 249,00 | 34,62 | 2,00 | ||
| 49,50 | 204,00 | 28,30 | 2,50 | ||
| 64,30 | 157,00 | 21,78 | 3,10 | ||
| 80,80 | 125,00 | 17,33 | 3,80 | ||
| 93,00 | 108,00 | 15,06 | 4,20 | ||
| 1,5 кВт | |||||
| 118,00 | 117,00 | 11,90 | 1,00 | TRC 01 | АИС 90L4 |
| 143,00 | 96,00 | 9,81 | 1,00 | ||
| 153,00 | 90,00 | 9,17 | 0,90 | ||
| 181,00 | 76,00 | 7,72 | 1,12 | ||
| 246,00 | 56,00 | 5,69 | 1,10 | ||
| 302,00 | 45,00 | 4,63 | 1,30 | ||
| 366,00 | 38,00 | 3,82 | 1,60 | ||
| 305,00 | 45,00 | 9,17 | 1,80 | TRC 01 | АИС 90S2 |
| 363,00 | 38,00 | 7,72 | 2,10 | ||
| 492,00 | 28,00 | 5,69 | 2,10 | ||
| 605,00 | 23,00 | 4,63 | 2,60 | ||
| 733,00 | 19,00 | 3,82 | 3,20 | ||
| 58,70 | 234,00 | 23,85 | 0,85 | TRC 02 | АИС 90L4 |
| 69,70 | 197,00 | 20,08 | 1,00 | ||
| 81,90 | 168,00 | 17,10 | 1,00 | ||
| 94,50 | 145,00 | 14,81 | 1,40 | ||
| 106,00 | 130,00 | 13,21 | 1,20 | ||
| 116,00 | 118,00 | 12,05 | 1,70 | ||
| 141,00 | 98,00 | 9,93 | 1,60 | ||
| 159,00 | 86,00 | 8,78 | 1,40 | ||
| 189,00 | 73,00 | 7,39 | 1,70 | ||
| 257,00 | 54,00 | 5,45 | 1,90 | ||
| 316,00 | 44,00 | 4,43 | 2,30 | ||
| 383,00 | 36,00 | 3,66 | 2,80 | ||
| 212,00 | 65,00 | 13,21 | 2,50 | TRC 02 | АИС 90S2 |
| 232,00 | 59,00 | 12,05 | 3,40 | ||
| 282,00 | 49,00 | 9,93 | 3,30 | ||
| 319,00 | 43,00 | 8,78 | 2,80 | ||
| 379,00 | 36,00 | 7,39 | 3,30 | ||
| 514,00 | 27,00 | 5,45 | 3,70 | ||
| 40,40 | 340,00 | 34,62 | 0,88 | TRC 03 | АИС 90L4 |
| 49,50 | 278,00 | 28,30 | 1,10 | ||
| 64,30 | 214,00 | 21,78 | 1,30 | ||
| 80,80 | 170,00 | 17,33 | 1,60 | ||
| 93,00 | 148,00 | 15,06 | 1,80 | ||
| 113,00 | 122,00 | 12,37 | 2,10 | ||
| 136,00 | 101,00 | 10,28 | 2,40 | ||
| 177,00 | 78,00 | 7,93 | 2,30 | ||
| 222,00 | 62,00 | 6,31 | 2,90 | ||
| 255,00 | 54,00 | 5,48 | 2,80 | ||
| 311,00 | 44,00 | 4,50 | 3,40 | ||
| 374,00 | 37,00 | 3,74 | 4,10 | ||
| 48,20 | 285,00 | 58,09 | 1,10 | TRC 03 | АИС 90S2 |
| 56,00 | 246,00 | 50,02 | 1,20 | ||
| 64,00 | 215,00 | 43,75 | 1,40 | ||
| 72,30 | 190,00 | 38,73 | 1,60 | ||
| 80,90 | 170,00 | 34,62 | 1,80 | ||
| 99,00 | 139,00 | 28,30 | 2,20 | ||
| 129,00 | 107,00 | 21,78 | 2,60 | ||
| 162,00 | 85,00 | 17,33 | 3,30 | ||
| 186,00 | 74,00 | 15,06 | 3,50 | ||
| 26,00 | 529,00 | 34,62 | 0,95 | TRC 04 | АИС 100L6 |
| 31,80 | 432,00 | 28,30 | 1,20 | ||
| 41,30 | 333,00 | 21,78 | 1,40 | ||
| 51,90 | 265,00 | 17,33 | 1,80 | ||
| 59,80 | 230,00 | 15,06 | 2,00 | ||
| 24,10 | 571,00 | 58,09 | 0,88 | TRC 04 | АИС 90L4 |
| 28,00 | 491,00 | 50,02 | 1,00 | ||
| 32,00 | 430,00 | 43,75 | 1,20 | ||
| 36,10 | 380,00 | 38,73 | 1,30 | ||
| 40,40 | 340,00 | 34,62 | 1,50 | ||
| 49,50 | 278,00 | 28,30 | 1,80 | ||
| 64,30 | 214,00 | 21,78 | 2,20 | ||
| 80,80 | 170,00 | 17,33 | 2,80 | ||
| 93,00 | 148,00 | 15,06 | 3,10 | ||
| 113,00 | 122,00 | 12,37 | 3,80 | ||
| 136,00 | 101,00 | 10,28 | 4,40 | ||
| 177,00 | 78,00 | 7,93 | 3,30 | ||
| 222,00 | 62,00 | 6,31 | 4,20 | ||
| 255,00 | 54,00 | 5,48 | 4,30 | ||
| 2,2 кВт | |||||
| 64,30 | 314,00 | 21,78 | 0,89 | TRC 03 | АИС 100L1-4 |
| 80,80 | 250,00 | 17,33 | 1,10 | ||
| 93,00 | 217,00 | 15,06 | 1,20 | ||
| 113,00 | 178,00 | 12,37 | 1,50 | ||
| 136,00 | 148,00 | 10,28 | 1,60 | ||
| 177,00 | 114,00 | 7,93 | 1,60 | ||
| 222,00 | 91,00 | 6,31 | 2,00 | ||
| 155,00 | 79,00 | 5,48 | 1,90 | ||
| 311,00 | 65,00 | 4,50 | 2,30 | ||
| 374,00 | 54,00 | 3,74 | 2,80 | ||
| 186,00 | 108,00 | 15,06 | 2,40 | TRC 03 | АИС 90L2 |
| 226,00 | 89,00 | 12,37 | 2,90 | ||
| 272,00 | 74,00 | 10,28 | 3,20 | ||
| 353,00 | 57,00 | 7,93 | 3,20 | ||
| 444,00 | 45,00 | 6,31 | 4,00 | ||
| 511,00 | 39,00 | 5,48 | 3,80 | ||
| 41,30 | 488,00 | 21,78 | 1,00 | TRC 04 | АИС 112M6 |
| 51,90 | 388,00 | 17,33 | 1,20 | ||
| 59,80 | 338,00 | 15,06 | 1,40 | ||
| 72,80 | 277,00 | 12,37 | 1,70 | ||
| 40,40 | 499,00 | 34,62 | 1,00 | TRC 04 | АИС 100L1-4 |
| 49,50 | 408,00 | 28,30 | 1,20 | ||
| 64,30 | 314,00 | 21,78 | 1,50 | ||
| 80,80 | 250,00 | 17,33 | 1,90 | ||
| 93,00 | 217,00 | 15,06 | 2,10 | ||
| 113,00 | 178,00 | 12,37 | 2,60 | ||
| 136,00 | 148,00 | 10,28 | 3,00 | ||
| 177,00 | 114,00 | 7,93 | 2,30 | ||
| 222,00 | 91,00 | 6,31 | 2,90 | ||
| 255,00 | 79,00 | 5,48 | 2,90 | ||
| 311,00 | 65,00 | 4,50 | 3,50 | ||
| 374,00 | 54,00 | 3,74 | 3,70 | ||
| 93,00 | 296,00 | 15,06 | 0,88 | TRC 03 | АИС 100L2-4 |
| 113,00 | 243,00 | 12,37 | 1,10 | ||
| 136,00 | 202,00 | 10,28 | 1,20 | ||
| 177,00 | 156,00 | 7,93 | 1,20 | ||
| 222,00 | 124,00 | 6,31 | 1,50 | ||
| 255,00 | 108,00 | 5,48 | 1,40 | ||
| 311,00 | 88,00 | 4,50 | 1,70 | ||
| 374,00 | 73,00 | 3,74 | 2,00 | ||
| 49,50 | 556,00 | 28,30 | 0,90 | TRC 04 | АИС 100L2-4 |
| 64,30 | 428,00 | 21,78 | 1,10 | ||
| 80,80 | 340,00 | 17,33 | 1,40 | ||
| 93,00 | 296,00 | 15,06 | 1,60 | ||
| 113,00 | 243,00 | 12,37 | 1,90 | ||
| 136,00 | 202,00 | 10,28 | 2,20 | ||
| 177,00 | 156,00 | 7,93 | 1,70 | ||
| 222,00 | 124,00 | 6,31 | 2,10 | ||
| 255,00 | 108,00 | 5,48 | 2,10 | ||
| 311,00 | 88,00 | 4,50 | 2,60 | ||
| 374,00 | 73,00 | 3,74 | 2,70 | ||
| 186,00 | 148,00 | 15,06 | 3,10 | TRC 04 | АИС 100L2 |
| 226,00 | 122,00 | 12,37 | 3,80 | ||
| 272,00 | 101,00 | 10,28 | 4,40 | ||
| 353,00 | 78,00 | 7,93 | 3,30 | ||
| 444,00 | 62,00 | 6,31 | 4,20 | ||
| 136,00 | 269,00 | 10,28 | 0,89 | TRC 03 | АИС 112M4 |
| 177,00 | 208,00 | 7,93 | 0,87 | ||
| 22,00 | 165,00 | 6,31 | 1,10 | ||
| 255,00 | 144,00 | 5,48 | 1,00 | ||
| 311,00 | 118,00 | 4,50 | 1,30 | ||
| 374,00 | 98,00 | 3,74 | 1,50 | ||
| 80,80 | 454,00 | 17,33 | 1,10 | TRC 04 | АИС 112M4 |
| 93,00 | 394,00 | 15,06 | 1,20 | ||
| 113,00 | 324,00 | 12,37 | 1,40 | ||
| 136,00 | 269,00 | 10,28 | 1,60 | ||
| 177,00 | 208,00 | 7,93 | 1,30 | ||
| 222,00 | 165,00 | 6,31 | 1,60 | ||
| 255,00 | 144,00 | 5,48 | 1,60 | ||
| 311,00 | 118,00 | 4,50 | 2,00 | ||
| 374,00 | 98,00 | 3,74 | 2,00 | ||
| 186,00 | 197,00 | 15,06 | 2,30 | TRC 04 | АИС 112M2 |
| 226,00 | 162,00 | 12,37 | 2,80 | ||
| 272,00 | 135,00 | 10,28 | 3,30 | ||
| 353,00 | 104,00 | 7,93 | 2,50 | ||
| 444,00 | 83,00 | 6,31 | 3,10 | ||
| 511,00 | 72,00 | 5,48 | 3,20 | ||
| 622,00 | 59,00 | 4,50 | 3,90 | ||
| 749,00 | 49,00 | 3,74 | 4,10 | ||

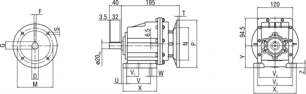
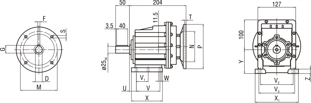
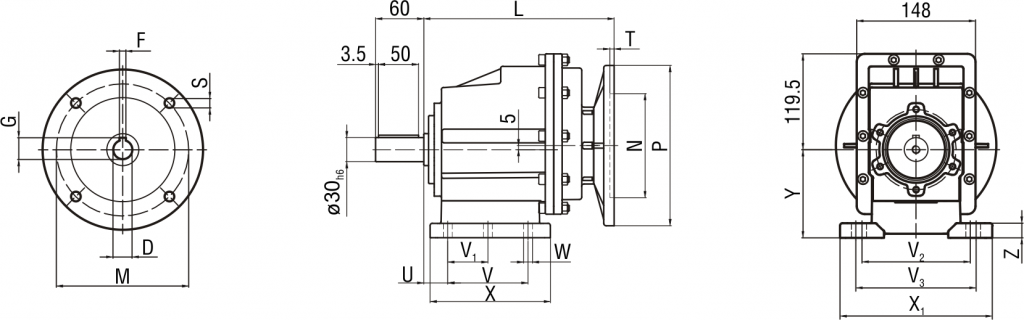
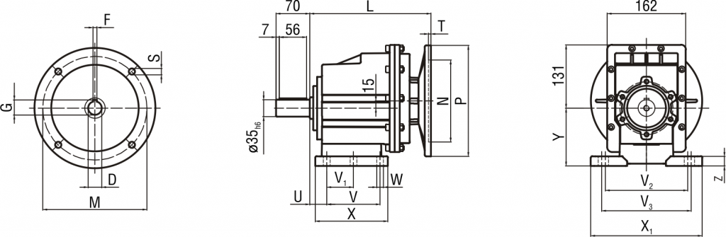
Возможны конструктивные отклонения в зависимости от габаритного размера и типа редуктора.
| IEC | 63B5 | 71B5 | 71B14 | 80B5 | 80B14 | 90B5 | 90B14 | 100B5 | 100B14 | 112B5 | 112B14 |
|---|---|---|---|---|---|---|---|---|---|---|---|
| DE8 | 11 | 14 | 19 | 24 | 28 | 28 | |||||
| P | 140 | 160 | 105 | 200 | 140 | 200 | 140 | 250 | 160 | 250 | 160 |
| M | 115 | 130 | 85 | 165 | 115 | 165 | 115 | 215 | 130 | 215 | 130 |
| N | 95 | 110 | 70 | 130 | 95 | 130 | 95 | 180 | 110 | 180 | 110 |
| IEC | D | F | G | P | M | N | S | T |
|---|---|---|---|---|---|---|---|---|
| 63B5 | 11 | 4 | 12,8 | 140 | 115 | 95 | 9 | 4 |
| 71B5 | 14 | 5 | 16,3 | 160 | 130 | 110 | 9 | 4 |
| 71B14 | 14 | 5 | 16,3 | 105 | 85 | 70 | 7 | 4 |
| 80B5 | 19 | 6 | 21,8 | 200 | 165 | 130 | 11 | 4 |
| 80B14 | 19 | 6 | 21,8 | 120 | 100 | 80 | 7 | 4 |
| 90B5 | 24 | 8 | 27,3 | 200 | 165 | 130 | 11 | 4 |
| 90B14 | 24 | 8 | 27,3 | 140 | 115 | 95 | 9 | 4 |
| Размер лап | U | V | V1 | V2 | V3 | W | X | X1 | Y | Z |
|---|---|---|---|---|---|---|---|---|---|---|
| B01 | 18 | 87 | 50 | 110 | - | 9 | 118 | 130 | 85 | 15 |
| M01 | 18 | 80 | - | 110 | 120 | 9 | 113 | 145 | 75 | 15 |
| M02 | 25 | 85 | - | 110 | 120 | 9 | 112 | 145 | 75 | 15 |
| B02 | 18 | 107,5 | 60 | - | 130 | 11 | 136 | 155 | 95 | 17 |
| IEC | D | F | G | P | M | N | S | T |
|---|---|---|---|---|---|---|---|---|
| 63B5 | 11 | 4 | 12,8 | 140 | 115 | 95 | 9 | 4 |
| 71B5 | 14 | 5 | 16,3 | 160 | 130 | 110 | 9 | 4 |
| 71B14 | 14 | 5 | 16,3 | 105 | 85 | 70 | 7 | 4 |
| 80B5 | 19 | 6 | 21,8 | 200 | 165 | 130 | 11 | 4 |
| 80B14 | 19 | 6 | 21,8 | 120 | 100 | 80 | 7 | 4 |
| 90B5 | 24 | 8 | 27,3 | 200 | 165 | 130 | 11 | 4 |
| 90B14 | 24 | 8 | 27,3 | 140 | 115 | 95 | 9 | 4 |
| Размер лап | U | V | V1 | V2 | V3 | W | X | X1 | Y | Z |
|---|---|---|---|---|---|---|---|---|---|---|
| B02 | 18 | 107,5 | 60 | - | 130 | 11 | 136 | 155 | 100 | 17 |
| M02 | 25 | 85 | - | 110 | 120 | 9 | 112 | 145 | 80 | 15 |
| M01 | 18 | 80 | - | 110 | 120 | 9 | 118 | 145 | 80 | 15 |
| B01 | 18 | 87 | 50 | 110 | - | 9 | 118 | 130 | 90 | 15 |
| IEC | D | F | G | P | M | N | S | T | L |
|---|---|---|---|---|---|---|---|---|---|
| 71B5 | 14 | 5 | 16,3 | 160 | 130 | 110 | 9 | 4 | 220 |
| 80B5 | 19 | 6 | 21,8 | 200 | 165 | 130 | 11 | 4 | 220 |
| 80B14 | 19 | 6 | 21,8 | 120 | 100 | 80 | 7 | 4 | 220 |
| 90B5 | 24 | 8 | 27,3 | 200 | 165 | 130 | 11 | 4 | 220 |
| 90B14 | 24 | 8 | 27,3 | 140 | 115 | 95 | 9 | 4 | 220 |
| 100/112B5 | 28 | 8 | 31,3 | 250 | 215 | 180 | 13,5 | 4,5 | 237,5 |
| 100/112B14 | 28 | 8 | 31,3 | 160 | 130 | 110 | 9 | 4,5 | 237,5 |
| Размер лап | U | V | V1 | V2 | V3 | W | X | X1 | Y | Z |
|---|---|---|---|---|---|---|---|---|---|---|
| B03 | 18 | 130 | 70 | - | 160 | 11 | 156 | 190 | 110 | 20 |
| M03 | 30 | 100 | - | 135 | 150 | 11 | 150 | 190 | 110 | 18 |
| M04 | 32 | 110 | - | 170 | 185 | 14 | 150 | 230 | 110 | 20 |
| B04 | 20,5 | 130 | - | 170 | - | 14 | 168 | 205 | 105 | 20 |
| IEC | D | F | G | P | M | N | S | T | L |
|---|---|---|---|---|---|---|---|---|---|
| 80B5 | 19 | 6 | 21,8 | 200 | 165 | 130 | 11 | 4 | 232,5 |
| 80B14 | 19 | 6 | 21,8 | 120 | 100 | 80 | 7 | 4 | 232,5 |
| 90B5 | 24 | 8 | 27,3 | 200 | 165 | 130 | 11 | 4 | 232,5 |
| 90B14 | 24 | 8 | 27,3 | 140 | 115 | 95 | 9 | 4 | 232,5 |
| 100/112B5 | 28 | 8 | 31,3 | 250 | 215 | 180 | 13,5 | 4,5 | 250 |
| 100/112B14 | 28 | 8 | 31,3 | 160 | 130 | 110 | 9 | 4,5 | 250 |
| Размер лап | U | V | V1 | V2 | V3 | W | X | X1 | Y | Z |
|---|---|---|---|---|---|---|---|---|---|---|
| B04 | 23,5 | 130 | - | 170 | - | 14 | 168 | 205 | 115 | 20 |
| B05 | 19,5 | 149,5 | - | 180 | - | 14 | 185 | 215 | 130 | 20 |
| M04 | 35 | 110 | - | 170 | 185 | 14 | 150 | 230 | 120 | 20 |
| M03 | 33 | 100 | - | 135 | 150 | 11 | 150 | 190 | 120 | 18 |
| B03 | 21 | 130 | 70 | - | 160 | 11 | 156 | 190 | 120 | 20 |
| Температура среды эксплуатации |
от -10°C до +40°C |
от -20°C до +25°C |
от -30°C до +10°C |
от -40°C до +20°C |
от -40°C до +80°C |
от -40°C до +10°C |
|---|---|---|---|---|---|---|
| Стандарт ISO | VG220 | VG150 | VG68-46 | VG22 | VG220 | VG32 |
| VG100 | VG32 | VG15 | ||||
| Тип масла | Минеральное | Синтетическое | ||||
| Рекомендуемые марки | Shell Omala Oil 220 | Shell Omala Oil 100 | Shell Tellus T 32 | Shell Tellus T 15 | Shell Omala 220 HD | - |
| Mobil Mobilgear 630 | Mobil Mobilgear 627 | Mobil D.T.E.13M | Mobil D.T.E.11M | Mobil SHC 630 | Mobil SHC 624 | |
| BP Energol GR-XP220 | BP Energol GR-XP100 | - | BP Energol GR-HM10 | - | - | |
| Габарит | Монтажное исполнение | |||||
|---|---|---|---|---|---|---|
| М1 | М2 | М3 | М4 | М5 | М6 | |
| TRC 01 | 0,4 л | 0,6 л | 0,4 л | 0,3 л | 0,3 л | 0,3 л |
| TRC 02 | 0,5 л | 0,7 л | 0,5 л | 0,4 л | 0,4 л | 0,4 л |
| TRC 03 | 0,8 л | 1,1 л | 0,8 л | 0,6 л | 0,6 л | 0,6 л |
| TRC 04 | 1,2 л | 1,6 л | 1,0 л | 1,0 л | 0,9 л | 0,9 л |

