Крановые электродвигатели
Крановые двигатели играют ключевую роль в обеспечении бесперебойной работы подъемных механизмов. Модели MTH, MTF, 4МТH и МТКН зарекомендовали себя как надежные и долговечные решения. Эти двигатели предназначены для работы в условиях интенсивной нагрузки и обеспечивают высокую производительность. Они широко используются в промышленности, строительстве и складской логистике, где важна точность и устойчивость.
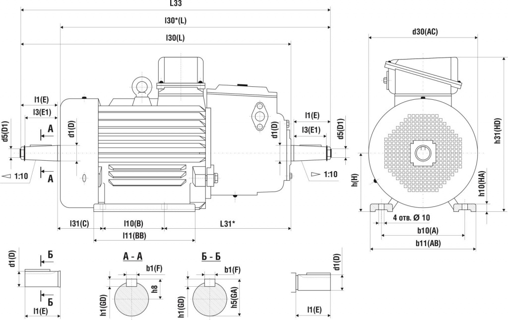
По согласованию с заказчиком крановые электродвигатели могут изготавливаться в монтажном исполнении IM 2001, IM 2002, IM 2003 и IM 2004 (комбинированное исполнение лапы-фланец). Такое исполнение позволяет адаптировать двигатель под конкретные задачи и условия эксплуатации, повышая его универсальность и удобство монтажа.
Гарантия на двигатели составляет 3 года с даты ввода в эксплуатацию, но не более 4 лет с даты продажи при наработке до 13 000 часов.
| Тип ЭД | Рн, кВт | n, об/мин | КПД, % | cosф | напряжение статора, В | ток статора, А | Мm/Мн | Режим работы | ток ротора, А | напряжение ротора, В | вес нетто, кг |
|---|---|---|---|---|---|---|---|---|---|---|---|
| МТ(F)Н011-6 электродвигатель | 1,4 |
866
об/мин |
62,9 | 0,79 | 220/380 | 7.41/4.28 | 2,3 | S3 40% | 12,5 | 118 | 65 |
| МТ(F)Н012-6 электродвигатель | 2,2 |
908
об/мин |
73 | 0,76 | 220/380 | 10.57/6.1 | 2,3 | S3 40% | 11,5 | 144 | 70 |
| МТ(F)Н111-6 электродвигатель | 3,5 |
908
об/мин |
77 | 0,8 | 220/380 | 14.95/8.63 | ≥2.3 | S3 40% | 14,5 | 185 | 95 |
| МТ(F)Н112-6 электродвигатель | 5,0 |
915
об/мин |
75 | 0,7 | 220/380 | 21.3/12.3 | ≥2.3 | S3 40% | 15,7 | 210 | 100 |
| МТ(F)Н132LА-6 электродвигатель | 5,5 |
900
об/мин |
76 | 0,76 | 220/380 | 25.1/14.5 | 2,5 | S3 40% | 17,1 | 211 | 100 |
| МТ(F)Н132LB-6 электродвигатель | 7,5 |
940
об/мин |
73 | 0,87 | 220/380 | 31/17.9 | 2,5 | S3 40% | 21,7 | 240 | 102 |
| МТ(F)Н211-6 электродвигатель | 7,5 |
940
об/мин |
79,4 | 0,8 | 220/380 | 31.18/18 | 2,5 | S3 40% | 26,5 | 185 | 138 |
| МТ(F)Н311-6 электродвигатель | 11,0 |
945
об/мин |
82 | 0,82 | 220/380 | 44.7/25.8 | 2,5 | S3 40% | 42,0 | 172 | 172 |
| МТ(F)Н311-8 электродвигатель | 7,5 |
690
об/мин |
80 | 0,7 | 220/380 | 35/20.3 | 2,5 | S3 40% | 25,0 | 205 | 172 |
| МТ(F)Н312-6 электродвигатель | 15,0 |
962
об/мин |
83 | 0,81 | 220/380 | 58.54/33.8 | 3,73 | S3 40% | 46,5 | 218 | 205 |
| МТ(F)Н312-8 электродвигатель | 11,0 |
700
об/мин |
80,9 | 0,81 | 220/380 | 44.6/25.8 | 2,5 | S3 40% | 44,0 | 172 | 205 |
| МТ(F)Н200LA-6 электродвигатель | 22,0 |
960 об/мин |
85 | 0,78 | 220/380 | 57.35/99 | 2,8 | S3 40% | 74,5 | 200 | 300 |
| МТ(F)Н200LA-8 электродвигатель | 15,0 |
715
об/мин |
85 | 0,76 | 220/380 | 61/35 | 2,8 | S3 40% | 58,5 | 178 | 300 |
| МТ(F)Н200LB-6 электродвигатель | 30,0 |
960
об/мин |
88,3 | 0,83 | 220/380 | 108/62 | 2,8 | S3-40% | 72,0 | 273 | 330 |
| МТ(F)Н200LB-8 электродвигатель | 22,0 |
715
об/мин |
87,4 | 0,82 | 220/380 | 46,9/23.34 | 2,8 | S3-40% | 59,1 | 232 | 330 |
| МТ(F)Н411-6 электродвигатель | 22,0 |
960
об/мин |
85 | 0,78 | 220/380 | 87/50.4 | 2,8 | S3 40% | 74,5 | 200 | 288 |
| МТ(F)Н411-8 электродвигатель | 15,0 |
715
об/мин |
85 | 0,76 | 220/380 | 61/35 | 2,8 | S3 40% | 58,5 | 178 | 288 |
| МТ(F)Н412-6 электродвигатель | 30,0 |
960
об/мин |
88 | 0,82 | 220/380 | 107.2/62 | 2,8 | S3 40% | 74,4 | 250 | 330 |
| МТ(F)Н412-8 электродвигатель | 22,0 |
715
об/мин |
86 | 0,79 | 220/380 | 81.2/46.9 | 2,8 | S3 40% | 59,1 | 232 | 352 |
| 4МТМ(Н)225М6 электродвигатель | 37,0 |
995
об/мин |
87 | 0,81 | 220/380 | 138/80 | 3 | S3 40% | 80,0 | 295 | 356 |
| 4МТМ(Н)225М8 электродвигатель | 30,0 |
715
об/мин |
85 | 0,72 | 220/380 | 128/74 | 2,9 | S3 40% | 70,0 | 275 | 356 |
| 4МТМ(Н)225L6 электродвигатель | 55,0 |
955
об/мин |
88 | 0,81 | 220/380 | 202/117 | 2,9 | S3 40% | 122,0 | 285 | 460 |
| 4МТМ(Н)225L8 электродвигатель | 37,0 |
725
об/мин |
86 | 0,74 | 220/380 | 156/88 | 2,9 | S3 40% | 76,0 | 305 | 430 |
| МТ(F)Н511-6 электродвигатель | 37,0 |
995
об/мин |
87 | 0,81 | 220/380 | 138/80 | 2,9 | S3 40% | 80,0 | 295 | 460 |
| МТ(F)Н511-8 электродвигатель | 30,0 |
715
об/мин |
85 | 0,72 | 220/380 | 128/74 | 2,9 | S3 40% | 70,0 | 275 | 500 |
| МТ(F)Н512-8 электродвигатель | 37,0 |
725
об/мин |
86 | 0,74 | 220/380 | 134.5/88 | 2,9 | S3 40% | 76,0 | 305 | 535 |
| 4МТМ(Н)280S6 электродвигатель | 75,0 |
955
об/мин |
89 | 0,86 | 220/380 | 257.4/149 | 3,2 | S3 40% | 180,0 | 266 | 650 |
| 4МТМ(Н)280L6 электродвигатель | 110,0 |
970
об/мин |
91 | 0,85 | 220/380 | 373/216 | 3,5 | S3 40% | 168,0 | 420 | 750 |
| 4МТМ(Н)280S8 электродвигатель | 55,0 |
720
об/мин |
89 | 0,81 | 220/380 | 204.5/118 | 2,9 | S3 40% | 186,0 | 190 | 650 |
| 4МТМ(Н)280M8 электродвигатель | 75,0 |
725
об/мин |
91 | 0,8 | 220/380 | 270/155 | 3 | S3 40% | 188,0 | 250 | 710 |
| 4МТM(Н)280L8 электродвигатель | 90,0 |
725
об/мин |
91 | 0,8 | 220/380 | 324/187 | 2,9 | S3 40% | 171,0 | 335 | 750 |
| 4MТМ(Н)280S10 электродвигатель | 45,0 |
570
об/мин |
85,6 | 0,78 | 220/380 | 178/103,8 | 2,8 | S3 40% | 165,0 | 172 | 650 |
| 4МТМ(Н)280М10 электродвигатель | 60,0 |
575
об/мин |
88 | 0,74 | 220/380 | 242/140 | 3,2 | S3-40% | 162,0 | 235 | 710 |
| 4МТМ(Н)280L10 электродвигатель | 75,0 |
575
об/мин |
89 | 0,73 | 220/380 | 303/175 | 3 | S3-40% | 150,0 | 308 | 810 |
| МТ(F)Н611-6 электродвигатель | 75,0 |
955
об/мин |
89 | 0,86 | 220/380 | 257/149 | 3,2 | S3 40% | 180,0 | 266 | 665 |
| МТ(F)Н611-10 электродвигатель | 45,0 |
570
об/мин |
85,6 | 0,78 | 220/380 | 177/103.8 | 2,8 | S3 40% | 165,0 | 172 | 665 |
| МТ(F)Н612-10 электродвигатель | 60,0 |
575
об/мин |
88 | 0,74 | 220/380 | 242/140 | 3,2 | S3-40% | 162,0 | 235 | 785 |
| MT(F)H613-6 электродвигатель | 110,0 |
970
об/мин |
91 | 0,85 | 220/380 | 373/216 | 3,5 | S3 40% | 168,0 | 420 | 750 |
| MT(F)H613-10 электродвигатель | 75,0 |
575
об/мин |
89 | 0,73 | 220/380 | 306/175 | 3 | S3-40% | 150,0 | 308 | 840 |
| МТ(F)Н712-10 электродвигатель | 132,0 |
573
об/мин |
91,6 | 0,78 | 220/380 | 485/280 | 2,8 | S3-40% | 270,0 | 322 | 1670 |
| МТ(F)Н711-10 электродвигатель | 110,0 |
575
об/мин |
93,7 | 0,78 | 220/380 | 395/210 | 2,8 | S3-40% | 276,0 | 270 | 1565 |
| MTH400S-8 электродвигатель | 132 |
731
об/мин |
92,4 | 0,8 | 220/380 | 471/271 | 2,8 | S3-40% | 275,0 | 310,0 | 1890 |
| MTH400M-8 электродвигатель | 160 |
732
об/мин |
93,4 | 0,8 | 220/380 | 565/324 | 2,8 | S3-40% | 268,0 | 380,0 | 2120 |
| MTH400L-8 электродвигатель | 200 кВт |
743
об/мин |
95,7 | 0,8 | 220/380 | 686/363 | 2,8 | S3-40% | 269,0 | 447,0 | 2200 |
| MTH400S-10 электродвигатель | 110 кВт |
573
об/мин |
93,7 | 0,78 | 220/380 | 395/235 | 2,8 | S3-40% | 276,0 | 270,0 | 1692 |
| MTH400M-10 электродвигатель | 132 кВт |
573
об/мин |
91,6 | 0,78 | 220/380 | 485/280 | 2,8 | S3-40% | 270,0 | 322,0 | 1888 |
| MTH400L-10 электродвигатель | 160 кВт |
573
об/мин |
91,5 | 0,78 | 220/380 | 589/340 | 2,8 | S3-40% | 272,0 | 405,0 | 2100 |
| MTK(F)H011-6 электродвигатель | 1,4 кВт |
866
об/мин |
62,9 | 0,79 | 220/380 | 7.41/4.28 | 2,3 | S3 40% | === | === | 58 |
| MTK(F)H012-6 электродвигатель | 2,2 кВт |
908
об/мин |
73 | 0,76 | 220/380 | 10.57/6.1 | 2,9 | S3 40% | === | === | 70 |
| MTК(F)Н111-6 электродвигатель | 3,5 кВт |
870
об/мин |
74 | 0,8 | 220/380 | 16.55/9.6 | 2,3 | S3 40% | === | === | 85 |
| MTК(F)Н112-6 электродвигатель | 5,0 кВт |
910
об/мин |
77 | 0,75 | 220/380 | 14,0/24,2 | 2,3 | S3 40% | === | === | 95 |
| MTК(F)Н132LА-6 электродвигатель | 5,5 кВт |
900
об/мин |
76 | 0,76 | 220/380 | 25.1/14.5 | 2,5 | S3 40% | === | === | 85 |
| MTК(F)Н132LB-6 электродвигатель | 7,5 кВт |
940 об/мин |
73 | 0,87 | 220/380 | 31/17.9 | 2,5 | S3 40% | === | === | 88 |
| MTК(F)Н211-6 электродвигатель | 7,5 кВт |
940
об/мин |
76 | 0,77 | 220/380 | 18/31.17 | 2,68 | S3 40% | === | === | 120 |
| MTК(F)Н311-6 электродвигатель | 11,0 кВт |
945
об/мин |
83 | 0.78 | 220/380 | 44.7/25.8 | 2,5 | S3-40% | === | === | 150 |
| MTК(F)Н311-8 электродвигатель | 7,5 кВт |
690
об/мин |
80 | 0.70 | 220/380 | 25.0/20.3 | 2,5 | S3-40% | === | === | 150 |
| MTК(F)Н312-6 электродвигатель | 15,0 кВт |
962
об/мин |
83 | 0,81 | 220/380 | 58.5/33.8 | 3,73 | S3 40% | === | === | 185 |
| MTК(F)Н312-8 электродвигатель | 11,0 кВт |
700
об/мин |
80,9 | 0,81 | 220/380 | 44.6/25.8 | 3,17 | S3 40% | === | === | 185 |
| MTК(F)Н411-6 электродвигатель | 22 кВт |
960
об/мин |
85 | 0.78 | 220/380 | 87/50.4 | 2,8 | S3-40% | === | === | 250 |
| MTК(F)Н411-8 электродвигатель | 15 кВт |
715
об/мин |
85 | 0.76 | 220/380 | 61/35 | 2,8 | S3-40% | === | === | 250 |
| MTК(F)Н412-6 электродвигатель | 30 кВт |
960
об/мин |
88 | 0.82 | 220/380 | 107.2/62 | 2,8 | S3-40% | === | === | 288 |
| MTК(F)Н412-8 электродвигатель | 22 кВт |
715
об/мин |
86 | 0.79 | 220/380 | 81.2/46.9 | 2,8 | S3-40% | === | === | 288 |
| MTKH200LA-6 электродвигатель | 22,0 кВт |
960
об/мин |
85 | 0,78 | 220/380 | 87/50,4 | 2,8 | S3 40% | === | === | 285 |
| MTKH200LA-8 электродвигатель | 15,0 кВт |
715
об/мин |
85 | 0,76 | 220/380 | 61/35 | 2,8 | S3 40% | === | === | 285 |
| MTKH200LB-6 электродвигатель | 30,0 кВт |
960
об/мин |
88,3 | 0,83 | 220/380 | 107.9/62 | 2,8 | S3-40% | === | === | 310 |
| MTKH200LB-8 электродвигатель | 22,0 кВт |
715
об/мин |
87,4 | 0,82 | 220/380 | 81/46,9 | 2,8 | S3-40% | === | === | 310 |
| 4MTKM225M-6 электродвигатель | 37,0 кВт |
995
об/мин |
87 | 0,81 | 220/380 | 138/80 | 3 | S3 40% | === | === | 380 |
| 4MTKM225M-8 электродвигатель | 30,0 кВт |
715 об/мин |
85 | 0,72 | 220/380 | 128/74 | 2,9 | S3 40% | === | === | 380 |
| 4MTKM225L-6 электродвигатель | 55,0 кВт |
955
об/мин |
88 | 0,81 | 220/380 | 202/117 | 2,9 | S3 40% | === | === | 440 |
| 4MTKM225L-8 электродвигатель | 37,0 кВт |
725 об/мин |
86 | 0,74 | 220/380 | 154.8/88 | 2,9 | S3 40% | === | === | 440 |
| MTKH511-6 электродвигатель | 37,0 кВт |
995
об/мин |
87 | 0,81 | 220/380 | 138/80 | 2,9 | S3 40% | === | === | 440 |
| MTKH511-8 электродвигатель | 30,0 кВт |
715
об/мин |
85 | 0,72 | 220/380 | 128.8/74 | 2,9 | S3 40% | === | === | 440 |
| MTKH512-6 электродвигатель | 55,0 кВт |
955
об/мин |
88 | 0,81 | 220/380 | 202/117 | 2,9 | S3 40% | === | === | 456 |
| MTKH512-8 электродвигатель | 37,0 кВт |
725
об/мин |
86 | 0,74 | 220/380 | 152.7/88 | 2,9 | S3 40% | === | === | 456 |
| МТКН611-10 электродвигатель | 45,0 кВт |
570
об/мин |
85,6 | 0,78 | 220/380 | 177/103,8 | 2,8 | S3 40% | === | === | 640 |
| МТКН311-6/16 электродвигатель | 3,5/1,1 |
960/340 об/мин |
79.8/46.2 | 0.78/0.53 | 220/380 | 8.5/6.8 | 3.0/2.7 | S3 40% | === | === | 220 |
| МТKН312-6/16 электродвигатель | 5/1,8 |
960/330
об/мин |
80.2/54.2 | 0.79/0.56 | 220/380 | 12/9 | 3.1/2.5 | S3 40% | === | === | 240 |
| МТКН411-6/16 электродвигатель | 7,5/2,4 |
950/330 об/мин |
81.4/57.2 | 0.83/0.58 | 220/380 | 16.8/11 | 2.85/2.35 | S3 40% | === | === | 270 |
| МТКН412-6/16 электродвигатель | 11/3,5 |
960/330 об/мин |
82.1/58.4 | 0.81/0.62 | 220/380 | 25.2/14.6 | 3.4/2.4 | S3 40% | === | === | 300 |
| МТКН412-6/12 электродвигатель | 11/4,8 |
945/470 об/мин |
81.1/70.5 | 0.79/0.55 | 220/380 | 26/18.8 | 2.95/2.2 | S3 40% | === | === | 290 |
| МТКН411-4/24 электродвигатель | 10/1,2 |
1395/200 об/мин |
79.5/27 | 0.94/0.54 | 220/380 | 20.2/12.6 | 2.94/2.52 | S3 40% | === | === | 270 |
| МТКН412-4/24 электродвигатель | 30/1,5 |
1420/220 об/мин |
83.5/28.2 | 0.86/0.58 | 220/380 | 63/14 | 2.96/2.6 | S3 40% | === | === | 300 |
| МТКН225М6/20 электродвигатель | 16/3,4 |
900/240
об/мин |
81.9/46.5 | 0.91/0.44 | 220/380 | 34.5/25.8 | 2.90/2.36 | S3 40% | === | === | 360 |
| МТКН225L6/20 электродвигатель | 22/4,5 |
950/260 об/мин |
82.5/49.4 | 0.86/0.47 | 220/380 | 47.2/29.5 | 2.90/2.40 | S3 40% | === | === | 450 |
| МТКН225L6/12 электродвигатель | 30/15 |
900/415 об/мин |
76.4/64.2 | 0.89/0.71 | 220/380 | 66.8/50 | 2.20/2.20 | S3 40% | === | === | 460 |
| МТКН511-4/24 электродвигатель | 22/2,0 |
1420/200 об/мин |
82.8/40.2 | 0.91/0.42 | 220/380 | 44.2/18.1 | 2.85/2.36 | S3 40% | === | === | 400 |
* Указанная частота вращения (синхронная частота) является справочной характеристикой. Принимая во внимание принцип работы асинхронного электродвигателя, в результате механических потерь номинальная частота вращения всегда ниже синхронной. Данные отличия не влияют на эксплуатационные характеристики оборудования.
** Указанная масса электродвигателя является справочной характеристикой. Точная масса указана на паспортной табличке электродвигателя. Данные отличия не влияют на эксплуатационные характеристики оборудования.
В зависимости от габарита электродвигателя некоторые монтажные исполнения могут быть недоступны.
Возможно производство электродвигателей в других монтажных исполнениях, не указанных в таблице.
Электродвигатели асинхронные трехфазные изготавливаются на номинальные напряжения: 380, 660, 220/380, 380/660В при частоте 50 Гц по ГОСТ IEC 60034-1-2014.
Возможно изготовление на другие номинальные напряжения и на частоту 60Гц, по согласованию с заказчиком.
Однофазные двигатели предназначены для работы от сети переменного тока напряжением 220 В частотой 50 Гц.
Степень защиты обозначается IP…по ГОСТ IEC 60034-5-2011.
Для примера обозначение IP55 это электродвигатель, защищенный от пыли и водяных струй со всех направлений.
Электродвигатели общепромышленного назначения могут работать в различных режимах в соответствии с ГОСТ IEC 60034-1-2014 и обозначается S…(1, 2, 3, 4, 5, 6, 7, 8), где:
S1 – продолжительный режим работы
S2 – кратковременный режим работы
S3 – периодический повторно-кратковременный режим работы
S4 – периодический повторно-кратковременный режим работы с влиянием пусковых процессов
S5 – периодический повторно-кратковременный режим работы с влиянием пусковых процессов и электрическим торможением
S6 – перемежающийся режим работы
S7 – периодический перемежающийся режим работы с влиянием пусковых процессов и электрическим торможением
S8 – периодический перемежающийся режим работы с периодически меняющейся частотой вращения
Двигатели могут использоваться в макроклиматических районах с климатом в условиях определяемых категориями размещения по ГОСТ 15150-69.
Климатические факторы
| Климатическое исполнение | Категория размещения | Верхнее значение рабочей температуры, °С | Нижнее значение рабочей температуры,°С | Максимальное значение относительной влажности, % |
|---|---|---|---|---|
| У | 1,2 | +40 | -45 | 100 при 25°С |
| У | 3 | +40 | -45 | 98 при 25°С |
| УХЛ | 4 | +35 | +1 | 80 при 25°С |
| Т | 2 | +50 | -10 | 100 при 25°С |
| ХЛ, УХЛ | 1,2 | +40 | -60 | 100 при 25°С |
Электродвигатели с нормальным КПД и электродвигатели с повышенным КПД (энергосберегающие), и соответственно обозначение класса энергетической эффективности по международному стандарту IEC 60034-30:
IE1 - "стандартный" класс КПД;
IE2 - "повышенный" класс КПД;
IE3 - "премиум" класс КПД;
IE4 - "суперпремиум" класс КПД.
Надёжность и мощь: крановые двигатели MTH, MTF, 4МТH и МТКН
Крановые двигатели играют ключевую роль в обеспечении бесперебойной работы подъемных механизмов. Модели MTH, MTF, 4МТH и МТКН зарекомендовали себя как надежные и долговечные решения. Эти двигатели предназначены для работы в условиях интенсивной нагрузки и обеспечивают высокую производительность. Они широко используются в промышленности, строительстве и складской логистике, где важна точность и устойчивость.
Двигатели MTH отличаются компактностью, что делает их идеальными для установки в ограниченных пространствах. При этом они сохраняют высокую мощность и устойчивость к перегреву, что особенно важно при длительной эксплуатации. Точные технические характеристики этих моделей позволяют минимизировать энергозатраты и снизить эксплуатационные расходы.
Серия MTF создавалась для работы в особо сложных условиях, таких как низкие или высокие температуры. Корпус двигателя устойчив к коррозии, а конструкция защищает от пыли и влаги, обеспечивая долгий срок службы. Эти двигатели находят применение на открытых площадках и в условиях высокой влажности.
Модель 4МТH это сочетание высокой производительности и низкого уровня шума. Такие двигатели подходят для предприятий, где важно обеспечить комфортное рабочее пространство для сотрудников. Они отличаются плавным ходом и повышенной точностью в управлении движением грузов.
Двигатели МТКН созданы для работы с большими грузами и рассчитаны на высокие нагрузки. Усиленная конструкция позволяет выдерживать пиковые нагрузки без снижения производительности. Их часто выбирают для металлургических и горнодобывающих предприятий, где требуется надежность и мощь.
Помимо высоких эксплуатационных характеристик, двигатели этих серий просты в обслуживании и ремонте. Это достигается за счёт модульной конструкции и доступности комплектующих на рынке. Техническое обслуживание не требует сложного оборудования, что снижает затраты и ускоряет ремонт.
Использование двигателей MTH, MTF, 4МТH и МТКН обеспечивает надежную работу подъемного оборудования в любых условиях. Они сочетают в себе передовые технологии, высокую мощность и долговечность, делая их идеальным выбором для профессионалов.

