Электродвигатели АИРП («птичники»)
Электродвигатели серии АИРП предназначены для привода вентиляторов, устанавливаемых в животноводческих и птицеводческих помещениях с искусственной вентиляцией. Могут быть использованы для работы вне помещений.
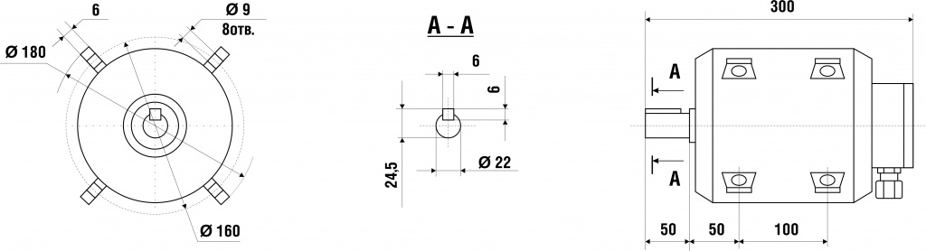
Частота вращения электродвигателей серии АИРП может регулироваться в диапазоне 1:6 для различных типов путем регулирования питания напряжения с помощью тиристорных преобразователей или автотрансформаторов. Электродвигатели устанавливаются на растяжках.
-
Степень защиты IP55;
-
Класс нагревостойкости изоляции F;
-
Климатическое исполнение и размещение - У2;
-
Режим работы S1 (продолжительный);
-
Монтажное исполнение IM 9241.
Декларация соответствия на электродвигатели ENERAL серии АИРП
| Тип | Рн, кВт | n, об/мин | КПД, % | cosф | Iн, А (U=380В) | Iп/Iн | Мп/Мн | Мm/Мн | Масса, кг |
|---|---|---|---|---|---|---|---|---|---|
| АИРП80А6 | 0,37 | 890 | 64 | 0,74 | 1,15 | 3,5 | 1,9 | 2,2 | 10,1 |
| АИРП80В6 | 0,55 | 890 | 63,5 | 0,77 | 1,63 | 3,5 | 1,9 | 2,2 | 11,1 |
* Указанная частота вращения (синхронная частота) является справочной характеристикой. Принимая во внимание принцип работы асинхронного электродвигателя, в результате механических потерь номинальная частота вращения всегда ниже синхронной. Данные отличия не влияют на эксплуатационные характеристики оборудования.
** Указанная масса электродвигателя является справочной характеристикой. Точная масса указана на паспортной табличке электродвигателя. Данные отличия не влияют на эксплуатационные характеристики оборудования.
Электродвигатели асинхронные трехфазные изготавливаются на номинальные напряжения: 380, 660, 220/380, 380/660В при частоте 50 Гц по ГОСТ IEC 60034-1-2014.
Возможно изготовление на другие номинальные напряжения и на частоту 60Гц, по согласованию с заказчиком.
Однофазные двигатели предназначены для работы от сети переменного тока напряжением 220 В частотой 50 Гц.
Степень защиты обозначается IP…по ГОСТ IEC 60034-5-2011.
Для примера обозначение IP55 это электродвигатель, защищенный от пыли и водяных струй со всех направлений.
Электродвигатели общепромышленного назначения могут работать в различных режимах в соответствии с ГОСТ IEC 60034-1-2014 и обозначается S…(1, 2, 3, 4, 5, 6, 7, 8), где:
S1 – продолжительный режим работы
S2 – кратковременный режим работы
S3 – периодический повторно-кратковременный режим работы
S4 – периодический повторно-кратковременный режим работы с влиянием пусковых процессов
S5 – периодический повторно-кратковременный режим работы с влиянием пусковых процессов и электрическим торможением
S6 – перемежающийся режим работы
S7 – периодический перемежающийся режим работы с влиянием пусковых процессов и электрическим торможением
S8 – периодический перемежающийся режим работы с периодически меняющейся частотой вращения
Двигатели могут использоваться в макроклиматических районах с климатом в условиях определяемых категориями размещения по ГОСТ 15150-69.
Климатические факторы
| Климатическое исполнение | Категория размещения | Верхнее значение рабочей температуры, °С | Нижнее значение рабочей температуры,°С | Максимальное значение относительной влажности, % |
|---|---|---|---|---|
| У | 1,2 | +40 | -45 | 100 при 25°С |
| У | 3 | +40 | -45 | 98 при 25°С |
| УХЛ | 4 | +35 | +1 | 80 при 25°С |
| Т | 2 | +50 | -10 | 100 при 25°С |
| ХЛ, УХЛ | 1,2 | +40 | -60 | 100 при 25°С |
Электродвигатели с нормальным КПД и электродвигатели с повышенным КПД (энергосберегающие), и соответственно обозначение класса энергетической эффективности по международному стандарту IEC 60034-30:
IE1 - "стандартный" класс КПД;
IE2 - "повышенный" класс КПД;
IE3 - "премиум" класс КПД;
IE4 - "суперпремиум" класс КПД.

