Взрывозащищенные электродвигатели ВАО, 1ВАО
Двигатели асинхронные с короткозамкнутым ротором взрывозащищенные серий ВАО, 1ВАО (серии имеют одинаковые конструктивные особенности и технические характеристики) закрытого исполнения предназначены для привода механизмов внутренних и наружных установок, которые эксплуатируются во взрывоопасных зонах, где могут образоваться взрывоопасные смеси газов и паров категорий IIB по ГОСТ 30852.11-2002 и группе Т4 по классификации ГОСТ 30852.5-2002, в соответствии с требованиями ГОСТ 30852.13-2002, ГОСТ 30852.14-2002 и ПУЭ (глава 7.3). Применяются на производствах химической, газовой, нефтеперерабатывающей и других смежных отраслей промышленности, в которых возможно образование взрывоопасных паров и газовоздушных смесей.
Двигатели допускают эксплуатацию при высоте до 4300 м над уровнем моря. Электродвигатели сохраняют прочность и работоспособность во время и после сейсмического воздействия 10 баллов по MSK-64.
Двигатели имеют маркировку 1ExdIIBT4 по ГОСТ 30852.0-2002. Вид взрывозащиты – «взрывонепроницаемая оболочка» с высокой степенью механической прочности по ГОСТ 30852.1-2002. Максимальная температура наружной поверхности оболочки не превышает 135°С.
СТАНДАРТНОЕ ИСПОЛНЕНИЕ
-
Степень пылевлагозащиты двигателя - IP55. Степень пылевлагозащиты кожуха вентилятора: со стороны входа воздуха - IP20, со стороны выхода воздуха - IP10 по ГОСТ 14254-96;
-
Режим работы - S1;
-
Питание от сети переменного тока 50 Гц напряжением 220/380В, 380В, 380/660В;
-
Климатическое исполнение и категория размещения У2, УХЛ2, Т2;
-
Использование эмаль провода класса изоляции F (155 °С) или H (180 °С);
-
Датчики температурной защиты обмоток статора (в стандартном исполнении от 160 габарита).
МОДИФИКАЦИИ
-
Естественный способ охлаждения без дополнительного обдува (система охлаждения IC0041 по ГОСТ Р МЭК 60034-6-2012);
-
Подготовка для работы в составе ЧРП без применения независимой вентиляции: изоляция класса N, выдерживающая перегрев до 200 °C, и токоизолированный подшипник;
-
Установка подшипников повышенной прочности;
-
Установка дополнительных коробок выводов для подключения датчиков температуры обмоток для габаритов 315-355;
-
Установка дополнительных площадок для подключения датчиков вибрации и аппаратуры КИПиА на корпусе электродвигателя;
-
Установка датчиков удара, энкодеров, контроллеров;
-
Удлиненный вал (по чертежам заказчика);
-
Использование эмаль провода класса изоляции N (200 °С) или R (220 °С);
-
Использование специальных окрасочных материалов и схем окраски.
Сертификат соответствия на взрывозащищённые электродвигатели ENERAL серии ВАО
| Тип | Ток | Мощность | Частота вращения* | КПД | Cosφ | Мп/Mн | Мm/Мн | Iп/Iн | Масса** | |
|---|---|---|---|---|---|---|---|---|---|---|
| 380(A) | 660(A) | кВт | об/мин | % | кг | |||||
| Электродвигатель ВАО250S2 | 135,00 | 77,73 | 75 кВт |
2975 об/мин |
93,6 | 0,90 | 2,0 | 2,3 | 7,0 | 450 |
| Электродвигатель BAO250M2 | 160,00 | 92,12 | 90 кВт | 2975 об/мин | 93,9 | 0,91 | 2,0 | 2,3 | 7,1 | 530 |
| Электродвигатель BAO250S4 | 138,30 | 79,63 | 75 кВт | 1480 об/мин | 93,6 | 0,88 | 2,2 | 2,3 | 6,8 | 450 |
| Электродвигатель BAO250M4 | 165,50 | 95,29 | 90 кВт | 1480 об/мин | 93,9 | 0,88 | 2,2 | 2,3 | 6,8 | 495 |
| Электродвигатель BAO250S6 | 86,00 | 28,67 | 45 кВт | 980 об/мин | 92,5 | 0,86 | 2,1 | 2,0 | 7,0 | 465 |
| Электродвигатель BAO250M6 | 104,00 | 34,67 | 55 кВт | 980 об/мин | 92,8 | 0,86 | 2,1 | 2,0 | 7,0 | 520 |
| Электродвигатель BAO250S8 | 78,00 | 44,91 | 37 кВт | 740 об/мин | 91,5 | 0,79 | 1,9 | 2,0 | 6,6 | 465 |
| Электродвигатель BAO250M8 | 94,00 | 54,12 | 45 кВт | 740 об/мин | 92,0 | 0,79 | 1,9 | 2,0 | 6,6 | 520 |
| Электродвигатель ВАО280S2 | 195,00 | 112,27 | 110 кВт | 2975 об/мин | 94,0 | 0,91 | 1,8 | 2,2 | 7,1 | 650 |
| Электродвигатель BAO280M2 | 233,00 | 134,15 | 132 кВт | 2975 об/мин | 94,5 | 0,91 | 1,8 | 2,2 | 7,1 | 745 |
| Электродвигатель BAO280S4 | 201,00 | 115,73 | 110 кВт | 1480 об/мин | 94,5 | 0,88 | 2,1 | 2,2 | 6,9 | 650 |
| Электродвигатель BAO280M4 | 240,00 | 138,18 | 132 кВт | 1480 об/мин | 94,8 | 0,88 | 2,1 | 2,2 | 6,9 | 745 |
| Электродвигатель BAO280S6 | 142,00 | 81,76 | 75 кВт | 985 об/мин | 93,5 | 0,86 | 2,0 | 2,0 | 6,7 | 635 |
| Электродвигатель BAO280M6 | 169,00 | 97,30 | 90 кВт | 985 об/мин | 93,8 | 0,86 | 2,0 | 2,0 | 6,7 | 740 |
| Электродвигатель BAO280S8 | 111,00 | 63,91 | 55 кВт | 740 об/мин | 92,8 | 0,81 | 1,8 | 2,0 | 6,6 | 635 |
| Электродвигатель BAO280M8 | 150,00 | 86,36 | 75 кВт | 740 об/мин | 93,5 | 0,81 | 1,8 | 2,0 | 6,2 | 740 |
| Электродвигатель ВАО315S2 | 279,00 | 160,64 | 160 кВт | 2975 об/мин | 94,6 | 0,92 | 1,8 | 2,2 | 7,1 | 1170 |
| Электродвигатель BAO315M2 | 348,00 | 200,36 | 200 кВт | 2975 об/мин | 94,8 | 0,92 | 1,8 | 2,2 | 7,1 | 1460 |
| Электродвигатель BAO315S4 | 288,00 | 165,82 | 160 кВт | 1480 об/мин | 94,9 | 0,89 | 2,1 | 2,2 | 6,9 | 1120 |
| Электродвигатель BAO315M4 | 360,00 | 207,27 | 200 кВт | 1480 об/мин | 94,9 | 0,89 | 2,1 | 2,2 | 6,9 | 1385 |
| Электродвигатель BAO315S6 | 207,00 | 119,18 | 110 кВт | 985 об/мин | 94,0 | 0,86 | 2,0 | 2,0 | 6,7 | 1050 |
| Электродвигатель BAO315M6 | 245,00 | 141,06 | 132 кВт | 985 об/мин | 94,2 | 0,87 | 2,0 | 2,0 | 6,7 | 1210 |
| Электродвигатель BAO315S8 | 178,00 | 102,48 | 90 кВт | 740 об/мин | 93,8 | 0,82 | 1,8 | 2,0 | 6,4 | 1050 |
| Электродвигатель BAO315M8 | 217,00 | 124,94 | 110 кВт | 740 об/мин | 94,0 | 0,82 | 1,8 | 2,0 | 6,4 | 1210 |
| Электродвигатель ВАО355S2 | 433,00 | 249,30 | 250 кВт | 2980 об/мин | 95,2 | 0,92 | 1,6 | 2,2 | 7,1 | 1900 |
| Электродвигатель BAO355M2 | 545,00 | 313,79 | 315 кВт | 2980 об/мин | 95,4 | 0,92 | 1,6 | 2,2 | 7,1 | 2300 |
| Электродвигатель BAO355S4 | 443,00 | 255,06 | 250 кВт | 1490 об/мин | 95,2 | 0,90 | 2,1 | 2,2 | 6,9 | 1820 |
| Электродвигатель BAO355M4 | 559,00 | 321,85 | 315 кВт | 1490 об/мин | 95,2 | 0,90 | 2,1 | 2,2 | 6,9 | 2243 |
| Электродвигатель BAO355S6 | 292,00 | 168,12 | 160 кВт | 990 об/мин | 94,5 | 0,88 | 1,9 | 2,0 | 6,7 | 1625 |
| Электродвигатель BAO355MA6 | 365,00 | 210,15 | 200 кВт | 990 об/мин | 94,5 | 0,88 | 1,9 | 2,0 | 6,7 | 1781 |
| Электродвигатель BAO355MB6 | 457,00 | 263,12 | 250 кВт | 990 об/мин | 94,5 | 0,88 | 1,9 | 2,0 | 6,7 | 1810 |
| Электродвигатель BAO355S8 | 261,00 | 150,27 | 132 кВт | 740 об/мин | 93,7 | 0,82 | 1,8 | 2,0 | 6,4 | 2080 |
| Электродвигатель BAO355MA8 | 315,00 | 181,36 | 160 кВт | 740 об/мин | 94,2 | 0,82 | 1,8 | 2,0 | 6,4 | 2225 |
| Электродвигатель BAO355MB8 | 387,00 | 222,82 | 200 кВт | 740 об/мин | 94,5 | 0,83 | 1,8 | 2,0 | 6,4 | 2372 |
* Указанная частота вращения (синхронная частота) является справочной характеристикой. Принимая во внимание принцип работы асинхронного электродвигателя, в результате механических потерь номинальная частота вращения всегда ниже синхронной. Данные отличия не влияют на эксплуатационные характеристики оборудования.
** Указанная масса электродвигателя является справочной характеристикой. Точная масса указана на паспортной табличке электродвигателя. Данные отличия не влияют на эксплуатационные характеристики оборудования.
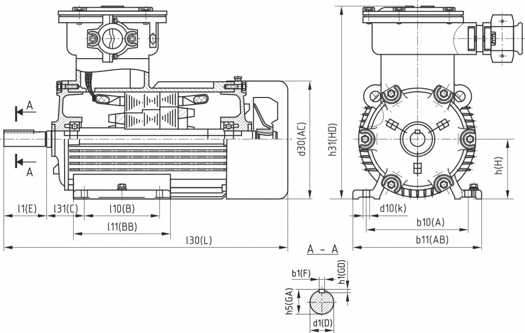
Конструктивное исполнение IM1081
|
Тип |
Габаритные размеры | Установочные и присоединительные размеры | |||||||||||||||
|---|---|---|---|---|---|---|---|---|---|---|---|---|---|---|---|---|---|
| l30 | h31 | d30 | b31 | b10 | b11 | l10 | l11 | l31 | d1 | l1 | b1 | h5 | h1 | h | d10 | b31 | |
| L | HD | AC | AD | A | AB | B | BB | C | D | E | F | GA | GD | H | K | HA | |
| ВАО250S-2 | 980 | 682 | 490 | 420 | 406 | 490 | 311 | 420 | 168 | 65 | 140 | 18 | 69 | 11 | 250 | 24 | 30 |
| ВАО250M-2 | 980 | 682 | 490 | 420 | 406 | 490 | 349 | 420 | 168 | 65 | 140 | 18 | 69 | 11 | 250 | 24 | 30 |
| ВАО250S4,6,8 | 980 | 682 | 490 | 420 | 406 | 490 | 311 | 420 | 168 | 75 | 140 | 20 | 79,5 | 12 | 250 | 24 | 30 |
| ВАО250M4,6,8 | 980 | 682 | 490 | 420 | 406 | 490 | 349 | 420 | 168 | 75 | 140 | 20 | 79,5 | 12 | 250 | 24 | 30 |
| ВАО280S2 | 1080 | 730 | 550 | 440 | 457 | 540 | 368 | 438 | 190 | 75 | 140 | 20 | 79,5 | 12 | 280 | 24 | 35 |
| ВАО280M2 | 1080 | 730 | 550 | 440 | 457 | 540 | 419 | 438 | 190 | 75 | 140 | 20 | 79,5 | 12 | 280 | 24 | 35 |
| BAO280S4,6,8 | 1110 | 730 | 550 | 440 | 457 | 540 | 368 | 489 | 190 | 80 | 170 | 22 | 85 | 14 | 280 | 24 | 35 |
| BAO280M4,6,8 | 1110 | 730 | 550 | 440 | 457 | 540 | 368 | 489 | 190 | 80 | 170 | 22 | 85 | 14 | 280 | 24 | 35 |
| ВАО315S2 | 1280 | 910 | 630 | 575 | 508 | 628 | 457 | 550 | 216 | 75 | 140 | 20 | 79,5 | 12 | 315 | 28 | 45 |
| ВАО315M2 | 1280 | 910 | 630 | 575 | 508 | 628 | 457 | 550 | 216 | 75 | 140 | 20 | 79,5 | 12 | 315 | 28 | 45 |
| BAO315S4,6,8 | 1400 | 910 | 630 | 575 | 508 | 628 | 457 | 680 | 216 | 90 | 170 | 25 | 95 | 14 | 315 | 28 | 45 |
| ВАО315M4,6,8 | 1400 | 910 | 630 | 575 | 508 | 628 | 457 | 680 | 216 | 90 | 170 | 25 | 95 | 14 | 315 | 28 | 45 |
| ВАО355S2 | 1550 | 1050 | 700 | 640 | 610 | 726 | 500 | 636 | 216 | 85 | 170 | 22 | 90 | 14 | 355 | 28 | 45 |
| ВАО355M2 | 1550 | 1050 | 700 | 640 | 610 | 726 | 560 | 636 | 216 | 85 | 170 | 22 | 90 | 14 | 355 | 28 | 45 |
| ВАО355S4,6,8,10 | 1630 | 1050 | 700 | 640 | 610 | 726 | 500 | 696 | 216 | 100 | 210 | 28 | 106 | 16 | 355 | 28 | 45 |
| ВАО355M4,6,8,10 | 1630 | 1050 | 700 | 640 | 610 | 726 | 560 | 696 | 216 | 100 | 210 | 28 | 106 | 16 | 355 | 28 | 45 |
| ВАО355L | 1740 | 1050 | 700 | 640 | 610 | 726 | 630 | 766 | 254 | 100 | 210 | 28 | 106 | 16 | 355 | 28 | 45 |
ВАЖНО: указанные размеры являются справочной характеристикой. Производственная группа ЭНЕРАЛ имеет право вносить изменения в конструкцию электродвигателя, в результате чего фактические габаритные и присоединительные размеры могут отличаться от значений в каталоге или на сайте. Данные отличия не влияют на эксплуатационные характеристики оборудования.


*Сторона привода.
** Малый фланец - щит с отверстиями в корпусе электродвигателя. Крепление к оборудованию винтами.
В зависимости от габарита электродвигателя некоторые монтажные исполнения могут быть недоступны.
Возможно производство электродвигателей в других монтажных исполнениях, не указанных в таблице.
Электродвигатели асинхронные трехфазные изготавливаются на номинальные напряжения: 380, 660, 220/380, 380/660В при частоте 50 Гц по ГОСТ IEC 60034-1-2014.
Возможно изготовление на другие номинальные напряжения и на частоту 60Гц, по согласованию с заказчиком.
Однофазные двигатели предназначены для работы от сети переменного тока напряжением 220 В частотой 50 Гц.
Степень защиты обозначается IP…по ГОСТ IEC 60034-5-2011.
Для примера обозначение IP55 это электродвигатель, защищенный от пыли и водяных струй со всех направлений.
Электродвигатели общепромышленного назначения могут работать в различных режимах в соответствии с ГОСТ IEC 60034-1-2014 и обозначается S…(1, 2, 3, 4, 5, 6, 7, 8), где:
S1 – продолжительный режим работы
S2 – кратковременный режим работы
S3 – периодический повторно-кратковременный режим работы
S4 – периодический повторно-кратковременный режим работы с влиянием пусковых процессов
S5 – периодический повторно-кратковременный режим работы с влиянием пусковых процессов и электрическим торможением
S6 – перемежающийся режим работы
S7 – периодический перемежающийся режим работы с влиянием пусковых процессов и электрическим торможением
S8 – периодический перемежающийся режим работы с периодически меняющейся частотой вращения
Двигатели могут использоваться в макроклиматических районах с климатом в условиях определяемых категориями размещения по ГОСТ 15150-69.
Климатические факторы
| Климатическое исполнение | Категория размещения | Верхнее значение рабочей температуры, °С | Нижнее значение рабочей температуры,°С | Максимальное значение относительной влажности, % |
|---|---|---|---|---|
| У | 1,2 | +40 | -45 | 100 при 25°С |
| У | 3 | +40 | -45 | 98 при 25°С |
| УХЛ | 4 | +35 | +1 | 80 при 25°С |
| Т | 2 | +50 | -10 | 100 при 25°С |
| ХЛ, УХЛ | 1,2 | +40 | -60 | 100 при 25°С |
Электродвигатели с нормальным КПД и электродвигатели с повышенным КПД (энергосберегающие), и соответственно обозначение класса энергетической эффективности по международному стандарту IEC 60034-30:
IE1 - "стандартный" класс КПД;
IE2 - "повышенный" класс КПД;
IE3 - "премиум" класс КПД;
IE4 - "суперпремиум" класс КПД.
Электродвигатели серий ВАО и 1ВАО – это надежные асинхронные двигатели, специально разработанные для работы в условиях повышенной взрывоопасности. Они применяются в таких отраслях, как нефтегазовая промышленность, химическое производство, горнодобывающий сектор и другие области, где важно обеспечить безопасность работы оборудования.
Основная задача взрывозащищенных двигателей – предотвращение возгорания и минимизация рисков, связанных с искрообразованием или перегревом. Асинхронные двигатели ВАО и 1ВАО идеально подходят для эксплуатации в сложных условиях, где требуется стабильная работа при различной частоте и подачах разного напряжения.
Благодаря своей конструкции, эти двигатели обеспечивают надежность работы в опасных средах и соответствуют самым строгим требованиям безопасности. В сочетании с системами управления и трансформаторами, двигатели ВАО и 1ВАО позволяют эффективно решать задачи по автоматизации производственных процессов.
Основные преимущества электродвигателей ВАО, 1ВАО перед аналогами
Одно из ключевых достоинств двигателей ВАО и 1ВАО – их способность стабильно работать при различных показателях частоты. Это особенно важно для объектов, где точное регулирование скорости и нагрузки является критическим фактором. Современные асинхронные двигатели этих серий обеспечивают высокий КПД даже при нестабильном напряжении, что делает их универсальными для применения в самых разных условиях.
Асинхронные двигатели ВАО и 1ВАО выделяются следующими преимуществами:
-
Широкий диапазон частоты работы. Это позволяет использовать их с разными параметрами сети, а также эффективно интегрировать с трансформаторами для адаптации к специфическим требованиям производства.
-
Устойчивость к перепадам напряжения. Они сохраняют стабильную работу, что особенно важно в условиях нестабильной энергоснабжающей инфраструктуры.
-
Высокая степень взрывозащиты. Двигатели отвечают международным стандартам и исключают риск возгорания, что делает их незаменимыми на объектах с повышенными требованиями к безопасности.
-
Простота интеграции с системами управления. Возможность работы с современными преобразователями частоты и трансформаторами повышает их универсальность.
-
Надежность и долговечность. Благодаря качественным материалам и проработанной конструкции, двигатели сохраняют свои эксплуатационные характеристики даже в сложных условиях.
Асинхронные двигатели ВАО и 1ВАО выгодно отличаются от аналогов стабильной работой при нестабильных параметрах сети. Они поддерживают оптимальный режим работы при изменении частоты, что позволяет исключить перегрузки и продлить срок службы оборудования.
Использование взрывозащищенных асинхронных двигателей совместно с качественными трансформаторами делает их идеальным решением для безопасной и эффективной работы в любой отрасли. Уникальная способность этих двигателей адаптироваться к разным уровням напряжения и поддерживать стабильные характеристики на всех этапах работы обеспечивает их популярность среди промышленных предприятий.
Выбирая двигатели ВАО или 1ВАО, вы получаете надежность, безопасность и эффективность, которые помогут вам успешно решить производственные задачи в сложных и опасных условиях.
