Коническо-цилиндрические редукторы
Преимущества коническо-цилиндрических редукторов ENERAL:
Работают эффективно:
Точное зубчатое сцепление обеспечивается:
-
устойчивостью вала к деформации от радиальной нагрузки – снижается вероятность нарушения зацепления конической пары;
-
повышенной степенью точности механической обработки валов и колес;
-
тонкой регулировкой редуктора.
Долговечны:
Валы с резьбой выполнены из цементируемой легированной конструкционной стали марки 40Х. Такая сталь предназначена для изделий, работающих в условиях износа при трении, которым важна высокая степень поверхностной твердости. Посадочные поверхности вала шлифуют и полируют. В свою очередь, высокая степень твердости и гладкости поверхностей витков вала защищает зубья колес от появления микротрещин.
Косозубые колеса изготавливаются из конструкционной легированной стали марки 18ХГТ, которая отличается высокой поверхностной твердостью и вязкостью сердцевины. Затем колеса подвергаются карбонизации и нитрированию. В результате мы подучаем колеса, выдерживающие воздействие ударных нагрузок, а сочетание прочности и податливости материала обеспечивает равномерное распределение нагрузки по колесу.
Усиленные подшипники позволяют редуктору длительное время выдерживать радиальные нагрузки на валу.
Призматическая шпонка со скруглёнными концами (рекомендованная ГОСТ 233360-78) обеспечивает надёжную фиксацию приводимого механизма на валу редуктора.
Корпус редуктора изготавливается из чугуна по технологии литья под давлением. Это снижает пористость и повышает плотность литья. Поэтому, по сравнению с другими технологиями литья, уровень механической прочности корпусных деталей выше.
Многослойное лакокрасочное покрытие редуктора позволяет эксплуатировать его на открытом воздухе, не опасаясь коррозии.
Заменяют импортные, устаревшие или снятые с производства редукторы.
Универсальные присоединительные размеры и соответствие технических характеристик редукторам марки SEW Eurodrive, Motovario, Bonfiglioli, SITI делает редукторы ENERAL выгодной альтернативой для замены. Коническо-цилиндрические редукторы ENERAL изготавливаются в соответствии с требованиями ГОСТ 31592-2012.
Гарантия - 12 месяцев с даты ввода в эксплуатацию, но не более 18 месяцев с даты продажи.

*Редукторы комплектуются двигателями фланцевого или комбинированного исполнения стандарта DIN или ГОСТ.
| Варианты исполнения | KC.. | Исполнение редуктор с винтовым спиральным зубчатым колесом на лапах |
|---|---|---|
| KCA..B | Исполнение на лапах с пустотелым валом | |
| KCH..B | Исполнение на лапах с пустотелым валом, с усадочным диском | |
| KCV..B | Исполнение на лапах с пустотелым валом и шпонкой | |
| KCF.. | Исполнение B5 фланцевое | |
| KCAF.. | Исполнение B5 фланцевое с пустотелым валом | |
| KCHF.. | Исполнение B5 фланцевое с пустотелым валом, с усадочным диском | |
| KCVF.. | Исполнение B5 фланцевое с пустотелым валом и шпонкой | |
| KCA.. | Исполнение с пустотелым валом | |
| KCH.. | Исполнение с пустотелым валом с усадочным диском | |
| KCV.. | Исполнение с пустотелым валом, с усадочным диском | |
| KCAZ.. | Исполнение B14 фланцевое с пустотелым валом | |
| KCHZ.. | Исполнение B14 фланцевое с пустотелым валом, с усадочным диском | |
| KCVZ.. | Исполнение B14 фланцевое с пустотелым валом и шпонкой | |
| KC..RC.. | Объединенный тип исполнения | |
| Габарит | KC.. | 37, 47, 57, 67, 77, 87, 97, 107, 127, 157, 167, 187 |
| KC..RC.. |
187/107, 187/97, 167/107, 167/97, 157/107, 157/97, 127/87, 127/77, 107/77, 97/57, 87/57, 77/73, 67/37, 57/37, 47/37, 37/17 |
|
| Передаточное число | KC.. | 5.31, ... ,179.86 |
| KC..RC.. | 94, ... ,32625 | |
| Мощность электродвигателя | 0.12, ... ,200 кВт | |
|
Положение мотор-редуктора |
M1, M2, M3, M4, M5, M6 | |
|
Положение клеммной коробки электродвигателя |
R(0°C) | |
| B(90°C) | ||
| L(180°C) | ||
| T(270°C) | ||
Пункты 1 - 5 и 52 относятся к электродвигателю
|
Габарит редуктора |
Тип входного вала |
Передаточное число | G1 | K1 | D1 | L1 | L2 | L3 | Т1 | U1 | М |
|---|---|---|---|---|---|---|---|---|---|---|---|
| 37 | AD1 | 35.57 - 106.38 | 102 | 16 | 40 | 32 | 4 | 18 | 5 | М5 | |
| AD2 | 5.36 - 29.96 | 130 | 19 | 40 | 32 | 4 | 21.5 | 6 | М6 | ||
| 47 | AD2 | 9.10 - 131.87 | 160 | 123 | 19 | 40 | 32 | 4 | 21.5 | 6 | М6 |
| AD3 | 5.81 - 8.56 | 159 | 24 | 50 | 40 | 5 | 27 | 8 | М8 | ||
| 57 | AD2 | 17.57 - 145.14 | 160 | 123 | 19 | 40 | 32 | 4 | 21.5 | 6 | М6 |
| AD3 | 6.57 - 15.22 | 159 | 24 | 50 | 40 | 5 | 27 | 8 | М8 | ||
| 67 | AD2 | 35.62 - 144.79 | 123 | 19 | 40 | 32 | 4 | 21.5 | 6 | М6 | |
| AD3 | 7.28 - 30.22 | 159 | 24 | 50 | 40 | 5 | 27 | 8 | М8 | ||
| 77 | AD2 | 30.89 - 40.04 | 200 | 116 | 19 | 40 | 32 | 4 | 21.5 | 6 | М6 |
| AD3 | 30.89 - 40.04 | 151 | 24 | 50 | 40 | 5 | 27 | 8 | М8 | ||
| AD4 | 7.24 - 29.27 | 224 | 38 | 80 | 70 | 5 | 41 | 10 | М12 | ||
| 87 | AD2 | 86.34 - 197.37 | 250 | 111 | 19 | 40 | 32 | 4 | 21.5 | 6 | М6 |
| AD3 | 36.52 - 79.34 | 156 | 28 | 60 | 50 | 5 | 31 | 8 | М10 | ||
| AD4 | 11.17 - 31.39 | 219 | 38 | 80 | 70 | 5 | 41 | 10 | М12 | ||
| AD5 | 7.21 - 10.00 | 292 | 42 | 110 | 70 | 10 | 45 | 12 | М16 | ||
| 97 | AD3 | 70.54 - 176.05 | 300 | 151 | 28 | 60 | 50 | 5 | 31 | 8 | М10 |
| AD4 | 41.87 - 62.55 | 214 | 38 | 80 | 70 | 5 | 41 | 10 | М12 | ||
| AD5 | 16.56 - 38.30 | 278 | 42 | 110 | 70 | 10 | 45 | 12 | М16 | ||
| AD6 | 11.99 - 13.85, 8.71 | 327 | 48 | 110 | 80 | 10 | 51.5 | 14 | М16 | ||
| 107 | AD3 | / | 350 | 145 | 28 | 60 | 50 | 5 | 31 | 8 | М10 |
| AD4 | 49.90 - 143.47 | 208 | 38 | 80 | 70 | 5 | 41 | 10 | М12 | ||
| AD5 | 31.28 - 42.33 | 218 | 42 | 110 | 70 | 10 | 45 | 12 | М16 | ||
| AD6 | 8.69 - 29.00 | 321 | 48 | 110 | 80 | 10 | 51.5 | 14 | М20 | ||
| 127 | AD4 | 110.18 - 146.07 | 450 | 193 | 38 | 80 | 70 | 5 | 41 | 10 | М20 |
| AD5 | 47.82 - 89.89 | 266 | 42 | 110 | 70 | 10 | 45 | 12 | М12 | ||
| AD6 | 40.19 | 306 | 48 | 110 | 80 | 10 | 51.5 | 14 | М16 | ||
| AD7 | 23.91 - 36.25 | 300 | 55 | 110 | 90 | 10 | 59 | 16 | М16 | ||
| AD8 | 8.68 - 21.15 | 383 | 70 | 140 | 110 | 15 | 74.5 | 20 | М20 | ||
| 157 | AD5 | 61.02 - 150.41 | 550 | 258 | 42 | 110 | 70 | 10 | 45 | 12 | М16 |
| AD6 | 54.29 | 298 | 48 | 110 | 80 | 10 | 51.5 | 14 | М16 | ||
| AD7 | 38.02-46.79 | 292 | 55 | 110 | 90 | 10 | 59 | 16 | М20 | ||
| AD8 | 12.65 - 31.30 | 374 | 70 | 140 | 110 | 15 | 74.5 | 20 | М20 | ||
| 167 | AD5 | 164.50 | 258 | 42 | 110 | 70 | 10 | 45 | 12 | М16 | |
| AD6 | 109.83 - 134.99 | 298 | 48 | 110 | 80 | 10 | 51.5 | 14 | М16 | ||
| AD7 | 60.74 - 87.86 | 292 | 55 | 110 | 90 | 10 | 59 | 16 | М20 | ||
| AD8 | 17.34 - 51.77 | 374 | 70 | 140 | 110 | 15 | 74.5 | 20 | М20 | ||
| 187 | AD5 | / | 258 | 42 | 110 | 70 | 10 | 45 | 12 | М16 | |
| AD6 | 144.59 - 179.86 | 298 | 48 | 110 | 80 | 10 | 51.5 | 14 | М16 | ||
| AD7 | 102.16 - 129.69 | 292 | 55 | 110 | 90 | 10 | 59 | 16 | М20 | ||
| AD8 | 17.18 - 88.00 | 374 | 70 | 140 | 110 | 15 | 74.5 | 20 | М20 |
|
Габарит редуктора |
Тип фланца |
G2 | K2 | d1 | d2 | d3 | d4 | f | r | t | L | M |
|---|---|---|---|---|---|---|---|---|---|---|---|---|
| KC37 | IEC63B5 | 120 | 63 | 11 | 95 | 115 | 140 | 5 | 4 | 12.8 | 23 | 10 |
| IEC71B5 | 63 | 14 | 110 | 130 | 160 | 5 | 5 | 16.3 | 30 | 10 | ||
| IEC80B5 | 85 | 19 | 130 | 165 | 200 | 5 | 6 | 21.8 | 40 | 12 | ||
| IEC90B5 | 85 | 24 | 130 | 165 | 200 | 5 | 8 | 27.3 | 50 | 12 | ||
| KC47/57/67 | IEC63B5 | 160 | 61 | 11 | 95 | 115 | 140 | 5 | 4 | 12.8 | 23 | 10 |
| IEC71B5 | 61 | 14 | 110 | 130 | 160 | 5 | 5 | 16.3 | 30 | 10 | ||
| IEC80B5 | 90 | 19 | 130 | 165 | 200 | 5 | 6 | 21.8 | 40 | 12 | ||
| IEC90B5 | 90 | 24 | 130 | 165 | 200 | 5 | 8 | 27.3 | 50 | 12 | ||
| IEC100/112B5 | 88 | 28 | 180 | 215 | 250 | 5 | 8 | 31.3 | 60 | 15 | ||
| KC77 | IEC63B5 | 200 | 62 | 11 | 95 | 115 | 140 | 5 | 4 | 12.8 | 23 | 10 |
| IEC71B5 | 62 | 14 | 110 | 130 | 160 | 5 | 5 | 16.3 | 30 | 10 | ||
| IEC80B5 | 80 | 19 | 130 | 165 | 200 | 5 | 6 | 21.8 | 40 | 12 | ||
| IEC90B5 | 80 | 24 | 130 | 165 | 200 | 5 | 8 | 27.3 | 50 | 12 | ||
| IEC100/112B5 | 86 | 28 | 180 | 215 | 250 | 5 | 8 | 31.3 | 60 | 15 | ||
| IEC132B5 | 108 | 38 | 230 | 265 | 300 | 5 | 10 | 41.3 | 80 | 15 | ||
| KC87 | IEC80B5 | 250 | 85 | 19 | 130 | 165 | 200 | 5 | 6 | 21.8 | 40 | 12 |
| IEC90B5 | 85 | 24 | 130 | 165 | 200 | 5 | 8 | 27.3 | 50 | 12 | ||
| IEC100/112B5 | 92 | 28 | 180 | 215 | 250 | 5 | 8 | 31.3 | 60 | 15 | ||
| IEC132B5 | 128 | 38 | 230 | 265 | 300 | 5 | 10 | 41.3 | 80 | 15 | ||
| IEC160B5 | 150 | 42 | 250 | 300 | 350 | 7 | 12 | 45.3 | 110 | 19 | ||
| IEC180B5 | 150 | 48 | 250 | 300 | 350 | 7 | 14 | 51.8 | 110 | 19 | ||
| KC97 | IEC100/112B5 | 300 | 100 | 28 | 180 | 215 | 250 | 5 | 8 | 31.3 | 60 | 15 |
| IEC132B5 | 120 | 38 | 230 | 265 | 300 | 5 | 10 | 41.3 | 80 | 15 | ||
| IEC160B5 | 150 | 42 | 250 | 300 | 350 | 7 | 12 | 45.3 | 110 | 19 | ||
| IEC180B5 | 150 | 48 | 250 | 300 | 350 | 7 | 14 | 51.8 | 110 | 19 | ||
| IEC200B5 | 150 | 55 | 300 | 350 | 400 | 8 | 16 | 59.3 | 110 | 19 | ||
| IEC225B5 | 180 | 60 | 350 | 400 | 450 | 8 | 18 | 64.4 | 140 | 19 | ||
| KC107 | IEC100/112B5 | 350 | 80 | 28 | 180 | 215 | 250 | 5 | 8 | 31.3 | 60 | 15 |
| IEC132B5 | 119 | 38 | 230 | 265 | 300 | 5 | 10 | 41.3 | 80 | 15 | ||
| IEC160B5 | 150 | 42 | 250 | 300 | 350 | 7 | 12 | 45.3 | 110 | 19 | ||
| IEC180B5 | 150 | 48 | 250 | 300 | 350 | 7 | 14 | 51.8 | 110 | 19 | ||
| IEC200B5 | 170 | 55 | 300 | 350 | 400 | 8 | 16 | 59.3 | 110 | 19 | ||
| IEC225B5 | 200 | 60 | 350 | 400 | 450 | 8 | 18 | 64.4 | 140 | 19 | ||
| KC127 | IEC132B5 | 450 | 123 | 38 | 230 | 265 | 300 | 5 | 10 | 41.3 | 80 | 15 |
| IEC160B5 | 206 | 42 | 250 | 300 | 350 | 7 | 12 | 45.3 | 110 | 19 | ||
| IEC180B5 | 206 | 48 | 250 | 300 | 350 | 7 | 14 | 51.8 | 110 | 19 | ||
| IEC200B5 | 206 | 55 | 300 | 350 | 400 | 8 | 16 | 59.3 | 110 | 19 | ||
| IEC225B5 | 197 | 60 | 350 | 400 | 450 | 8 | 18 | 64.4 | 140 | 19 | ||
| IEC250B5 | 220 | 65 | 450 | 500 | 550 | 10 | 18 | 69.4 | 140 | 19 | ||
| IEC280B5 | 220 | 75 | 450 | 500 | 550 | 10 | 20 | 79.9 | 140 | 19 | ||
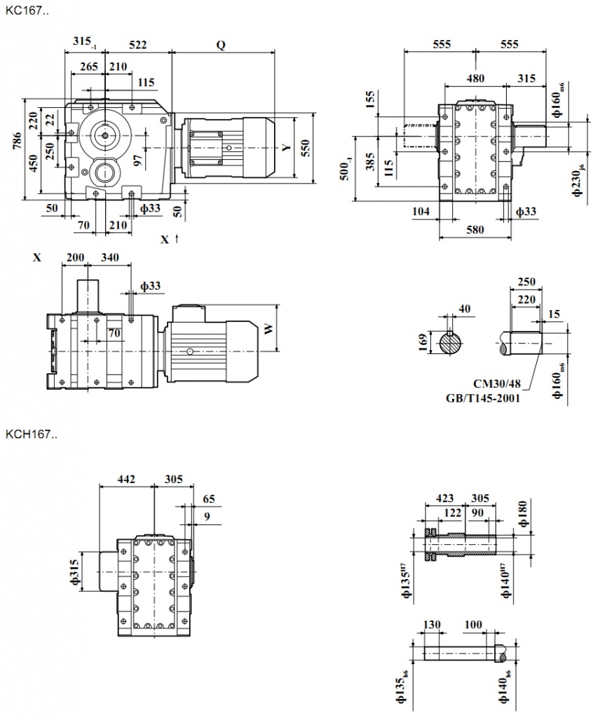
| KC157/167/187 | IEC160B5 | 550 | 190 | 42 | 250 | 300 | 350 | 7 | 12 | 45.3 | 110 | 19 |
| IEC180B5 | 190 | 48 | 250 | 300 | 350 | 7 | 14 | 51.8 | 110 | 19 | ||
| IEC200B5 | 190 | 55 | 300 | 350 | 400 | 8 | 16 | 59.3 | 110 | 19 | ||
| IEC225B5 | 220 | 60 | 350 | 400 | 450 | 8 | 18 | 64.4 | 140 | 19 | ||
| IEC250B5 | 220 | 65 | 450 | 500 | 550 | 10 | 18 | 69.4 | 140 | 19 | ||
| IEC280B5 | 220 | 75 | 450 | 500 | 550 | 10 | 20 | 79.9 | 140 | 19 |
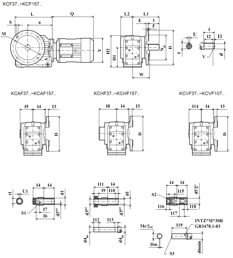
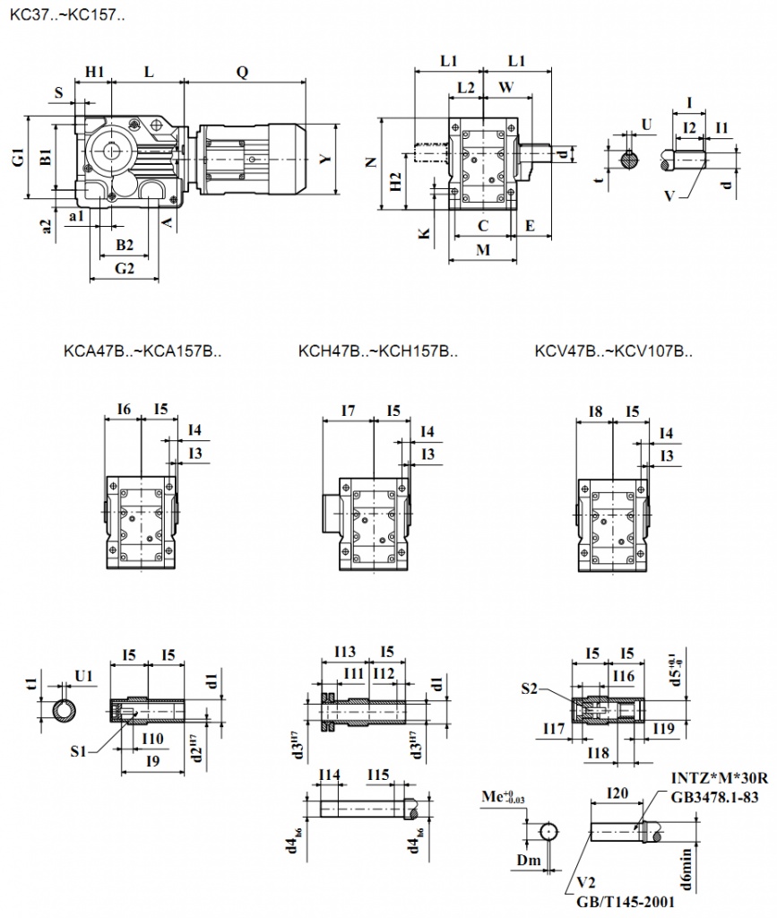
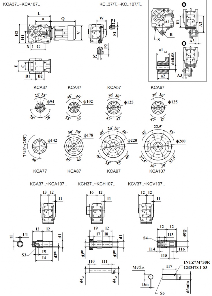
Монтажные исполнения для KC...

Монтажные исполнения для KCF...

|
Габарит редуктора |
А |
а1 а2 |
В1 В2 С |
Е |
G1 G2 |
Н1 Н2 |
К | L |
L1 L2 |
М N |
S | Размер выходного вала | |||||
|---|---|---|---|---|---|---|---|---|---|---|---|---|---|---|---|---|---|
| d | I |
I1 I2 |
u | t | v | ||||||||||||
| КС37 | 8.5 |
28 32 |
115 110 100 |
60 |
150 143 |
63 100 |
11 | 139 |
110 60 |
120 165 |
16 | 25 | 50 |
5 40 |
8 | 28 | M10 |
| КС47 | 7.2 |
35 37 |
130 130 120 |
75 |
170 162 |
71 112 |
11 | 166 |
135 72 |
145 185 |
18 | 30 | 60 |
3.5 50 |
8 | 33 | M10 |
| КС57 | 13.1 |
30 45 |
150 130 130 |
88 |
190 172 |
80 132 |
13.5 | 173 |
153 80 |
157 217 |
21 | 35 | 70 |
7 56 |
10 | 38 | M12 |
| КС67 | 20 |
30 45 |
160 120 140 |
101 |
203 170 |
90 140 |
13.5 | 179 |
171 86.5 |
170 228 |
24 | 40 | 80 |
5 70 |
12 | 40 | M16 |
| КС77 | 31.3 |
40 55 |
200 150 165 |
123.5 |
263 208 |
112 180 |
17.5 | 202 |
206 101 |
200 288 |
27 | 50 | 100 |
10 80 |
14 | 53.5 | M16 |
| КС87 | 25.9 |
55 70 |
233 180 180 |
150 |
305 260 |
132 212 |
22 | 257 |
240 116 |
230 340 |
32 | 60 | 120 |
5 110 |
18 | 64 | M20 |
| КС97 | 32.3 |
75 75 |
295 240 240 |
171 |
372 294 |
160 265 |
26 | 277 |
291 146 |
290 417 |
36 | 70 | 140 |
7.5 140 |
20 | 74.5 | M20 |
| КС 107 | 52 |
95 95 |
360 280 270 |
212 |
448 380 |
200 315 |
33 | 341 |
347 175 |
340 503 |
40 | 90 | 170 |
5 160 |
25 | 95 | M24 |
| КС 127 | 53 |
115 110 |
420 350 330 |
253 |
526 440 |
225 375 |
39 | 390 |
418 203 |
400 592 |
45 | 110 | 210 |
15 80 |
28 | 116 | M24 |
| КС 157 | 71.7 |
140 130 |
500 380 420 |
247 |
634 480 |
280 450 |
39 | 426 |
457 250 |
500 750 |
50 | 120 | 210 |
5 200 |
32 | 127 | M24 |
|
Габарит редуктора |
Размер выходного вала | |||||||||||
|---|---|---|---|---|---|---|---|---|---|---|---|---|
| KCA..B | KCH..B | KCV..B | ||||||||||
|
I3 I4 I5 |
d1 d2 |
I6 I9 I10 |
t1 U1 S1 |
d3 d4 |
I7 I11 I12 |
I13 I14 I15 |
d5 d6 |
I8 I16 I17 |
I18 I19 I20 |
S2 V2 |
Z*M Me Dm |
|
| 47 |
3 15 75 |
50 35 |
78 132 22 |
38.3 10 M12 |
35 35 |
110 32 20 |
102 37 25 |
37 42 |
77 32 18 |
32 18 115 |
M10*30 M10 |
16*2 38.92 4 |
| 57 |
3 18 83 |
55 40 |
86 142 29 |
43.3 12 M16 |
40 40 |
117 26 20 |
112 31 25 |
37 42 |
83 32 18 |
32 18 130 |
M10*30 M10 |
16*2 38.92 4 |
| 67 |
3.5 20 90 |
55 40 |
93 156 29 |
43.3 12 M16 |
40 40 |
126 38 20 |
118 43 25 |
47 52 |
90 42 25 |
42 25 130 |
M16*50 M16 |
21*2 48.85 4 |
| 77 |
4 22.5 105 |
70 50 |
108 183 32 |
53.8 14 M16 |
50 50 |
146 36 30 |
136 41 35 |
55 62 |
105 52 23 |
52 23 160 |
M16*50 M16 |
24*2 54.13 4 |
| 87 |
4 30 120 |
85 60 |
123 210 36 |
64.4 18 M20 |
65 65 |
170 41 40 |
161 46 45 |
72 82 |
120 62 25 |
62 25 160 |
M20*60 M20 |
31*2 68.96 4 |
| 97 |
4 30 150 |
95 70 |
153 270 34 |
74.9 20 M20 |
75 75 |
206 55 50 |
195 60 55 |
72 90 |
150 72 25 |
72 25 240 |
M20*60 M20 |
34*2 74.15 4 |
| 107 |
2.5 40 175 |
118 90 |
178 313 40 |
95.4 25 M24 |
95 95 |
245 65 60 |
230 75 70 |
90 105 |
178 89 26 |
89 26 290 |
M20*60 M20 |
27*3 90.99 4 |
| 127 |
2.5 40 205 |
135 100 |
208 373 38 |
106.4 28 M24 |
105 105 |
296 85 70 |
280 95 80 |
- | - | - | - | - |
| 157 |
2.5 40 250 |
155 120 |
253 460 36 |
127.4 32 M24 |
125 125 |
370 90 80 |
330 100 90 |
- | - | - | - | - |
|
Габарит редуктора |
A | a | D |
E F |
H1 H2 |
L |
L1 L2 |
M N |
S | Размер выходного вала | |||||
|---|---|---|---|---|---|---|---|---|---|---|---|---|---|---|---|
| d | I |
I1 I2 |
u | t | v | ||||||||||
| KCF37 | 8.5 | 139 | 160 |
10 3.5 |
100 164 |
210 |
134 57.5 |
130 110j6 |
4-9 | 25 | 50 |
5 40 |
8 | 28 | M10 |
| KCF47 | 7.2 | 166 | 200 |
10 3.5 |
112 185 |
243 |
160 72 |
165 130j6 |
4-11 | 30 | 60 |
3.5 50 |
8 | 33 | M10 |
| KCF57 | 13.1 | 173 | 250 |
15 4 |
132 215 |
269 |
176.5 80 |
215 180j6 |
4-13.5 | 35 | 70 |
7 56 |
10 | 38 | M12 |
| KCF67 | 20 | 179 | 250 |
15 4 |
140 226 |
270 |
193 86.5 |
215 180j6 |
4-13.5 | 40 | 80 |
5 70 |
12 | 40 | M16 |
| KCF77 | 31.3 | 202 | 300 |
16 4 |
180 286 |
312 |
242 101 |
265 230j6 |
4-13.5 | 50 | 100 |
10 80 |
14 | 53.5 | M16 |
| KCF87 | 25.9 | 257 | 350 |
18 5 |
212 338 |
390 |
270 138 |
300 250h6 |
4-17.5 | 60 | 120 |
5 110 |
18 | 64 | M20 |
| KCF97 | 32.3 | 277 | 450 |
22 5 |
265 414 |
435 |
332 171 |
400 350h6 |
4-17.5 | 70 | 140 |
7.5 140 |
20 | 74.5 | M20 |
| KCF107 | 52 | 341 | 450 |
22 5 |
315 500 |
537 |
386 175 |
400 350h6 |
4-17.5 | 90 | 170 |
5 160 |
25 | 95 | M24 |
| KCF127 | 53 | 390 | 550 |
25 5 |
375 592 |
615 |
466 203 |
500 450h6 |
4-17.5 | 110 | 210 |
15 80 |
28 | 116 | M24 |
| KCF157 | 71.7 | 426 | 660 |
28 6 |
450 705 |
706 |
520 253 |
600 550h6 |
4-22 | 120 | 210 |
5 200 |
32 | 127 | M24 |
|
Габарит редуктора |
Размер выходного вала | |||||||||||
|---|---|---|---|---|---|---|---|---|---|---|---|---|
| KCAF.. | KCHF.. | KCVF.. | ||||||||||
|
I3 I4 |
d1 d2 |
I5 I6 I7 |
t1 U1 S1 |
d3 d4 |
I8 I9 I10 |
I11 I12 I13 |
d5 d6 |
I14 I15 I16 |
I17 I18 I19 |
S2 V2 |
Z*M Me Dm |
|
| 37 |
24 60 |
45 30 |
63 105 17 |
33.3 8 M10 |
30 30 |
95 31 20 |
86 36 25 |
37 42 |
62 25 18 |
25 18 85 |
M10*30 M10 |
22*1.25 33.03 2.07 |
| 47 |
25 75 |
50 35 |
78 132 22 |
38.3 10 M12 |
35 35 |
110 32 20 |
102 37 25 |
37 42 |
77 32 18 |
32 18 115 |
M10*30 M10 |
16*2 38.92 4 |
| 57 |
23.5 83 |
55 40 |
86 142 29 |
43.3 12 M16 |
40 40 |
117 26 20 |
112 31 25 |
37 42 |
83 32 18 |
32 18 130 |
M10*30 M10 |
16*2 38.92 4 |
| 67 |
23 90 |
55 40 |
94 156 29 |
43.3 12 M16 |
40 40 |
126 38 20 |
118 43 25 |
47 52 |
90 42 5 |
42 25 130 |
M16*50 M16 |
21*2 48.85 4 |
| 77 |
37 105 |
70 50 |
108 183 32 |
53.8 14 M16 |
50 50 |
146 36 30 |
136 41 35 |
55 62 |
105 52 23 |
52 23 160 |
M16*50 M16 |
24*2 54.13 4 |
| 87 |
30 120 |
85 60 |
123 210 36 |
64.4 18 M20 |
65 65 |
170 41 40 |
161 46 45 |
72 82 |
120 62 25 |
62 25 160 |
M20*60 M20 |
31*2 68.96 4 |
| 97 |
41.5 150 |
95 70 |
153 270 34 |
74.9 20 M20 |
75 75 |
206 55 50 |
195 60 55 |
72 90 |
150 72 25 |
72 25 240 |
M20*60 M20 |
34*2 74.15 4 |
| 107 |
41 175 |
118 90 |
178 313 40 |
95.4 25 M24 |
95 95 |
245 65 60 |
230 75 70 |
90 105 |
178 89 26 |
89 26 290 |
M20*60 M20 |
27*3 90.99 4 |
| 127 |
51 205 |
135 100 |
208 373 38 |
106.4 28 M24 |
105 105 |
296 85 70 |
280 95 80 |
- | - | - | - | - |
| 157 |
60 250 |
155 120 |
253 460 36 |
127.4 32 M24 |
125 125 |
370 90 80 |
330 100 90 |
- | - | - | - | - |
|
Габарит редуктора |
А | а |
В1 В2 |
С Е |
G |
Н1 Н2 |
L |
Р1 S1 |
Р2 S2 |
Размер реактивной штанги | ||||
|---|---|---|---|---|---|---|---|---|---|---|---|---|---|---|
|
А1 A2 |
АЗ |
а1 а2 |
d |
R S |
||||||||||
| КСА37 | 8.5 | 139 |
35 82 |
60 100 |
147 |
100 164 |
210 |
12 М8 |
20 М10 |
23.5 140 |
20 |
36 31 |
10.4 |
22.5 M10*25 |
| КСА47 | 7.2 | 166 |
40 100 |
70 110 |
170 |
112 185 |
243 |
12 М8 |
20 М10 |
30 160 |
20 |
36 31 |
10.4 |
22.5 M10*30 |
| КСА57 | 13.1 | 173 |
47 105 |
88 122 |
182 |
132 215 |
269 |
20 М12 |
25 М12 |
40 192 |
18 |
60 54 |
16.4 |
29 M12*35 |
| КСА67 | 20 | 179 |
42 110 |
88 130 |
182 |
140 228 |
274 |
20 М12 |
20 М12 |
45 200 |
25 |
60 54 |
16.4 |
29 M12*35 |
| КСА77 | 31.3 | 202 |
48 122 |
102 154 |
204 |
180 286 |
312 |
20 М12 |
32 М16 |
52.5 250 |
25 |
60 54 |
16.4 |
29 M16*40 |
| КСА87 | 25.9 | 257 |
65 160 |
118 170 |
280 |
212 338 |
390 |
26 М16 |
32 М16 |
60 300 |
30 |
80 72 |
25 |
41 M16*45 |
| КСА97 | 32.3 | 277 |
83 165 |
160 226 |
298 |
265 414 |
435 |
26 М16 |
36 М20 |
70 350 |
40 |
100 92 |
25 |
41 M20*50 |
| КСА107 | 52 | 341 |
100 190 |
190 266 |
370 |
315 500 |
537 |
30 М20 |
44 М24 |
74 450 |
45 |
100 92 |
25 |
41 M24*60 |
|
Габарит редуктора |
Размер выходного вала | |||||||||||
|---|---|---|---|---|---|---|---|---|---|---|---|---|
| КСА.. | KCH.. | KCV.. | ||||||||||
|
I1 I2 |
d1 d2 |
I3 I4 I5 |
Т1 U1 S3 |
d3 d4 |
I6 I7 I8 |
I9 I10 I11 |
d5 d6 |
I12 I13 I14 |
I15 I16 I17 |
d4 d5 |
Z*M Me Dm |
|
| 37 |
2.5 60 |
45 30 |
63 105 17 |
33.3 8 М10 |
30 30 |
95 31 20 |
86 36 25 |
37 42 |
62 25 18 |
25 18 85 |
M10*30 M10 |
22*1.25 33.03 2.07 |
| 47 |
3 75 |
50 35 |
78 132 22 |
38.3 10 М12 |
35 35 |
110 32 20 |
102 37 25 |
37 42 |
77 32 18 |
32 18 115 |
M10*30 M10 |
16*2 38.92 4 |
| 57 |
3 83 |
55 40 |
86 142 29 |
43.3 12 М16 |
40 40 |
117 26 20 |
112 31 25 |
37 42 |
83 32 18 |
32 18 130 |
M10*30 M10 |
16*2 38.92 4 |
| 67 |
3.5 90 |
55 40 |
94 156 29 |
43.3 12 М16 |
40 40 |
126 38 20 |
118 43 25 |
47 52 |
90 42 25 |
42 25 130 |
M16*50 M16 |
21*2 48.85 4 |
| 77 |
4 105 |
70 50 |
108 183 32 |
53.8 14 М16 |
50 50 |
146 36 30 |
136 41 35 |
55 62 |
105 52 23 |
52 23 160 |
M16*50 M16 |
24*2 54.13 4 |
| 87 |
4 120 |
85 60 |
123 210 36 |
64.4 18 М20 |
65 65 |
170 41 40 |
161 46 45 |
72 82 |
120 62 25 |
62 25 160 |
M20*60 M20 |
31*2 68.96 4 |
| 97 |
4 150 |
95 70 |
153 270 34 |
74.9 20 М20 |
75 75 |
206 55 50 |
195 60 55 |
72 90 |
150 72 25 |
72 25 240 |
M20*60 M20 |
34*2 74.15 4 |
| 107 |
2.5 175 |
118 90 |
178 313 40 |
95.4 25 М24 |
95 95 |
245 65 60 |
230 75 70 |
90 105 |
178 89 26 |
89 26 290 |
M20*60 M20 |
27*3 90.99 4 |
|
Габарит редуктора |
A | a | D |
E F |
G |
H1 H2 |
L | N | P |
d1 d2 |
|---|---|---|---|---|---|---|---|---|---|---|
| KCAZ37 | 8.5 | 139 | 110 |
11.5 3 |
147 |
100 164 |
210 | 80 | 12 |
9 M8 |
| KCAZ47 | 7.2 | 166 | 120 |
11 3 |
170 |
112 185 |
243 | 80 | 12 |
9 M8 |
| KCAZ57 | 13.1 | 173 | 155 |
12 3.5 |
182 |
132 215 |
269 | 105 | 20 |
13.5 M12 |
| KCAZ67 | 20 | 179 | 155 |
12 3.5 |
182 |
140 228 |
274 | 105 | 20 |
13.5 M12 |
| KCAZ77 | 31.3 | 202 | 170 |
14 3.5 |
204 |
180 286 |
312 | 125 | 20 |
13.5 M12 |
| KCAZ87 | 25.9 | 257 | 215 |
15 4 |
280 |
212 338 |
390 | 155 | 26 |
17.5 M16 |
| KCAZ97 | 32.3 | 277 | 260 |
18 4 |
298 |
265 414 |
435 | 180 | 26 |
17.5 M16 |
| KCAZ107 | 52 | 341 | 304 |
22 4 |
370 |
315 500 |
537 | 210 | 26 |
22 M20 |
|
Габарит |
Размер выходного вала | |||||||||||
|---|---|---|---|---|---|---|---|---|---|---|---|---|
| KCZ.. | KCHZ.. | KCVZ.. | ||||||||||
|
I1 I2 |
d1 d2 |
I3 I4 I5 |
T1 U1 S3 |
d3 d4 |
I6 I7 I8 |
I9 I10 I11 |
d5 d6 |
I12 I13 I14 |
I15 I16 I17 |
d4 d5 |
Z*M Me Dm |
|
| 37 |
9 60 |
45 30 |
63 105 17 |
33.3 8 M10 |
30 30 |
95 31 20 |
86 36 25 |
37 42 |
62 25 18 |
25 18 85 |
M10*30 M10 |
22*1.25 33.03 2.07 |
| 47 |
8 75 |
50 35 |
78 132 22 |
38.3 10 M12 |
35 35 |
110 32 20 |
102 37 25 |
37 42 |
77 32 18 |
32 18 115 |
M10*30 M10 |
16*2 38.92 4 |
| 57 |
9 83 |
55 40 |
86 142 29 |
43.3 12 M16 |
40 40 |
117 26 20 |
112 31 25 |
37 42 |
83 32 18 |
32 18 130 |
M10*30 M10 |
16*2 38.92 4 |
| 67 |
8.5 90 |
55 40 |
94 156 29 |
43.3 12 M16 |
40 40 |
126 38 20 |
118 43 25 |
47 52 |
90 42 25 |
42 25 130 |
M16*50 M16 |
21*2 48.85 4 |
| 77 |
10 105 |
70 50 |
108 183 32 |
53.8 14 M16 |
50 50 |
146 36 30 |
136 41 35 |
55 62 |
105 52 23 |
52 23 160 |
M16*50 M16 |
24*2 54.13 4 |
| 87 |
11 120 |
85 60 |
123 210 36 |
64.4 18 M20 |
65 65 |
170 41 40 |
161 46 45 |
72 82 |
120 62 25 |
62 25 160 |
M20*60 M20 |
31*2 68.96 4 |
| 97 |
14 150 |
95 70 |
153 270 34 |
74.9 20 M20 |
75 75 |
206 55 50 |
195 60 55 |
72 90 |
150 72 25 |
72 25 240 |
M20*60 M20 |
34*2 74.15 4 |
| 107 |
8 175 |
118 90 |
178 313 40 |
95.4 25 M24 |
95 95 |
245 65 60 |
230 75 70 |
90 105 |
178 89 26 |
89 26 290 |
M20*60 M20 |
27*3 90.99 4 |
| Габарит редуктора | Электродвигатель | Y | Q | L |
|---|---|---|---|---|
| KC..37RC17 | АИС-63.. | 132 | 149 | 324 |
| АИС-71.. | 145 | 164 | 339 | |
| АИС-80.. | 145 | 214 | 389 | |
|
KC..47RC37 KC..67RC37 |
АИС-63.. | 132 | 191 | 356 |
| АИС-71.. | 145 | 206 | 371 | |
| АИС-80.. | 145 | 256 | 421 | |
| KC..57RC37 | АИС-63.. | 132 | 191 | 356 |
| АИС-71.. | 145 | 206 | 371 | |
| АИС-80.. | 145 | 256 | 421 | |
| АИС-90.. | 197 | 276 | 441 | |
| KC..77RC37 | АИС-63.. | 132 | 191 | 348 |
| АИС-71.. | 145 | 206 | 363 | |
| АИС-80.. | 145 | 256 | 413 | |
| АИС-90.. | 197 | 276 | 433 | |
| KC..87RC57 | АИС-63.. | 132 | 185 | 401 |
| АИС-71.. | 145 | 199 | 415 | |
| АИС-80.. | 145 | 249 | 465 | |
| АИС-90.. | 197 | 269 | 485 | |
| АИС-100-M.. | 197 | 319 | 535 | |
| АИС-100-L | 197 | 349 | 565 | |
| KC..97RC57 | АИС-63.. | 132 | 185 | 396 |
| АИС-71.. | 145 | 199 | 410 | |
| АИС-80.. | 145 | 249 | 460 | |
| АИС-90.. | 197 | 269 | 480 | |
| АИС-100-M.. | 197 | 319 | 530 | |
| АИС-100-L.. | 197 | 349 | 560 | |
| АИС-112-M.. | 221 | 354 | 565 | |
| KC..107RC77 | АИС-63.. | 132 | 179 | 426 |
| АИС-71.. | 145 | 193 | 440 | |
| АИС-80.. | 145 | 243 | 490 | |
| АИС-90.. | 197 | 261 | 508 | |
| АИС-100-M.. | 197 | 311 | 558 | |
| АИС-100-L.. | 197 | 341 | 588 | |
| АИС-112-M.. | 221 | 345 | 592 | |
| АИС-132-S.. | 221 | 390 | 637 | |
| АИС-132-M.. | 275 | 412 | 659 | |
| АИС-132-ML.. | 275 | 472 | 719 | |
| АИС-160-M.. | 275 | 472 | 719 | |
| KC..127RC77 | АИС-63.. | 132 | 179 | 411 |
| АИС-71.. | 145 | 193 | 425 | |
| АИС-80.. | 145 | 243 | 475 | |
| АИС-90.. | 197 | 261 | 493 | |
| АИС-100-M.. | 197 | 311 | 543 | |
| АИС-100-L.. | 197 | 341 | 573 | |
| АИС-112-M.. | 221 | 345 | 577 | |
| АИС-132-S.. | 221 | 390 | 622 | |
| АИС-132-M.. | 275 | 412 | 644 | |
| АИС-132-ML.. | 275 | 472 | 704 | |
| АИС-160-M.. | 275 | 472 | 704 | |
| KC..127RC87 | АИС-90.. | 197 | 257 | 537 |
| АИС-100-M.. | 197 | 307 | 587 | |
| АИС-100-L.. | 197 | 337 | 617 | |
| АИС-112-M.. | 221 | 340 | 620 | |
| АИС-132-S.. | 221 | 385 | 665 | |
| АИС-132-M.. | 275 | 407 | 687 | |
| АИС-132-ML.. | 275 | 467 | 747 | |
| АИС-160-M.. | 275 | 467 | 747 | |
| АИС-160-L.. | 331 | 514 | 794 | |
| АИС-180.. | 331 | 586 | 866 | |
|
KC..157RC97 KC..167RC97 KC..187RC97 |
АИС-80.. | 145 | 231 | 556 |
| АИС-90.. | 197 | 251 | 576 | |
| АИС-100-M.. | 197 | 301 | 626 | |
| АИС-100-L.. | 197 | 331 | 656 | |
| АИС-112-M.. | 221 | 335 | 660 | |
| АИС-132-S.. | 221 | 380 | 705 | |
| АИС-132-M.. | 275 | 402 | 727 | |
| АИС-132-ML.. | 275 | 462 | 787 | |
| АИС-160-M.. | 275 | 462 | 787 | |
| АИС-160-L.. | 331 | 509 | 834 | |
| АИС-180.. | 331 | 581 | 906 | |
| АИС-200.. | 394 | 629 | 954 | |
|
KC..157RC107 KC..167RC107 KC..187RC107 |
АИС-100-M.. | 197 | 295 | 677 |
| АИС-100-L.. | 197 | 325 | 707 | |
| АИС-112-M.. | 221 | 329 | 711 | |
| АИС-132-S.. | 221 | 374 | 756 | |
| АИС-132-M.. | 275 | 396 | 778 | |
| АИС-132-ML.. | 275 | 456 | 838 | |
| АИС-160-M.. | 275 | 456 | 838 | |
| АИС-160-L.. | 331 | 503 | 885 | |
| АИС-180.. | 331 | 575 | 957 | |
| АИС-200.. | 394 | 623 | 1005 | |
| АИС-225.. | 394 | 705 | 1087 |
| Температура среды эксплуатации |
от -10°C до +40°C |
от -20°C до +25°C |
от -30°C до +10°C |
от -40°C до +20°C |
от -40°C до +80°C |
от -40°C до +10°C |
|---|---|---|---|---|---|---|
| Стандарт ISO | VG220 | VG150 | VG68-46 | VG22 | VG220 | VG32 |
| VG100 | VG32 | VG15 | ||||
| Тип масла | Минеральное | Синтетическое | ||||
| Рекомендуемые марки | Shell Omala Oil 220 | Shell Omala Oil 100 | Shell Tellus T 32 | Shell Tellus T 15 | Shell Omala 220 HD | - |
| Mobil Mobilgear 630 | Mobil Mobilgear 627 | Mobil D.T.E.13M | Mobil D.T.E.11M | Mobil SHC 630 | Mobil SHC 624 | |
| BP Energol GR-XP220 | BP Energol GR-XP100 | - | BP Energol GR-HM10 | - | - | |
КC…, КCA…B, КCH…B, КCV…B
| Габарит редуктора | М1 | М2 | М3 | М4 | М5 | М6 |
|---|---|---|---|---|---|---|
| КC…37 | 0,5 | 1,0 | 1,0 | 1,3 | 0,95 | 0,95 |
| КC…47 | 0,8 | 1,3 | 1,5 | 2,0 | 1,6 | 1,6 |
| КC…57 | 1,2 | 2,3 | 2,5 | 2,5 | 2,5 | 2,4 |
| КC…67 | 1,1 | 2,4 | 2,6 | 3,4 | 2,6 | 2,6 |
| КC…77 | 2,2 | 4,1 | 4,4 | 5,9 | 4,2 | 4,4 |
| КC…87 | 3,7 | 8,0 | 8,7 | 10,9 | 8,0 | 8,0 |
| КC…97 | 7,0 | 14,0 | 15,7 | 20,0 | 15,7 | 15,5 |
| КC…107 | 10,0 | 21,0 | 25,5 |
30,0 |
24,0 | 24,0 |
| КC…127 | 21,0 | 41,5 | 44,0 | 54,0 | 40,0 | 41,0 |
| КC…157 | 31,0 | 62,0 | 65,0 | 90,0 | 58,0 | 62,0 |
| КC…167 | 33,0 | 95,0 | 105,0 | 123,0 | 85,0 | 84,0 |
| КC…187 | 53,0 | 152,0 | 167,0 | 200,0 | 143,0 | 143,0 |
КCF…
| Габарит редуктора | М1 | М2 | М3 | М4 | М5 | М6 |
|---|---|---|---|---|---|---|
| КCF…37 | 0,5 | 1,0 | 1,1 | 1,5 | 1,0 | 1,0 |
| КCF…47 | 0,8 | 1,3 | 1,7 | 2,5 | 1,6 | 1,6 |
| КCF…57 | 1,3 | 2,3 | 2,7 | 3,5 | 2,9 | 2,7 |
| КCF…67 | 1,1 | 2,4 | 2,8 | 3,6 | 2,7 | 2,7 |
| КCF…77 | 2,1 | 4,1 | 4,4 | 6,0 | 4,5 | 4,5 |
| КCF…87 | 3,7 | 8,2 | 9,0 | 11,9 | 8,4 | 8,4 |
| КCF…97 | 7,0 | 14,7 | 17,3 | 21,5 | 15,7 | 16,5 |
| КCF…107 | 10,0 | 22,0 | 26,0 | 35,0 | 25,0 | 25,0 |
| КCF…127 | 21,0 | 41,5 | 46,0 | 55,0 | 41,0 | 41,0 |
| КCF…157 | 31,0 | 66,0 | 69,0 | 92,0 | 62,0 | 62,0 |
КCA…, КCH…, КCV…, КCAF…, КCHF…, КCVF…, КCAZ…, КCHZ…, КCVZ…
| Габарит редуктора | М1 | М2 | М3 | М4 | М5 | М6 |
|---|---|---|---|---|---|---|
| КC…37 | 0,5 | 1,0 | 1,0 | 1,4 | 1,0 | 1,0 |
| КC…47 | 0,8 | 1,3 | 1,6 | 2,1 | 1,6 | 1,6 |
| КC…57 | 1,3 | 2,3 | 2,7 | 3,5 | 3,5 | 2,7 |
| КC…67 | 1,1 | 2,4 | 2,7 | 3,6 | 2,6 | 2,6 |
| КC…77 | 2,2 | 4,1 | 4,6 | 6,0 | 4,4 | 4,4 |
| КC…87 | 3,7 | 8,2 | 8,8 | 11,1 | 8,9 | 8,0 |
| КC…97 | 7,0 | 14,0 | 15,7 | 20,0 | 15,7 | 15,5 |
| КC…107 | 10,0 | 21,5 | 24,0 | 30,0 | 24,0 | 24,0 |
| КC…127 | 21,0 | 41,5 | 43,0 | 52,0 | 40,0 | 40,0 |
| КC…157 | 31,0 | 66,0 | 67,0 | 87,0 | 52,0 | 62,0 |
| КCH…167 | 33,0 | 95,0 | 105,0 | 123,0 | 85,0 | 84,0 |
| КCH…187 | 53,0 | 152,0 | 167,0 | 200,0 | 143,0 | 143,0 |
Предлагаем качественные коническо-цилиндрические редукторы Eneral, сервисное обслуживание электротехники Eneral производится в авторизованных центрах, адреса которых указаны в паспорте изделий. Воспользуйтесь электронной почтой или бесплатной телефонной связью, чтобы получить дополнительные данные по продукции, условиям продажи, доставки в ваш город. Агрегат при соблюдении правил монтажа, бережном использовании прослужит достаточно длительный срок. ENERAL разрабатывает и выпускает электротехнику последнего поколения. Гарантийное и постгарантийное обслуживание оборудования марки Eneral выполняется в авторизованных сервисных центрах, расположенных по всей территории РФ, в странах ближнего зарубежья.
