Купить электродвигатель Брызгозащищенные электродвигатели АМН в Екатеринбурге | ЭНЕРАЛ
Пн-Пт 08:00 – 16:00 (МСК)
Ваш город:

Брызгозащищенные электродвигатели АМН

Трехфазные асинхронные электродвигатели с короткозамкнутым ротором серии АМН выполнены в брызгозащищенном исполнении со степенью защиты IP23 по ГОСТ IEC 60034-5-2011. Двигатели имеют систему охлаждения IC01 по ГОСТ Р МЭК 60034-6-2012 и выполнены с двухсторонней симметричной радиальной вентиляцией.

Воздух с помощью вентиляционных лопаток ротора всасывается через торцевые окна в подшипниковых щитах, омывает лобовые части обмотки статора и наружную поверхность сердечника статора и выбрасывается через боковые станины. Для направления воздуха внутри двигателя имеются диффузоры, установленные в подшипниковых щитах.

Электродвигатели изготавливаются на номинальное напряжение 380/660В, 50Гц, имеют класс нагревостойкости изоляции F и режим работы S1. Климатическое исполнение и размещение - У3.

Гарантия - 2 года с даты ввода в эксплуатацию, но не более 3 лет с даты продажи при наработке до 10 000 часов. 



Декларация соответствия на электродвигатели ENERAL с короткозамкнутым ротором серии АМН

Печать
Тип ЭД Рн,кВт n,об/мин* КПД,% cos φ Iн,А Кратности Масса,
кг**
Iп/Iн Mm/Mн Mп/Мн
4АМН 160S2 22 2930 90 0,88 44 7 1,7 1,1 160
4АМН 160М2 30 2930 91 0,88 56,9 7 1,7 1,1 170
4АМН160S4 18,5 1455 90 0,83 38 7 1,9 1,1 160
4АМН160М4 22 1455 90,5 0,84 44 7 1,9 1,2 170
4АМН 180S2 37 2935 92 0,88 69,4 7 2,2 1,7 190
4АМН 180М2 45 92,5 0,88 84 7 2,2 1,7 220
4АМН180S4 30 1460 91,5 0,85 58,6 7 2,2 1,9 190
4АМН180М4 37 92 0,85 71,9 7 2,2 2 238
4АМН180S6 18,5 970 89 0,82 38,5 6,7 2 1,8 180
4АМН180М6 22 90 0,82 45,3 6,7 2 1,8 220
4AMH180S-8 15 725 88 0,75 34,5 6 2 1,8 200
4АМН180М8 18,5 88,5 0,75 42,3 6 2 1,8 240
5АН 200М2 55 2950 93 0,88 102,1 7 2,2 1,8 300
5АН 200L2 75 93 0,89 137,7 7 2,2 1,8 350
5AH200M4 45 1470 92,5 0,85 87 7 2,2 1,9 300
5AH200L4 55 93 0,85 105,7 7 2,2 1,9 335
5АН200М6 30 975 90 0,82 61,8 6,5 2 1,8 290
5АН200L6 37 91 0,82 75,3 6,5 2 1,8 300
5AH200M-8 22 725 89,5 0,75 49,8 6 2 1,7 300
5AH200L-8 30 90 0,75 67,5 6 2 1,7 335
5АН 225МА2 75 2950 92,8 0,88 140 6 2 1,7 390
5АН 225М2 90 2950 93 0,89 165,2 6,8 2,2 1,7 395
5АН225М4 75 1470 93,5 0,85 143,4 6,7 2,2 1,9 423
5АН225М6 45 975 92 0,82 90,6 6,5 2 1,8 370
5АН225М8 37 735 91 0,75 82,4 6 2 1,7 380
5АМН 250S2 90 2960 93,5 0,89 160 6,8 2,2 1,6 460
5АМН 250М2 110 94 0,89 195 6,8 2,2 1,6 520
5АН250М2 132 2960 94 0,89 239,7 6,8 2,2 1,6 520
5AMH250S4 90 1480 94 0,86 169,1 6,7 2,2 1,8 493
5AMH250M4 110 94 0,86 206,7 6,7 2,2 1,8 542
5АН250МВ4 132 1480 95,3 0,85 248 6,3 2,2 1,8 550
5АМН250S6 55 980 92,5 0,82 110,2 6,5 2 1,8 438
5АМН250М6 75 92,5 0,82 150,2 6,8 2 1,8 524
5АМН250S8 45 730 92 0,75 99,1 6 2 1,8 500
5АМН250М8 55 92 0,75 121,1 6 2 1,8 520
5АМН250МВ8 75 730 93,3 0,81 151 6 2 1,8 530
5АМН280S2 132 2960 94 0,89 239,7 6,8 2,2 1,5 540
5АМН280М2 160 2960 94 0,89 290,6 6,8 2 1,5 687
5AMH280S4 132 1480 94 0,87 245,2 6,8 2,2 1,8 678
5AMH280M4 160 94 0,87 297,3 6,8 2 1,8 766
5АМН280S6 90 985 93 0,83 177,1 6,5 2 1,8 700
5АМН280М6 110 93 0,83 216,5 6,5 2 1,8 732
5АМН280S8 75 740 92,5 0,8 154 6 1,8 1,8 700
5АМН280М8 90 93 0,8 183,8 6 1,8 1,8 730
5AMH280S-10 45 585 91 0,72 104,4 5,5 1,8 1,2 800
5AMH280M-10 55 92 0,72 126,2 5,5 1,8 1,2 800
5АМН315S2 200 2965 94,5 0,9 357,3 6,8 2 1,4 1015
5АМН315М2 250 94,5 0,9 446,6 6,8 2 1,2 1145
5АМН315МВ2 315 2965 95 0,9 560 6,8 2 1,2 1150
5AMH315S4 200 1480 94,5 0,87 369,6 6,8 2 1,4 1065
5АМН315М4 250 94,5 0,88 456,8 6,8 2 1,2 1220
5АМН315МВ4 315 1480 95 0,88 572 6,5 1,8 1,1 1300
5АМН315S6 132 980 93,5 0,85 252,3 6,5 1,8 1,3 956
5АМН315М6 160 94 0,85 304,2 6,5 1,8 1,3 1030
5АМН315МВ6 200 980 94,5 0,85 378 6 1.8 1,1 1050
5АМН315S8 110 735 93 0,82 219,2 6 1,8 1,3 928
5АМН315М8 132 93,5 0,82 261,6 6 1,8 1,3 1040
5АМН315МВ8 160 735 94 0,82 304 6 1,8 1,3 1050
5АМН315S10 75 590 92 0,75 165,1 5,5 1,8 1,2 1000
5АМН315МА10 75 92 0,75 165,1 5,5 1,8 1,2 1000
5АМН315МВ10 90 92,5 0,75 197,1 5,5 1,8 1,2 1500
5AMH315S-12 55 490 91 0,7 131,2 5,5 1,8 1 1000
5AMH315M-12 75 91,5 0,7 177,9 5,5 1,8 1 1000
5АН355А2 315 2975 95 0,9 559,8 6,5 1,8 1 1550
5АН355В2 400 95,5 0,9 707,1 6,5 1,8 1 1650
5АН355А4 315 1485 95 0,88 572,5 6,5 1,8 1 1610
5АН355В4 400 95,5 0,89 715 6,5 1,8 1 1700
5АН355А6 200 990 94,5 0,85 378,3 6 1,8 1,1 1430
5АН355В6 250 94,5 0,86 467,4 6 1,8 1,1 1560
5АН355А8 160 740 93,5 0,82 317,1 5,5 1,8 1,1 1440
5АН355В8 200 94 0,82 394,2 5,5 1,8 1,1 1635
5АН355А10 110 590 93 0,75 239,6 5,5 1,8 1 1340
5АН355В10 132 93 0,78 276,5 5,5 1,8 1 1440
5АН355А12 90 490 92 0,7 212,3 5,5 1,8 1 1350
5АН355В12 110 92 0,7 259,5 5,5 1,8 1 1500

* Указанная частота вращения (синхронная частота) является справочной характеристикой. Принимая во внимание принцип работы асинхронного электродвигателя, в результате механических потерь номинальная частота вращения всегда ниже синхронной. Данные отличия не влияют на эксплуатационные характеристики оборудования. 


** Указанная масса электродвигателя является справочной характеристикой. Точная масса указана на паспортной табличке электродвигателя. Данные отличия не влияют на эксплуатационные характеристики оборудования.


Печать

IP23.jpg

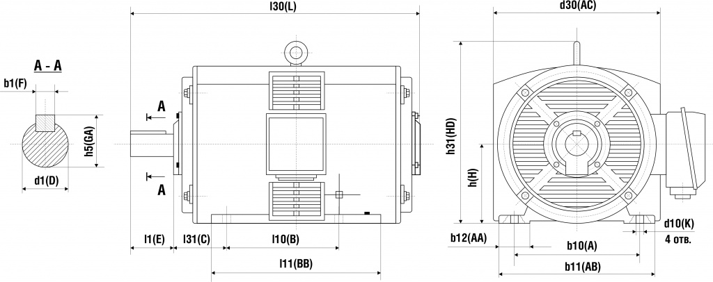
Тип Полюсов Габаритные размеры Установочные и присоединительные размеры
I30 h31 d30 b10 b11 I10 I11 I31 d1 I1 b1 h5 b12 h d10
L HD AC A AB B BB C D E F G+t AA H K
4АМH  160M 2 676 440 400 254 330 210 310 108 42 110 12 45 72 160 15
4 676 440 400 254 330 210 310 108 48 110 12 51.5 72 160 15
4АМH 180S 2 700 434 410 279 350 203 350 121 48 110 14 51.5 70 180 15
4,6,8 700 434 410 279 350 203 350 121 55 110 16 59 70 180 15
4AMH 180M 2 700 434 410 279 350 241 350 121 48 110 14 51.5 70 180 15
4,6,8 700 434 410 279 350 241 350 121 55 110 16 59 70 180 15
5AH 200M 2 654 489 460 318 400 267 388 133 55 110 16 59 80 200 19
4,6,8 684 489 460 318 400 267 388 133 60 140 18 64 80 200 19
5AH 200L 2 720 489 460 318 400 305 388 133 55 110 16 59 80 200 19
4,6,8 750 489 460 318 400 305 388 133 60 140 18 64 80 200 19
5AH 225M 2 755 529 500 356 446 311 396 149 55 110 16 59 85 225 19
4,6,8 785 529 500 356 446 311 396 149 65 140 18 69 85 225 19
5AМH 250S 2 786 605 500 406 510 311 458 168 65 140 18 69 105 250 24
4,6,8 786 605 550 406 510 311 458 168 75 140 20 79.5 105 250 24
5AMH 250M 2 835 605 550 406 510 349 458 168 65 140 18 69 105 250 24
4,6,8 835 605 550 406 510 349 458 168 75 140 20 79.5 105 250 24
5AMH 280S 2 885 662 600 457 566 368 582 190 70 140 20 74.5 110 280 24
4,6,8,10 915 662 600 457 566 368 582 190 80 170 22 85 110 280 24
5AMH 280M 2 935 662 600 457 566 419 582 190 70 140 20 74.5 110 280 24
4,6,8,10 965 662 600 457 566 419 582 190 80 170 22 85 110 280 24
5AMH 315S 2 985 708 660 508 630 406 645 216 75 140 20 79.5 115 315 28
4,6,8,10 1015 708 660 508 630 406 645 216 90 170 25 95 115 315 28
5AMH 315M 2 1095 708 660 508 630 457 645 216 75 140 20 79.5 115 315 28
4,6,8,10,12 1125 708 660 508 630 457 645 216 90 170 25 95 115 315 28
5AMH 355S 2 1310 915 785 610 760 500 800 254 85 170 22 90 140 355 28
4,6,8,10,12 1350 915 785 610 760 500 800 254 100 210 28 106 140 355 28
5AMH 355M 2 1380 915 785 610 760 560 800 254 85 170 22 90 140 355 28
4,6,8,10,12 1420 915 785 610 760 560 800 254 100 210 28 106 140 355 28

ВАЖНО: указанные размеры являются справочной характеристикой. Производственная группа ЭНЕРАЛ имеет право вносить изменения в конструкцию электродвигателя, в результате чего фактические габаритные и присоединительные размеры могут отличаться от значений в каталоге или на сайте. Данные отличия не влияют на эксплуатационные характеристики оборудования.


Печать

АИР (вариации) условное обозначение.png

Монтажное исполнение АИР (вариации).png

Штриховка обозначает опорную сторону.
*Сторона привода. 
** Малый фланец - щит с отверстиями в корпусе электродвигателя. Крепление к оборудованию винтами.

В зависимости от габарита электродвигателя некоторые монтажные исполнения могут быть недоступны. 
Возможно производство электродвигателей в других монтажных исполнениях, не указанных в таблице.


Печать

Электродвигатели асинхронные трехфазные изготавливаются на номинальные напряжения: 380, 660, 220/380, 380/660В при частоте 50 Гц по ГОСТ IEC 60034-1-2014.

Возможно изготовление на другие номинальные напряжения и на частоту 60Гц, по согласованию с заказчиком.

Однофазные двигатели предназначены для работы от сети переменного тока напряжением 220 В частотой 50 Гц.


Печать

Степень защиты обозначается IP…по ГОСТ IEC 60034-5-2011.

 stepen_zashiti.jpg

 Для примера обозначение IP55 это электродвигатель, защищенный от пыли и водяных струй со всех направлений.

Печать

Электродвигатели общепромышленного назначения могут работать в различных режимах в соответствии с ГОСТ IEC 60034-1-2014 и обозначается S…(1, 2, 3, 4, 5, 6, 7, 8), где:

S1 – продолжительный режим работы

S2 – кратковременный режим работы

S3 – периодический повторно-кратковременный режим работы

S4 – периодический повторно-кратковременный режим работы с влиянием пусковых процессов

S5 – периодический повторно-кратковременный режим работы с влиянием пусковых процессов и электрическим торможением

S6 – перемежающийся режим работы

S7 – периодический перемежающийся режим работы с влиянием пусковых процессов и электрическим торможением

S8 – периодический перемежающийся режим работы с периодически меняющейся частотой вращения

Печать

Двигатели могут использоваться в макроклиматических районах с климатом в условиях определяемых категориями размещения по ГОСТ 15150-69.

 

U2.jpg
 

Климатические факторы

Климатическое исполнение Категория размещения Верхнее значение рабочей температуры, °С Нижнее значение рабочей температуры,°С Максимальное значение относительной влажности, %
У 1,2 +40 -45 100 при 25°С
У 3 +40 -45 98 при 25°С
УХЛ 4 +35 +1 80 при 25°С
Т 2 +50 -10 100 при 25°С
ХЛ, УХЛ 1,2 +40 -60 100 при 25°С
Печать

Электродвигатели с нормальным КПД и электродвигатели с повышенным КПД (энергосберегающие), и соответственно обозначение класса энергетической эффективности по международному стандарту IEC 60034-30:

IE1 - "стандартный" класс КПД;

IE2 - "повышенный" класс КПД;

IE3 - "премиум" класс КПД;

IE4 - "суперпремиум" класс КПД.

Оставьте заявку и мы свяжемся с вами

CAPTCHA