Цилиндрические редукторы FC купить в Екатеринбурге
Пн-Пт 08:00 – 16:00 (МСК)
Ваш город:

Плоскоцилиндрические мотор-редукторы F, FA

Цилиндрические насадные редукторы типа FC многоступенчатые – в их составе одна или несколько цилиндрических передач.

Корпус выполнен из чугуна. Редукторы поставляются уже заполненными минеральным трансмиссионным маслом класса вязкости ISO VG 460.

Конструктивно редукторы являются самостоятельным узлом. Мотор-редуктор представляет собой редуктор, агрегатированный с электродвигателем. Для изменения скорости вращения выходного вала мотор-редуктор может агрегатироваться с вариатором или эксплуатироваться с преобразователем частоты.

Редукторы ENERAL типа FC изготовлены в соответствии с ГОСТ 31592-2012. Климатическое исполнение: У, УХЛ и Т по ГОСТ 15150-69.

Подробнее о преимуществах цилиндрических редукторов ENERAL 

Гарантия - 12 месяцев с даты ввода в эксплуатацию, но не более 18 месяцев с даты продажи.


Конфигурации редукторов FC и FC..RC с электродвигателями
Печать

Вариант
исполнения

FC.. на лапах
FCA..B на лапах / с пустотелым валом
FCV..B на лапах / многошпоночный с пустотелым валом
FCH..B на лапах / с пустотелым валом с усадочным диском
FCF.. B5 фланцевое
FCAF.. B5 фланцевое с пустотелым валом
FCVF.. B5 фланцевое / многошпоночный с пустотелым валом
FCHF.. B5 фланцевое / с пустотелым валом с усадочным диском
FCA.. с пустотелым валом
FCV.. многошпоночный с пустотелым валом
FCH.. с пустотелым валом и с усадочным диском
FCAZ.. B14 фланцевое с пустотелым валом
FCVZ.. B14 фланцевое / многошпоночный с пустотелым валом
FCHZ.. B14 фланцевое / с пустотелым валом и с усадочным диском
FC..RC.. Объединенный тип исполнения

Габарит

FC.. 27, 37, 47, 57, 67, 77, 87, 97, 107, 127, 157
FC..RC.. 27/17, 37/17, 47/17, 57/37, 67/37, 77/37, 87/57, 97/57, 107/77, 127/77, 127/87, 157/97

Передаточное
число

FC.. 3.77, ... ,281.71
FC..RC.. 87, ... ,31434

Положение клеммной
коробки электродвигателя

R(0°C)
B(90°C)
L(180°C)
T(270°C)
Печать

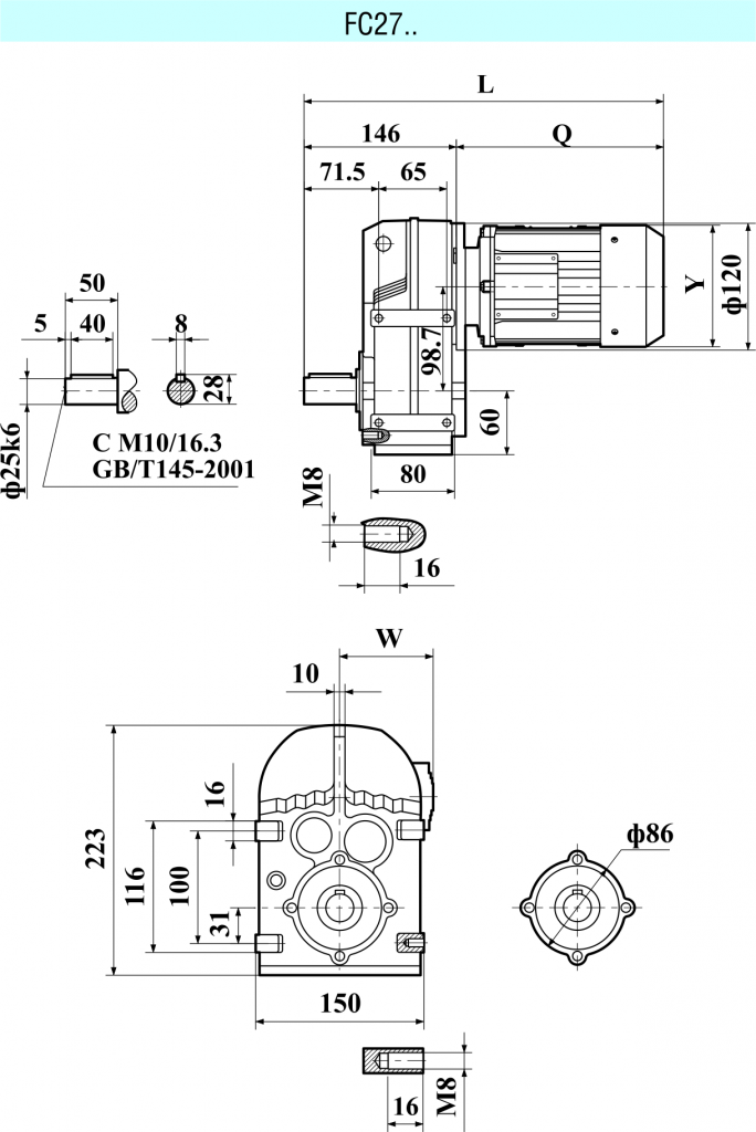
fc_03.jpg


Пункты 1 - 6 относятся к электродвигателю

Печать

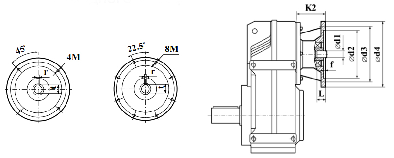
fc_razmer_val.jpg

Габарит Тип
входного вала
Передаточное
число
G1 K1 D1 L1 L2 L3 Т1 U1 М
27 AD1 33.83-140.74 120 102 16 40 32 4 18 5 М5
AD2 4.16-29.56 130 19 40 32 4 21.5 6 М6
37 AD1 51.70-128.51 102 16 40 32 4 18 5 М5
AD2 3.77-47.02 130 19 40 32 4 21.5 6 М6
47 AD1 68.09-190.76 102 16 40 32 4 18 5 М5
AD2 4.99-65.36 130 19 40 32 4 21.5 6 М6
57 AD2 24.96-199.70 160 123 19 40 32 4 21.5 6 М6
AD3 5.18-21.17 159 24 50 40 5 27 8 М8
67 AD2 36.30-228.99 123 19 40 32 4 21.5 6 М6
AD3 3.97-32.08 159 24 50 40 5 27 8 М8
77 AD2 48.37-281.71 200 116 19 40 32 4 21.5 6 М6
AD3 28.75-43.58 151 24 50 40 5 27 8 М8
AD4 4.28-25.50 224 38 80 70 5 41 10 М12
87 AD2 76.39-270.68 250 111 19 40 32 4 21.5 6 М6
AD3 39.30-68.40 156 28 60 50 5 31 8 М10
AD4 28.78-35.19 219 38 80 70 5 41 10 М12
AD5 4.12-26.50 292 42 110 70 10 45 12 М16
97 AD3 72.29-276.77 300 151 28 60 50 5 31 8 М10
AD4 36.64-65.47 214 38 80 70 5 41 10 М12
AD5 15.06-33.91 278 42 110 70 10 45 12 М16
AD6 4.57-12.77 327 48 110 80 10 51.5 14 М16
107 AD3 117.94-254.40 350 145 28 60 50 5 31 8 М10
AD4 50.73-101.38 208 38 80 70 5 41 10 М12
AD5 31.8-43.03 218 42 110 70 10 45 12 М16
AD6 6.22-33.79 321 48 110 80 10 51.5 14 М20
127 AD4 75.41-170.83 450 193 38 80 70 5 41 10 М20
AD5 42.15-70.07 266 42 110 70 10 45 12 М12
AD6 24.57-26.86, 37.28 306 48 110 80 10 51.5 14 М16
AD7 25.30-31.33 300 55 110 90 10 59 16 М16
AD8 4.68-21.38 383 70 140 110 15 74.5 20 М20
157 AD5 60.25-267.43, 53.55 550 258 42 110 70 10 45 12 М16
AD6 35.75-43.94, 52.24 298 48 110 80 10 51.5 14 М16
AD7 32.55-46.68 292 55 110 90 10 59 16 М20
AD8 11.92-28.6, 27.60 374 70 140 110 15 74.5 20 М20
Печать

fc_razmer_flanets.jpg

Габарит Тип фланца G2 K2 d1 d2 d3 d4 f r t L M
27/37/47 IEC63B5 120 63 11 95 115 140 5 4 12.8 23 10
IEC71B5 63 14 110 130 160 5 5 16.3 30 10
IEC80B5 85 19 130 165 200 5 6 21.8 40 12
IEC90B5 85 24 130 165 200 5 8 27.3 50 12
57/67 IEC63B5 160 61 11 95 115 140 5 4 12.8 23 10
IEC71B5 61 14 110 130 160 5 5 16.3 30 10
IEC80B5 90 19 130 165 200 5 6 21.8 40 12
IEC90B5 90 24 130 165 200 5 8 27.3 50 12
IEC100/112B5 88 28 180 215 250 5 8 31.3 60 15
77 IEC63B5 200 62 11 95 115 140 5 4 12.8 23 10
IEC71B5 62 14 110 130 160 5 5 16.3 30 10
IEC80B5 80 19 130 165 200 5 6 21.8 40 12
IEC90B5 80 24 130 165 200 5 8 27.3 50 12
IEC100/112B5 86 28 180 215 250 5 8 31.3 60 15
IEC132B5 108 38 230 265 300 5 10 41.3 80 15
87 IEC80B5 250 85 19 130 165 200 5 6 21.8 40 12
IEC90B5 85 24 130 165 200 5 8 27.3 50 12
IEC100/112B5 92 28 180 215 250 5 8 31.3 60 15
IEC132B5 128 38 230 265 300 5 10 41.3 80 15
IEC160B5 150 42 250 300 350 7 12 45.3 110 19
IEC180B5 150 48 250 300 350 7 14 51.8 110 19
97 IEC100/112B5 300 100 28 180 215 250 5 8 31.3 60 15
IEC132B5 120 38 230 265 300 5 10 41.3 80 15
IEC160B5 150 42 250 300 350 7 12 45.3 110 19
IEC180B5 150 48 250 300 350 7 14 51.8 110 19
IEC200B5 150 55 300 350 400 8 16 59.3 110 19
IEC225B5 180 60 350 400 450 8 18 64.4 140 19
107 IEC100/112B5 350 80 28 180 215 250 5 8 31.3 60 15
IEC132B5 119 38 230 265 300 5 10 41.3 80 15
IEC160B5 150 42 250 300 350 7 12 45.3 110 19
IEC180B5 150 48 250 300 350 7 14 51.8 110 19
IEC200B5 170 55 300 350 400 8 16 59.3 110 19
IEC225B5 200 60 350 400 450 8 18 64.4 140 19
127 IEC132B5 450 123 38 230 265 300 5 10 41.3 80 15
IEC160B5 206 42 250 300 350 7 12 45.3 110 19
IEC180B5 206 48 250 300 350 7 14 51.8 110 19
IEC200B5 206 55 300 350 400 8 16 59.3 110 19
IEC225B5 197 60 350 400 450 8 18 64.4 140 19
IEC250B5 220 65 450 500 550 10 18 69.4 140 19
IEC280B5 220 75 450 500 550 10 20 79.9 140 19
157 IEC160B5 550 190 42 250 300 350 7 12 45.3 110 19
IEC180B5 190 48 250 300 350 7 14 51.8 110 19
IEC200B5 190 55 300 350 400 8 16 59.3 110 19
IEC225B5 220 60 350 400 450 8 18 64.4 140 19
IEC250B5 220 65 450 500 550 10 18 69.4 140 19
IEC280B5 220 75 450 500 550 10 20 79.9 140 19
Печать

Монтажное исполнение для FC


fc_14.jpg



Монтажное исполнение для FCF


fc_15.jpg

Печать

4) FC37..-FC157...png


4.1) FC37, 47, 57, 67, 77, 87....png


Размер А а В
С
D
Е
Н1
Н2
L
L1
М
N
S1
S2
Размер выходного вала
d I I1
I2
u t V
FC37 112 31 77
115
95
72.5
76
252
160
110
165
135
М8
М8
25k6 50 5
40
8 28 M10
FC47 128.1 43 93
145
109
91
77
269
193
133
180
165
М8
М10
30k6 60 3.5
50
8 33 M10
FC57 136 55 102
170
126
104.5
93
317
221
150
200
195
М12
М12
35k6 70 7
56
10 38 M12
FC67 159.5 60 112
190
131
118.5
97
343
242
161
212
215
М12
М12
40k6 80 5
70
12 43 M16
FC77 200 70 140
240
165
137.5
121
426
294
193
270
275
М12
М16
50k6 100 10
80
14 53.5 M16
FC87 246.7 100 165
310
195
163
152
531
344
224
330
350
М16
М16
60m6 120 5
110
18 64 M20
FC97 285 120 205
 350
240
190.5
178
623
416
274
400
400
М16
М20
70m6 140 7.5
125
20 74.5 M20
FC107 332.4 125 220
400
260
241.5
200
717
484
312
450
460
-
М24
90m6 170 5
160
25 95 M24
FC127 382.6 142 270
450
316
291
236
856
585
373
530
520
-
М30
110m6 210 15
180
28 116 M24
FC157 447 170 310
540
364
325
286
1021
662
455
660
620
-
М36
120m6 210 5
200
32 127 M24

Размер

Размер выходного вала
FCA..B FCH..B FCV..B
I3
I4
I5
d1 d2 I6
I7
I8
t1
U1
S3
d3
d4
I9
I10
I11
I12
I13 I14
d5 d6 I15
I16 I17
I18 I19 S4
S5
Z*M
Me
Dm
37 2.5
22.5
123
45
30
120
105
17
33.3
8
М10*25
30
30
155
31
20
146
36
25
37
42
122
25
18
120
85
M10*30
M10
22*1.25
33.03
2.75
47 3
31
153
50
35
150
132
22
38.3
10
М12*30
35
35
184
32
20
177
37
25
37
42
152
32
18
150
115
M10*30
M10
16*2
38.92
4
57 3
33.5
170
55
40
166
142
29
43.3
12
М16*40
40
40
200
26
20
195
31
25
37
42
168
32
18
166
130
M10*30
M10
16*2
38.92
4
67 3.5
37.5
184
55
40
180
156
29
43.3
12
М16*40
40
40
215.5
38
20
208
43
25
47
52
180
42
25
180
130
M16*50
M16
21*2
48.85
4
77 4
36.5
213
70
50
210
183
32
53.8
14
М16*46
50
50
249
36
30
241
41
35
55
62
210
52
23
210
160
M16*50
M16
24*2
54.13
4
87 4
43
243
85
60
240
210
36
64.4
18
М20*50
65
65
291
41
40
281
46
45
72
82
240
62
25
240
180
M20*60
M20
31*2
68.96
4
97 4
48.5
303
95
70
300
270
34
74.9
20
М20*50
75
75
357
55
50
345
60
55
72
90
300
72
25
300
240
M20*60
M20
34*2
74.15
4
107 2.5
69.5
353
118
90
350
313
40
95.4
25
М24*60
95
95
420
65
60
405
75
70
90
105
353
89
26
350
290
M20*60
M20
27*3
90.99
4
127 2.5
79
413
135
100
410
373
38
106.4
28
М24*60
105
105
502
85
70
485
95
80
- - - - -
157 7
118
503
155
120
500
460
36
127.4
32
М24*60
125
125
598
90
80
580
100
90
- - - -
Печать

fcaz37_fcvz197_gabarit.jpg

Размер А D Е
F
Н1
Н2
L L1 N Р S1
S2
FCAZ37 112 110 11.5
3
76
252
110 165 80 11 9
М8
FCAZ47 128.1 120 11
3
77
269
133 180 80 11 9
М8
FCAZ57 136 155 12
3.5
93
317
150 200 105 17 13.5
М12
FCAZ67 159.5 155 12
3.5
97
343
161 212 105 17 13.5
М12
FCAZ77 200 170 14
3.5
121
426
193 270 125 17 13.5
М12
FCAZ87 246.7 215 15
4
152
531
224 330 155 26 17.5
М16
FCAZ97 285 260 18
4
178
623
274 400 180 26 17.5
М16
FCAZ107 332.4 304 22
4
200
717
312 450 210J6 28 22
М20
FCAZ127 382.6 350 30
5
236
856
373 530 250Н6 28 22
М20
FCAZ157 447 400 28
5
286
1021
455 660 290Н6 36 26
М24

Размер Размер  выходного вала
FCAZ.. FCHZ.. FCVZ..
I1
I2
d1
d2
I3
I4
I5
t
U
S1
d3
d4
I6
I7
I8
I9
I10
I11
d5
d6
I12
I13
I14
I15
I16
S2
S3
Z*M
Me
Dm
37 9
123
45
30
120
105
17
33.3
8
M10*25
30
30
155
31
20
146
36
25
37
42
122
25
18
120
85
M10*30
M10
22*1.25
33.03
2.75
47 8
153
50
35
150
132
22
38.3
10
M12*30
35
35
184
32
20
177
37
25
37
42
152
32
18
150
115
M10*30
M10
16*2
38.92
4
57 9
170
55
40
166
142
29
43.3
12
M16*40
40
40
200
26
20
195
31
25
37
42
168
32
18
166
130
M10*30
M10
16*2
38.92
4
67 8.5
184
55
40
180
156
29
43.3
12
M16*40
40
40
215.5
38
20
208
43
25
47
52
180
42
25
180
130
M16*50
M16
21*2
48.85
4
77 10
213
70
50
210
183
32
53.8
14
M16*46
50
50
249
36
30
241
41
35
55
62
210
52
23
210
160
M16*50
M16
24*2
54.13
4
87 11
243
85
60
240
210
36
64.4
18
M20*50
65
65
291
41
40
281
46
45
72
82
240
62
25
240
180
M20*60
M20
31*2
68.96
4
97 14
303
95
70
300
270
34
74.9
20
M20*50
75
75
357
55
50
345
60
55
72
90
300
72
25
300
240
M20*60
M20
34*2
74.15
4
107 8
353
118
90
350
313
40
95.4
25
M24*60
95
95
420
65
60
405
75
70
90
105
353
89
26
350
290
M20*60
M20
27*3
90.99
4
127 2.5
413
135
100
410
373
38
106.4
28
M24*60
105
105
502
85
70
485
95
80
- - - - -
157 14
503
155
120
500
460
36
127.4
32
M24*60
125
125
598
90
80
580
100
90
- - - - -
Печать

fca37_fcv107_gabarit.jpg

Размер А а1
а2
В1
В2
С1
С2
Н1
Н2
L L1 S FC../G
К1 К2 Р1 Р2 N
FCA37 112 158
31.5
15
46
30
12
76
252
110 165 14 40 12.5 20 1 5
FCA47 128.1 170
32
12
64
22
12
77
269
133 180 14 40 12.5 20 1.8 5
FCA57 136 198
19.5
19.5
60
31
14
93
317
150 200 14 40 12.5 20 2.4 5
FCA67 159.5 218
41
12
65
40
16
97
343
161 212 14 40 12.5 20 3 5
FCA77 200 278
 50
28
69
49
20
121
426
193 270 22 60 21 30 3.2 10
FCA87 246.7 346
62
32
79
57
26
152
531
224 330 22 60 21 30 4.5 10
FCA97 285 395
70
34
104
88
30
178
623
274 400 26 80 25 40 5 12
FCA107 332.4 485
88
57
100
108
36
200
717
312 450 26 80 25 40 6 12
FCA127 382.6 510
110
66
125
138
40
236
856
373 530 33 100 32 60 9 15
FCA157 447 660
150
98
140
170
45
286
1021
455 660 33 100 32 60 9 15

Размер Размер  выходного вала
FCA.. FCH.. FCV..
I1
I2
d1
d2
I3
I4
I5
t
U
S1
d3
d4
I6
I7
I8
I9
I10
I11
d5
d6
I12
I13
I14
I15
I16
S2
S3
Z*M
Me
Dm
37 0.5
123
45
30
120
105
17
33.3
8
M10*25
30
30
155
31
20
146
36
25
37
42
122
25
18
120
85
M10*30
M10
22*1.25
33.03
2.75
47 1
153
50
35
150
132
22
38.3
10
M12*30
35
35
184
32
20
177
37
25
37
42
152
32
18
150
115
M10*30
M10
16*2
38.92
4
57 1
170
55
40
166
 142
29
43.3
12
M16*40
40
40
200
26
20
195
31
25
37
42
168
32
18
166
130
M10*30
M10
16*2
38.92
4
67 1
184
55
40
180
156
29
43.3
12
M16*40
40
40
215.5
38
20
208
43
25
47
52
180
42
25
180
130
M16*50
M16
21*2
48.85
4
77 1
213
70
50
210
183
32
53.8
14
M16*46
50
50
249
36
30
241
41
35
55
62
210
52
23
210
160
M16*50
M16
24*2
54.13
4
87 1
243
85
60
240
210
36
64.4
18
M20*50
65
65
291
41
40
281
46
45
72
82
240
62
25
240
180
M20*60
M20
31*2
68.96
4
97 1
303
95
70
300
270
34
74.9
20
M20*50
75
75
357
55
50
345
60
55
72
90
300
72
25
300
240
M20*60
M20
34*2
74.15
4
107 2.5
353
118
90
350
313
40
95.4
25
M24*60
95
95
420
65
60
405
75
70
90
105
353
89
26
350
290
M20*60
M20
27*3
90.99
4
127 2.5
413
135
100
410
373
38
106.4
28
M24*60
105
105
502
85
70
485
95
80
- - - - -
157 7
503
155
120
500
460
36
127.4
32
M24*60
125
125
598
90
80
580
100
90
- - - - -
Печать

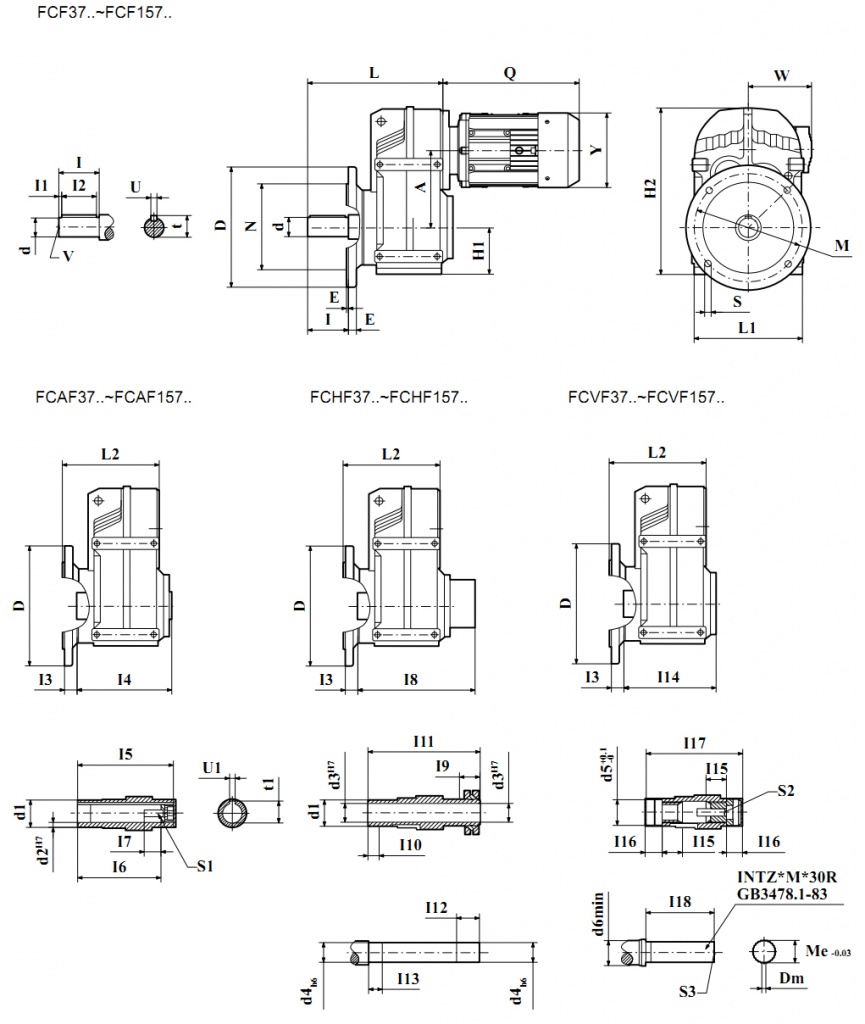
fcf37_fcvf157_gabarit.jpg

Размер А D В
F
Н1
Н2
L L1
L2
М
N
S Размер выходного вала
d I I2
I2
u t V
FCF37 112 160 10 3.5 76
252
184 165
138
130
110j6
4-ɸ9 25k6 50 5
40
8 28 M10
FCF47 128.1 200 12
3.5
77
269
218 180
162
165
130j6
4-ɸ11 30k6 60 3.5
50
8 33 M10
FCF57 136 250 15
4
93
317
243 200
177
215
180j6
4-ɸ13.5 35k6 70 7
56
10 38 M12
FCF67 159.5 250 15
4
97
343
264 212
188
215
180j6
4-ɸ13.5 40k6 80 5
70
12 43 M16
FCF77 200 300 16
4
121
426
330 270
234
265
230h6
4-ɸ13.5 50k6 100 10
80
14 53.5 M16
FCF87 246.7 350 18
5
152
531
374 330
259
300
250h6
4-ɸ17.5 60m6 120 5
110
18 64 M20
FCF97 285 450 22
5
178
623
456 400
321
400
350h6
8-ɸ17.5 70m6 140 7.5
125
20 74.5 M20
FCF107 332.4 450 22
5
200
717
523 450
358
400
350h6
8-ɸ17.5 90m6 170 5
160
25 95 M24
FCF127 382.6 550 25
5
236
856
634 530
429
500
450h6
8-ɸ17.5 110m6 210 15
180
28 116 M24
FCF157 447 660 28
6
286
1021
725 660
521
600
550h6
8-ɸ22 120m6 210 5
200
32 127 M24

Размер Размер  выходного вала
FCAF.. FCHF.. FCVF..
I3
I4
d1
d2
I5
I6
I7
t1
U1
S3
d3
d4
I8
I9
I10
I11
I12
I13
d5
d6
I14
I15
I16
I17
I18
S4
S5
Z*M
Me
Dm
37 24
123
45
30
120
105
17
33.3
8
M10*25
30
30
155
31
20
146
36
25
37
42
122
25
18
120
85
M10*30
M10
22*1.25
33.03
2.75
47 25
153
50
35
150
132
22
38.3
10
M12*30
35
35
184
32
20
177
37
25
37
42
152
32
18
150
115
M10*30
M10
16*2
38.92
4
57 23.5
170
55
40
166
142
29
43.3
12
M16*40
40
40
200
26
20
195
31
25
37
42
168
32
18
166
130
M10*30
M10
16*2
38.92
4
67 23
184
55
40
180
156
29
43.3
12
M16*40
40
40
215.5
38
20
208
43
25
47
52
180
42
25
180
130
M16*50
M16
21*2
48.85
4
77 37
213
70
50
210
183
32
53.8
14
M16*46
50
50
249
36
30
241
41
35
55
62
210
52
23
210
160
M16*50
M16
24*2
54.13
4
87 30
243
85
60
240
210
36
64.4
18
M20*50
65
65
291
41
40
281
46
45
72
82
240
62
25
240
180
M20*60
M20
31*2
68.96
4
97 41.5
303
95
70
300
270
34
74.9
20
M20*50
75
75
357
55
50
345
60
55
72
90
300
72
25
300
240
M20*60
M20
34*2
74.15
4
107 41
353
118
90
350
313
40
95.4
25
M24*60
95
95
420
65
60
405
75
70
90
105
353
89
26
350
290
M20*60
M20
27*3
90.99
4
127 51
413
135
100
410
373
38
106.4
28
M24*60
105
105
502
85
70
485
95
80
- - - - -
157 60
503
155
120
500
460
36
127.4
32
M24*60
125
125
598
90
80
580
100
90
- - - - -
Печать

fc_gabarit.jpg

Габарит Электродвигатель Y Q L
FC..37RC17
FC..47RC17
АИС-63.. 122 214 353
АИС-71.. 137 231 370
АИС-80.. 156 253 392
FC..57RC37 АИС-63.. 122 214 353
АИС-71.. 137 231 370
АИС-80.. 156 253 92.0
FC..67RC37 АИС-63.. 122 214 371
АИС-71.. 137 231 388
АИС-80.. 156 253 410
АИС-90.. 169 305 462
FC..77RC37 АИС-63.. 122 214 371
АИС-71.. 137 231 388
АИС-80.. 156 253 410
АИС-90.. 169 305 462
FC..87RC57 АИС-63.. 122 208 395
АИС-71.. 137 225 412
АИС-80.. 156 250 437
АИС-90.. 169 301 488
АИС-100.. 194 349 536
FC..97RC57 АИС-63.. 122 208 395
АИС-71.. 137 225 412
АИС-80.. 156 250 437
АИС-90.. 169 301 488
АИС-100. 194 349 536
АИС-112.. 226 350 537
FC..107RC77 АИС-63.. 122 206 26
АИС-71.. 137 223 43
АИС-80.. 156 251 71
АИС-90.. 169 299 19
АИС-100.. 194 346 66
АИС-112-M.. 226 350 70
АИС-132-S.. 266 405 25
АИС-132-M.. 266 405 25
АИС-160-M.. 320 500 20
FC..127RC77 АИС-63.. 122 206 426
АИС-71.. 137 223 443
АИС-80.. 156 251 471
АИС-90.. 169 299 519
АИС-100.. 194 346 566
АИС-112-M.. 226 350 570
АИС-132-S.. 266 405 625
АИС-132-M.. 266 445 665
АИС-160-M.. 320 500 720
FC..127RC87 АИС-90.. 169 293 565
АИС-100.. 194 340 612
АИС-112.. 226 350 622
АИС-132-S.. 266 405 677
АИС-132-M.. 266 445 717
АИС-160-M.. 320 500 772
АИС-160-L.. 320 545 817
АИС-180-M 362 570 842
FC..157RC97 АИС-180-L.. 362 610 882
АИС-80.. 156 247 567
АИС-90.. 169 296 616
АИС-100.. 194 339 659
АИС-112.. 226 350 670
АИС-132-S.. 266 405 725
АИС-132-M.. 266 445 765
АИС-160-M.. 320 500 820
АИС-160-L.. 320 545 865
АИС-180-M 362 570 890
АИС-180-L.. 362 610 930
АИС-200.. 400 675 1030
Печать
Температура среды эксплуатации от -10°C
до +40°C
от -20°C
до +25°C
от -30°C
до +10°C
от -40°C
до +20°C
от -40°C
до +80°C
от -40°C
до +10°C
Стандарт ISO VG220 VG150 VG68-46 VG22 VG220 VG32
VG100 VG32 VG15
Тип масла Минеральное Синтетическое
Рекомендуемые марки Shell Omala Oil 220 Shell Omala Oil 100 Shell Tellus T 32 Shell Tellus T 15 Shell Omala 220 HD -
Mobil Mobilgear 630 Mobil Mobilgear 627 Mobil D.T.E.13M Mobil D.T.E.11M Mobil SHC 630 Mobil SHC 624
BP Energol GR-XP220 BP Energol GR-XP100 - BP Energol GR-HM10 - -

Печать

FC…, FCA…B, FCH…B, FCV…B

Габарит
редуктора
Монтажное исполнение
М1 М2 М3 М4 М5 М6
FC…27 0,6 0,8 0,7 0,7 0,6 0,6
FC…37 0,95 1,25 0,7 1,25 1,0 1,1
FC…47 1,5 1,8 1,1 1,9 1,5 1,7
FC…57 2,6 3,5 2,1 3,5 2,8 2,9
FC…67 2,7 3,8 1,9 3,8 2,9 3,2
FC…77 5,9 7,3 4,3 8,0 6,0 6,3
FC…87 10,8 13,0 7,7 13,8 10,8 11,0
FC…97 18,5 22,5 12,6 25,2 18,5 20,0
FC…107 24,5 32,0 19,5 37,5 27,0 27,0
FC…127 40,5 55,5 34,0 61,0 46,5 47,0
FC…157 69,0 104,0 63,0 105,0 86,0 78,0  


FCF

Габарит
редуктора
Монтажное исполнение
М1 М2 М3 М4 М5 М6
FCF27 0,6 0,8 0,7 0,7 0,6 0,6
FCF37 1,0 1,25 0,7 1,3 1,0 1,1
FCF47 1,6 1,85 1,1 1,9 1,5 1,7
FCF57 2,8 3,5 2,1 3,7 2,9 3,0
FCF67 2,7 3,8 1,9 3,8 2,9 3,2
FCF77 5,9 7,3 4,3 8,1 6,0 6,3
FCF87 10,8 13,2 7,8 14,1 11,0 11,2
FCF97 19,0 22,5 12,6 25,5 18,9 20,5
FCF107 25,5 32,0 19,5 38,5 27,5 28,0
FCF127 41,5 56,5 34,0 63,0 46,5 49,0
FCF157 72,0 105,0 64,0 106,0 87,0 79,0


FCA…, FCH…, FCV…, FCAF…, FCHF…, FCVF…, FCAZ…, FCHZ…, FCVZ…

Габарит
редуктора
Монтажное исполнение
М1 М2 М3 М4 М5 М6
FC…27 0,6 0,8 0,7 0,7 0,6 0,6
FC…37 0,95 1,25 0,7 1,25 1,0 1,1
FC…47 1,5 1,8 1,1 1,9 1,5 1,7
FC…57 2,7 3,5 2,1 3,4 2,9 3,0
FC…67 2,7 3,8 1,9 3,8 2,9 3,2
FC…77 5,9 7,3 4,3 8,0 6,0 6,3
FC…87 10,8 13,0 7,7 13,8 10,8 11,0
FC…97 18,5 22,5 12,6 25,5 18,5 20,0
FC…107 24,5 32,0 19,5 37,5 27,0 27,0
FC…127 39,0 55,5 34,0 61,0 45,0 46,5
FC…157 68,0 103,0 62,0 104,0 85,0 77,0
 

Оставьте заявку и мы свяжемся с вами

CAPTCHA