Редукторы червячные двухступенчатые DRW
Червячные редукторы типа DRW состоят из двух червячных передач, соединённых между собой переходником. Конструктивно редукторы являются самостоятельным узлом. Мотор-редуктор представляет собой редуктор, агрегатированный с электродвигателем. Для изменения скорости вращения выходного вала мотор-редуктор может агрегатироваться с вариатором или эксплуатироваться с преобразователем частоты.
Редукторы ENERAL типа DRW изготовлены в соответствии с ГОСТ 31592-2012. Климатическое исполнение: У, УХЛ и Т по ГОСТ 15150-69.
Подробнее о преимуществах червячных редукторов ENERAL
Гарантия - 12 месяцев с даты ввода в эксплуатацию, но не более 18 месяцев с даты продажи.

* - при отсутствии данного модуля или детали в условном обозначении ничего не указывается.

* - при отсутствии данного модуля или детали в условном обозначении ничего не указывается.
|
Мощность, кВт |
Габаритный размер |
i общее |
Крутящий момент, Н/м |
i1 | i2 |
|---|---|---|---|---|---|
| 0,06 | 030/040 | 300 | 68,7 | 10 | 30 |
| 030/040 | 400 | 90,7 | 10 | 40 | |
| 030/040 | 500 | 101,6 | 20 | 25 | |
| 030/040 | 600 | 111,5 | 20 | 30 | |
| 030/040 | 750 | 145 | 25 | 30 | |
| 030/040 | 900 | 165,8 | 30 | 30 | |
| 030/050 | 174,7 | ||||
| 030/040 | 1200 | 218,8 | 30 | 40 | |
| 030/050 | 227 | ||||
| 030/040 | 1500 | 234,9 | 50 | 30 | |
| 030/050 | 247,5 | ||||
| 030/063 | 270,2 | 30 | 50 | ||
| 030/040 | 1800 | 258,6 | 60 | 30 | |
| 030/050 | 272,3 | ||||
| 030/063 | 280,6 | 30 | 60 | ||
| 030/040 | 2400 | 341,2 | 60 | 40 | |
| 030/050 | 353,9 | ||||
| 030/063 | 365,7 | ||||
| 040/175 | 388,7 | ||||
| 030/040 | 3000 | 385,6 | 60 | 50 | |
| 030/050 | 404,8 | ||||
| 030/063 | 421,4 | ||||
| 040/075 | 485,3 | ||||
| 030/040 | 3200 | 369,2 | 80 | 40 | |
| 0,09 | 030/040 | 300 | 103,1 | 10 | 30 |
| 030/050 | 400 | 141,1 | 10 | 40 | |
| 030/050 | 500 | 161,3 | 10 | 50 | |
| 030/050 | 600 | 176,2 | 20 | 30 | |
| 030/050 | 750 | 229,1 | 25 | 30 | |
| 030/063 | 900 | 272,7 | 30 | 30 | |
| 030/063 | 1200 | 351,8 | 30 | 40 | |
| 040/075 | 1500 | 450,5 | 50 | 30 | |
| 040/075 | 1800 | 460 | 60 | 30 | |
| 040/090 | 2400 | 579,3 | 60 | 40 | |
| 040/090 | 3000 | 688,2 | 60 | 50 | |
| 0,12 | 030/050 | 300 | 144,7 | 10 | 30 |
| 030/050 | 400 | 188,1 | 10 | 40 | |
| 030/063 | 500 | 223,9 | 10 | 50 | |
| 030/063 | 600 | 275 | 15 | 40 | |
| 030/063 | 750 | 316,8 | 15 | 50 | |
| 040/075 | 900 | 402,8 | 30 | 30 | |
| 030/063 | 1200 | 469,1 | 30 | 40 | |
| 040/075 | 510,5 | ||||
| 040/090 | 1500 | 602,5 | 30 | 50 | |
| 040/090 | 1800 | 686,2 | 30 | 60 | |
| 040/090 | 2400 | 579,3 | 60 | 40 | |
| 040/090 | 3000 | 688,2 | 60 | 50 | |
| 0,18 | 030/050 | 300 | 217,1 | 10 | 30 |
| 030/063 | 400 | 291,5 | 10 | 40 | |
| 030/063 | 500 | 335,9 | 10 | 50 | |
| 040/075 | 600 | 427,6 | 20 | 30 | |
| 040/075 | 750 | 550,4 | 25 | 30 | |
| 040/090 | 900 | 599,7 | 30 | 30 | |
| 040/090 | 1200 | 760,8 | 30 | 40 | |
| 040/090 | 1500 | 903,7 | 30 | 50 | |
| 050/110 | 1800 | 932,3 | 60 | 30 | |
| 050/110 | 2400 | 1216,4 | 60 | 40 | |
| 0,25 | 040/075 | 300 | 347,6 | 10 | 30 |
| 040/075 | 400 | 440,6 | 10 | 40 | |
| 040/075 | 500 | 550,1 | 10 | 50 | |
| 040/090 | 600 | 639,1 | 15 | 40 | |
| 040/090 | 750 | 790,7 | 15 | 50 | |
| 040/090 | 900 | 900,6 | 15 | 60 | |
| 050/110 | 1200 | 1129 | 30 | 40 | |
| 050/110 | 1500 | 1285,9 | 50 | 30 | |
| 050/110 | 1800 | 1294,9 | 60 | 30 | |
| 063/130 | 2400 | 1820,3 | 60 | 40 | |
| 063/130 | 3000 | 2214,1 | 60 | 50 | |
| 0,37 | 040/075 | 300 | 514,5 | 10 | 30 |
| 040/090 | 499,3 | 7,5 | 40 | ||
| 040/090 | 400 | 647,9 | 10 | 40 | |
| 040/090 | 500 | 769,7 | 10 | 50 | |
| 040/090 | 600 | 932,5 | 15 | 40 | |
| 050/110 | 750 | 1157,2 | 25 | 30 | |
| 050/110 | 900 | 1280,6 | 30 | 30 | |
| 063/130 | 1200 | 1741,2 | 40 | 30 | |
| 063/130 | 1500 | 2006,2 | 50 | 30 | |
| 063/130 | 1800 | 2082,8 | 60 | 30 | |
| 0,55 | 050/110 | 300 | 760,4 | 10 | 30 |
| 050/110 | 400 | 992,1 | 10 | 40 | |
| 050/110 | 500 | 1227,3 | 10 | 50 | |
| 050/110 | 600 | 1411,3 | 15 | 40 | |
| 050/110 | 750 | 1720,2 | 25 | 30 | |
| 063/130 | 1200 | 2595 | 30 | 40 | |
| 0,75 | 050/110 | 300 | 1036,9 | 10 | 30 |
| 050/110 | 400 | 1352,9 | 10 | 40 | |
| 063/130 | 500 | 1686,7 | 10 | 50 | |
| 063/130 | 600 | 1984,5 | 15 | 40 | |
| 063/130 | 750 | 2403 | 25 | 30 | |
| 063/130 | 900 | 2735,8 | 30 | 30 | |
| 1,1 | 063/130 | 300 | 1572,5 | 10 | 30 |
| 063/130 | 400 | 2033,9 | 10 | 40 | |
| 1,5 | 063/130 | 300 | 2144,3 | 10 | 30 |
| n2
(1 /мин) |
M2 (Н/м) |
S.f. | i | Габаритный размер редуктора |
Мощность/обороты двигателя (кВт/ об/мин) |
Fr (Н) |
|---|---|---|---|---|---|---|
| 0,9 кВт | ||||||
| 14 | 39 | 1,8 | 100 | DRW030/040 | 0,09/1400 | 2769 |
| 9,3 | 56 | 1,3 | 150 | DRW030/040 | 0,09/1400 | 3169 |
| 7 | 70 | 0,9 | 200 | DRW030/040 | 0,09/1400 | 3488 |
| 5,6 | 83 | 0,7 | 250 | DRW030/040 | 0,09/1400 | 3490 |
| 4,7 | 90 | 0,8 | 300 | DRW030/040 | 0,09/1400 | 3490 |
| 14 | 40 | 3,4 | 100 | DRW030/050 | 0,09/1400 | 3800 |
| 9,3 | 56 | 2,4 | 150 | DRW030/050 | 0,09/1400 | 4350 |
| 7 | 70 | 1,7 | 200 | DRW030/050 | 0,09/1400 | 4788 |
| 5,6 | 83 | 1,3 | 250 | DRW030/050 | 0,09/1400 | 4840 |
| 4,7 | 92 | 1,6 | 300 | DRW030/050 | 0,09/1400 | 4840 |
| 3,5 | 110 | 1,1 | 400 | DRW030/050 | 0,09/1400 | 4840 |
| 2,8 | 127 | 0,9 | 500 | DRW030/050 | 0,09/1400 | 4840 |
| 2,3 | 164 | 0,9 | 600 | DRW030/050 | 0,09/1400 | 4840 |
| 1,9 | 191 | 0,8 | 750 | DRW030/050 | 0,09/1400 | 4840 |
| 5,6 | 85 | 2,7 | 250 | DRW030/063 | 0,09/1400 | 6270 |
| 4,7 | 88 | 2,9 | 300 | DRW030/063 | 0,09/1400 | 6270 |
| 3,5 | 114 | 2,2 | 400 | DRW030/063 | 0,09/1400 | 6270 |
| 2,8 | 132 | 1,8 | 500 | DRW030/063 | 0,09/1400 | 6270 |
| 2,3 | 166 | 1,6 | 600 | DRW030/063 | 0,09/1400 | 6270 |
| 1,9 | 194 | 1,4 | 750 | DRW030/063 | 0,09/1400 | 6270 |
| 1,6 | 222 | 1,2 | 900 | DRW030/063 | 0,09/1400 | 6270 |
| 1,2 | 270 | 1 | 1200 | DRW030/063 | 0,09/1400 | 6270 |
| 0,9 | 315 | 0,9 | 1500 | DRW030/063 | 0,09/1400 | 6270 |
| 0,8 | 351 | 0,8 | 1800 | DRW030/063 | 0,09/1400 | 6270 |
| 0,9 | 371 | 1,2 | 1500 | DRW040/075 | 0,09/1400 | 7380 |
| 0,8 | 417 | 1,1 | 1800 | DRW040/075 | 0,09/1400 | 7380 |
| 0,6 | 513 | 0,8 | 2400 | DRW040/075 | 0,09/1400 | 7380 |
| 0,9 | 389 | 1,8 | 1500 | DRW040/090 | 0,09/1400 | 8180 |
| 0,8 | 437 | 1,6 | 1800 | DRW040/090 | 0,09/1400 | 8180 |
| 0,6 | 539 | 1,1 | 2400 | DRW040/090 | 0,09/1400 | 8180 |
| 0,5 | 630 | 0,9 | 3000 | DRW040/090 | 0,09/1400 | 8180 |
| 0,4 | 755 | 0,7 | 4000 | DRW040/090 | 0,09/1400 | 8180 |
| 0,12 кВт | ||||||
| 14 | 52 | 1,4 | 100 | DRW030/040 | 0,12/1400 | 2769 |
| 9,3 | 74 | 1 | 150 | DRW030/040 | 0,12/1400 | 3169 |
| 14 | 54 | 2,6 | 100 | DRW030/050 | 0,12/1400 | 3800 |
| 9,3 | 74 | 1,8 | 150 | DRW030/050 | 0,12/1400 | 4350 |
| 7 | 94 | 1,3 | 200 | DRW030/050 | 0,12/1400 | 4788 |
| 5,6 | 110 | 1 | 250 | DRW030/050 | 0,12/1400 | 4840 |
| 4,7 | 122 | 1,2 | 300 | DRW030/050 | 0,12/1400 | 4840 |
| 3,5 | 147 | 0,8 | 400 | DRW030/050 | 0,12/1400 | 4840 |
| 2,8 | 170 | 0,7 | 500 | DRW030/050 | 0,12/1400 | 4840 |
| 14 | 54 | 2,8 | 100 | DRW030/063 | 0,12/1400 | 4967 |
| 9,3 | 75 | 2,8 | 150 | DRW030/063 | 0,12/1400 | 5686 |
| 7 | 95 | 2,7 | 200 | DRW030/063 | 0,12/1400 | 6259 |
| 5,6 | 114 | 2 | 250 | DRW030/063 | 0,12/1400 | 6270 |
| 4,7 | 117 | 2,2 | 300 | DRW030/063 | 0,12/1400 | 6270 |
| 3,5 | 152 | 1,7 | 400 | DRW030/063 | 0,12/1400 | 6270 |
| 2,8 | 177 | 1,3 | 500 | DRW030/063 | 0,12/1400 | 6270 |
| 2,3 | 222 | 1,2 | 600 | DRW030/063 | 0,12/1400 | 6270 |
| 1,9 | 258 | 1 | 750 | DRW030/063 | 0,12/1400 | 6270 |
| 1,6 | 297 | 0,9 | 900 | DRW030/063 | 0,12/1400 | 6270 |
| 1,2 | 360 | 0,8 | 1200 | DRW030/063 | 0,12/1400 | 6270 |
| 5,6 | 120 | 3,2 | 250 | DRW040/075 | 0,12/1400 | 7380 |
| 4,7 | 134 | 3,3 | 300 | DRW040/075 | 0,12/1400 | 7380 |
| 3,5 | 164 | 2,5 | 400 | DRW040/075 | 0,12/1400 | 7380 |
| 2,8 | 188 | 2 | 500 | DRW040/075 | 0,12/1400 | 7380 |
| 2,3 | 248 | 1,8 | 600 | DRW040/075 | 0,12/1400 | 7380 |
| 1,9 | 299 | 1,5 | 750 | DRW040/075 | 0,12/1400 | 7380 |
| 1,6 | 335 | 1,3 | 900 | DRW040/075 | 0,12/1400 | 7380 |
| 1,2 | 415 | 1,1 | 1200 | DRW040/075 | 0,12/1400 | 7380 |
| 0,9 | 495 | 0,9 | 1500 | DRW040/075 | 0,12/1400 | 7380 |
| 0,8 | 556 | 0,8 | 1800 | DRW040/075 | 0,12/1400 | 7380 |
| 2,8 | 202 | 2,8 | 500 | DRW040/090 | 0,12/1400 | 8180 |
| 2,3 | 260 | 2,7 | 600 | DRW040/090 | 0,12/1400 | 8180 |
| 1,9 | 313 | 2,2 | 750 | DRW040/090 | 0,12/1400 | 8180 |
| 1,6 | 350 | 2 | 900 | DRW040/090 | 0,12/1400 | 8180 |
| 1,2 | 434 | 1,6 | 1200 | DRW040/090 | 0,12/1400 | 8180 |
| 0,9 | 518 | 1,4 | 1500 | DRW040/090 | 0,12/1400 | 8180 |
| 0,8 | 582 | 1,2 | 1800 | DRW040/090 | 0,12/1400 | 8180 |
| 0,6 | 719 | 0,8 | 2400 | DRW040/090 | 0,12/1400 | 8180 |
| 1,2 | 448 | 2,8 | 1200 | DRW050/110 | 0,12/1400 | 10320 |
| 0,9 | 527 | 2,4 | 1500 | DRW050/110 | 0,12/1400 | 10320 |
| 0,8 | 592 | 2,1 | 1800 | DRW050/110 | 0,12/1400 | 10320 |
| 0,6 | 766 | 1,5 | 2400 | DRW050/110 | 0,12/1400 | 10320 |
| 0,5 | 914 | 1,2 | 3000 | DRW050/110 | 0,12/1400 | 10320 |
| 0,4 | 1096 | 1 | 4000 | DRW050/110 | 0,12/1400 | 10320 |
| 0,3 | 1269 | 0,9 | 5000 | DRW050/110 | 0,12/1400 | 10320 |
| 0,18 кВт | ||||||
| 14 | 78 | 0,9 | 100 | DRW030/040 | 0,18/1400 | 2769 |
| 14 | 81 | 1,7 | 100 | DRW030/050 | 0,18/1400 | 3800 |
| 9,3 | 112 | 1,2 | 150 | DRW030/050 | 0,18/1400 | 4350 |
| 7 | 141 | 0,9 | 200 | DRW030/050 | 0,18/1400 | 4788 |
| 4,7 | 183 | 0,8 | 300 | DRW030/050 | 0,18/1400 | 4840 |
| 14 | 81 | 1,9 | 100 | DRW030/063 | 0,18/1400 | 4967 |
| 9,3 | 113 | 1,9 | 150 | DRW030/063 | 0,18/1400 | 5686 |
| 7 | 143 | 1,8 | 200 | DRW030/063 | 0,18/1400 | 6259 |
| 5,6 | 171 | 1,4 | 250 | DRW030/063 | 0,18/1400 | 6270 |
| 4,7 | 175 | 1,5 | 300 | DRW030/063 | 0,18/1400 | 6270 |
| 3,5 | 228 | 1,1 | 400 | DRW030/063 | 0,18/1400 | 6270 |
| 2,8 | 265 | 0,9 | 500 | DRW030/063 | 0,18/1400 | 6270 |
| 2,3 | 333 | 0,8 | 600 | DRW030/063 | 0,18/1400 | 6270 |
| 7 | 150 | 2,8 | 200 | DRW040/075 | 0,18/1400 | 7380 |
| 5,6 | 180 | 2,1 | 250 | DRW040/075 | 0,18/1400 | 7380 |
| 4,7 | 200 | 2,2 | 300 | DRW040/075 | 0,18/1400 | 7380 |
| 3,5 | 246 | 1,7 | 400 | DRW040/075 | 0,18/1400 | 7380 |
| 2,8 | 282 | 1,3 | 500 | DRW040/075 | 0,18/1400 | 7380 |
| 2,3 | 372 | 1,2 | 600 | DRW040/075 | 0,18/1400 | 7380 |
| 1,9 | 448 | 1 | 750 | DRW040/075 | 0,18/1400 | 7380 |
| 1,6 | 502 | 0,9 | 900 | DRW040/075 | 0,18/1400 | 7380 |
| 1,2 | 622 | 0,7 | 1200 | DRW040/075 | 0,18/1400 | 7380 |
| 5,6 | 188 | 3 | 250 | DRW040/090 | 0,18/1400 | 8180 |
| 4,7 | 210 | 3,3 | 300 | DRW040/090 | 0,18/1400 | 8180 |
| 3,5 | 259 | 2,4 | 400 | DRW040/090 | 0,18/1400 | 8180 |
| 2,8 | 303 | 1,9 | 500 | DRW040/090 | 0,18/1400 | 8180 |
| 2,3 | 390 | 1,8 | 600 | DRW040/090 | 0,18/1400 | 8180 |
| 1,9 | 469 | 1,5 | 750 | DRW040/090 | 0,18/1400 | 8180 |
| 1,6 | 526 | 1,3 | 900 | DRW040/090 | 0,18/1400 | 8180 |
| 1,2 | 652 | 1,1 | 1200 | DRW040/090 | 0,18/1400 | 8180 |
| 0,9 | 777 | 0,9 | 1500 | DRW040/090 | 0,18/1400 | 8180 |
| 0,8 | 874 | 0,8 | 1800 | DRW040/090 | 0,18/1400 | 8180 |
| 1,2 | 671 | 1,9 | 1200 | DRW050/110 | 0,18/1400 | 10320 |
| 0,9 | 790 | 1,6 | 1500 | DRW050/110 | 0,18/1400 | 10320 |
| 0,8 | 888 | 1,4 | 1800 | DRW050/110 | 0,18/1400 | 10320 |
| 0,6 | 1149 | 1 | 2400 | DRW050/110 | 0,18/1400 | 10320 |
| 0,5 | 1370 | 0,8 | 3000 | DRW050/110 | 0,18/1400 | 10320 |
| 0,25 кВт | ||||||
| 14 | 112 | 1,2 | 100 | DRW030/050 | 0,25/1400 | 3800 |
| 9,3 | 155 | 0,9 | 150 | DRW030/050 | 0,25/1400 | 4350 |
| 14 | 112 | 1,3 | 100 | DRW030/063 | 0,25/1400 | 4967 |
| 9,3 | 157 | 1,3 | 150 | DRW030/063 | 0,25/1400 | 5686 |
| 7 | 198 | 1,3 | 200 | DRW030/063 | 0,25/1400 | 6259 |
| 5,6 | 237 | 1 | 250 | DRW030/063 | 0,25/1400 | 6270 |
| 4,7 | 244 | 1 | 300 | DRW030/063 | 0,25/1400 | 6270 |
| 3,5 | 317 | 0,8 | 400 | DRW030/063 | 0,25/1400 | 6270 |
| 14 | 116 | 3 | 100 | DRW040/075 | 0,25/1400 | 5863 |
| 9,3 | 165 | 2,6 | 150 | DRW040/075 | 0,25/1400 | 6712 |
| 7 | 209 | 2 | 200 | DRW040/075 | 0,25/1400 | 7380 |
| 5,6 | 250 | 1,5 | 250 | DRW040/075 | 0,25/1400 | 7380 |
| 4,7 | 278 | 1,6 | 300 | DRW040/075 | 0,25/1400 | 7380 |
| 3,5 | 342 | 1,2 | 400 | DRW040/075 | 0,25/1400 | 7380 |
| 2,8 | 391 | 0,9 | 500 | DRW040/075 | 0,25/1400 | 7380 |
| 2,3 | 517 | 0,9 | 600 | DRW040/075 | 0,25/1400 | 7380 |
| 1,9 | 622 | 0,7 | 750 | DRW040/075 | 0,25/1400 | 7380 |
| 14 | 119 | 3 | 100 | DRW040/090 | 0,25/1400 | 6487 |
| 9,3 | 170 | 3 | 150 | DRW040/090 | 0,25/1400 | 7426 |
| 7 | 217 | 2,8 | 200 | DRW040/090 | 0,25/1400 | 8174 |
| 5,6 | 261 | 2,2 | 250 | DRW040/090 | 0,25/1400 | 8180 |
| 4,7 | 291 | 2,4 | 300 | DRW040/090 | 0,25/1400 | 8180 |
| 3,5 | 359 | 1,7 | 400 | DRW040/090 | 0,25/1400 | 8180 |
| 2,8 | 420 | 1,3 | 500 | DRW040/090 | 0,25/1400 | 8180 |
| 2,3 | 542 | 1,3 | 600 | DRW040/090 | 0,25/1400 | 8180 |
| 1,9 | 651 | 1,1 | 750 | DRW040/090 | 0,25/1400 | 8180 |
| 1,6 | 730 | 1 | 900 | DRW040/090 | 0,25/1400 | 8180 |
| 1,2 | 905 | 0,8 | 1200 | DRW040/090 | 0,25/1400 | 8180 |
| 1,2 | 932 | 1,4 | 1200 | DRW050/110 | 0,25/1400 | 10320 |
| 0,9 | 1097 | 1,2 | 1500 | DRW050/110 | 0,25/1400 | 10320 |
| 0,8 | 1234 | 1 | 1800 | DRW050/110 | 0,25/1400 | 10320 |
| 0,6 | 1596 | 0,7 | 2400 | DRW050/110 | 0,25/1400 | 10320 |
| 3,5 | 386 | 3,1 | 400 | DRW050/110 | 0,25/1400 | 10320 |
| 2,8 | 512 | 2,3 | 500 | DRW050/110 | 0,25/1400 | 10320 |
| 2,3 | 548 | 2,3 | 600 | DRW050/110 | 0,25/1400 | 10320 |
| 1,9 | 660 | 1,9 | 750 | DRW050/110 | 0,25/1400 | 10320 |
| 1,6 | 751 | 1,7 | 900 | DRW050/110 | 0,25/1400 | 10320 |
| 3,5 | 386 | 3,1 | 400 | DRW063/110 | 0,25/1400 | 10320 |
| 2,8 | 524 | 2,2 | 500 | DRW063/110 | 0,25/1400 | 10320 |
| 2,3 | 562 | 2,3 | 600 | DRW063/110 | 0,25/1400 | 10320 |
| 1,9 | 677 | 1,9 | 750 | DRW063/110 | 0,25/1400 | 10320 |
| 1,6 | 771 | 1,6 | 900 | DRW063/110 | 0,25/1400 | 10320 |
| 1,2 | 973 | 1,3 | 1200 | DRW063/110 | 0,25/1400 | 10320 |
| 0,9 | 1148 | 1,1 | 1500 | DRW063/110 | 0,25/1400 | 10320 |
| 0,8 | 1296 | 1 | 1800 | DRW063/110 | 0,25/1400 | 10320 |
| 0,6 | 1676 | 0,7 | 2400 | DRW063/110 | 0,25/1400 | 10320 |
| 2,8 | 460 | 3,4 | 500 | DRW063/130 | 0,25/1400 | 13500 |
| 2,3 | 571 | 3,1 | 600 | DRW063/130 | 0,25/1400 | 13500 |
| 1,9 | 687 | 2,6 | 750 | DRW063/130 | 0,25/1400 | 13500 |
| 1,6 | 783 | 2,2 | 900 | DRW063/130 | 0,25/1400 | 13500 |
| 1,2 | 988 | 1,8 | 1200 | DRW063/130 | 0,25/1400 | 13500 |
| 0,9 | 1165 | 1,5 | 1500 | DRW063/130 | 0,25/1400 | 13500 |
| 0,8 | 1315 | 1,3 | 1800 | DRW063/130 | 0,25/1400 | 13500 |
| 0,6 | 1676 | 1 | 2400 | DRW063/130 | 0,25/1400 | 13500 |
| 0,5 | 1998 | 0,8 | 3000 | DRW063/130 | 0,25/1400 | 13500 |
| 1,9 | 666 | 3,5 | 750 | DRW063/150 | 0,25/1400 | 18000 |
| 1,6 | 840 | 2,5 | 900 | DRW063/150 | 0,25/1400 | 18000 |
| 1,2 | 1013 | 2,6 | 1200 | DRW063/150 | 0,25/1400 | 18000 |
| 0,8 | 1412 | 1,5 | 1800 | DRW063/150 | 0,25/1400 | 18000 |
| 0,6 | 1702 | 1,6 | 2400 | DRW063/150 | 0,25/1400 | 18000 |
| 0,5 | 1998 | 1,2 | 3000 | DRW063/150 | 0,25/1400 | 18000 |
| 0,4 | 2453 | 0,9 | 4000 | DRW063/150 | 0,25/1400 | 18000 |
| 0,3 | 2749 | 0,8 | 5000 | DRW063/150 | 0,25/1400 | 18000 |
| 0,37 кВт | ||||||
| 14 | 172 | 2,1 | 100 | DRW040/075 | 0,37/1400 | 5863 |
| 9,3 | 245 | 1,7 | 150 | DRW040/075 | 0,37/1400 | 6712 |
| 7 | 309 | 1,4 | 200 | DRW040/075 | 0,37/1400 | 7380 |
| 5,6 | 370 | 1 | 250 | DRW040/075 | 0,37/1400 | 7380 |
| 4,7 | 412 | 1,1 | 300 | DRW040/075 | 0,37/1400 | 7380 |
| 3,5 | 506 | 0,8 | 400 | DRW040/075 | 0,37/1400 | 7380 |
| 14 | 176 | 2,1 | 100 | DRW040/090 | 0,37/1400 | 6487 |
| 9,3 | 251 | 2,1 | 150 | DRW040/090 | 0,37/1400 | 7426 |
| 7 | 322 | 1,9 | 200 | DRW040/090 | 0,37/1400 | 8174 |
| 5,6 | 386 | 1,5 | 250 | DRW040/090 | 0,37/1400 | 8180 |
| 4,7 | 431 | 1,6 | 300 | DRW040/090 | 0,37/1400 | 8180 |
| 3,5 | 532 | 1,1 | 400 | DRW040/090 | 0,37/1400 | 8180 |
| 2,8 | 622 | 0,9 | 500 | DRW040/090 | 0,37/1400 | 8180 |
| 2,3 | 802 | 0,9 | 600 | DRW040/090 | 0,37/1400 | 8180 |
| 1,9 | 964 | 0,7 | 750 | DRW040/090 | 0,37/1400 | 8180 |
| 7 | 338 | 3,4 | 200 | DRW050/110 | 0,37/1400 | 10320 |
| 5,6 | 412 | 2,8 | 250 | DRW050/110 | 0,37/1400 | 10320 |
| 4,7 | 441 | 2,9 | 300 | DRW050/110 | 0,37/1400 | 10320 |
| 3,5 | 571 | 2,1 | 400 | DRW050/110 | 0,37/1400 | 10320 |
| 2,8 | 757 | 1,5 | 500 | DRW050/110 | 0,37/1400 | 10320 |
| 2,3 | 812 | 1,6 | 600 | DRW050/110 | 0,37/1400 | 10320 |
| 1,9 | 977 | 1,3 | 750 | DRW050/110 | 0,37/1400 | 10320 |
| 1,6 | 1111 | 1,1 | 900 | DRW050/110 | 0,37/1400 | 10320 |
| 1,2 | 1380 | 0,9 | 1200 | DRW050/110 | 0,37/1400 | 10320 |
| 0,9 | 1623 | 0,8 | 1500 | DRW050/110 | 0,37/1400 | 10320 |
| 7 | 338 | 3,4 | 200 | DRW063/110 | 0,37/1400 | 10320 |
| 5,6 | 412 | 2,8 | 250 | DRW063/110 | 0,37/1400 | 10320 |
| 4,7 | 441 | 2,9 | 300 | DRW063/110 | 0,37/1400 | 10320 |
| 3,5 | 571 | 2,1 | 400 | DRW063/110 | 0,37/1400 | 10320 |
| 2,8 | 776 | 1,5 | 500 | DRW063/110 | 0,37/1400 | 10320 |
| 2,3 | 832 | 1,5 | 600 | DRW063/110 | 0,37/1400 | 10320 |
| 1,9 | 1002 | 1,3 | 750 | DRW063/110 | 0,37/1400 | 10320 |
| 1,6 | 1141 | 1,1 | 900 | DRW063/110 | 0,37/1400 | 10320 |
| 1,2 | 1441 | 0,9 | 1200 | DRW063/110 | 0,37/1400 | 10320 |
| 0,9 | 1699 | 0,7 | 1500 | DRW063/110 | 0,37/1400 | 10320 |
| 3,5 | 571 | 2,9 | 400 | DRW063/130 | 0,37/1400 | 13500 |
| 2,8 | 681 | 2,3 | 500 | DRW063/130 | 0,37/1400 | 13500 |
| 2,3 | 844 | 2,1 | 600 | DRW063/130 | 0,37/1400 | 13500 |
| 1,9 | 1017 | 1,7 | 750 | DRW063/130 | 0,37/1400 | 13500 |
| 1,6 | 1158 | 1,5 | 900 | DRW063/130 | 0,37/1400 | 13500 |
| 1,2 | 1462 | 1,2 | 1200 | DRW063/130 | 0,37/1400 | 13500 |
| 0,9 | 1725 | 1 | 1500 | DRW063/130 | 0,37/1400 | 13500 |
| 0,8 | 1946 | 0,9 | 1800 | DRW063/130 | 0,37/1400 | 13500 |
| 2,8 | 681 | 3,4 | 500 | DRW063/150 | 0,37/1400 | 18000 |
| 2,3 | 840 | 3,2 | 600 | DRW063/150 | 0,37/1400 | 18000 |
| 1,9 | 986 | 2,4 | 750 | DRW063/150 | 0,37/1400 | 18000 |
| 1,6 | 1244 | 1,7 | 900 | DRW063/150 | 0,37/1400 | 18000 |
| 1,2 | 1499 | 1,8 | 1200 | DRW063/150 | 0,37/1400 | 18000 |
| 0,8 | 2089 | 1 | 1800 | DRW063/150 | 0,37/1400 | 18000 |
| 0,6 | 2519 | 1,1 | 2400 | DRW063/150 | 0,37/1400 | 18000 |
| 0,5 | 2958 | 0,8 | 3000 | DRW063/150 | 0,37/1400 | 18000 |
| 0,55 кВт | ||||||
| 14 | 255 | 1,4 | 100 | DRW040/075 | 0,55/1400 | 5863 |
| 9,3 | 364 | 1,2 | 150 | DRW040/075 | 0,55/1400 | 6712 |
| 7 | 459 | 0,9 | 200 | DRW040/075 | 0,55/1400 | 7380 |
| 4,7 | 612 | 0,7 | 300 | DRW040/075 | 0,55/1400 | 7380 |
| 14 | 261 | 1,4 | 100 | DRW040/090 | 0,55/1400 | 6487 |
| 9,3 | 373 | 1,4 | 150 | DRW040/090 | 0,55/1400 | 7426 |
| 7 | 478 | 1,3 | 200 | DRW040/090 | 0,55/1400 | 8174 |
| 5,6 | 574 | 1 | 250 | DRW040/090 | 0,55/1400 | 8180 |
| 4,7 | 641 | 1,1 | 300 | DRW040/090 | 0,55/1400 | 8180 |
| 3,5 | 791 | 0,8 | 400 | DRW040/090 | 0,55/1400 | 8180 |
| 14 | 268 | 2,4 | 100 | DRW050/110 | 0,55/1400 | 8198 |
| 9,3 | 387 | 2,4 | 150 | DRW050/110 | 0,55/1400 | 9384 |
| 7 | 503 | 2,3 | 200 | DRW050/110 | 0,55/1400 | 10320 |
| 5,6 | 612 | 1,9 | 250 | DRW050/110 | 0,55/1400 | 10320 |
| 4,7 | 656 | 1,9 | 300 | DRW050/110 | 0,55/1400 | 10320 |
| 3,5 | 849 | 1,4 | 400 | DRW050/110 | 0,55/1400 | 10320 |
| 2,8 | 1126 | 1 | 500 | DRW050/110 | 0,55/1400 | 10320 |
| 2,3 | 1207 | 1 | 600 | DRW050/110 | 0,55/1400 | 10320 |
| 1,9 | 1452 | 0,9 | 750 | DRW050/110 | 0,55/1400 | 10320 |
| 1,6 | 1651 | 0,8 | 900 | DRW050/110 | 0,55/1400 | 10320 |
| 9,3 | 387 | 3,1 | 150 | DRW063/110 | 0,55/1400 | 9384 |
| 7 | 503 | 2,3 | 200 | DRW063/110 | 0,55/1400 | 10320 |
| 5,6 | 612 | 1,9 | 250 | DRW063/110 | 0,55/1400 | 10320 |
| 4,7 | 656 | 1,9 | 300 | DRW063/110 | 0,55/1400 | 10320 |
| 3,5 | 849 | 1,4 | 400 | DRW063/110 | 0,55/1400 | 10320 |
| 2,8 | 1154 | 1 | 500 | DRW063/110 | 0,55/1400 | 10320 |
| 2,3 | 1237 | 1 | 600 | DRW063/110 | 0,55/1400 | 10320 |
| 1,9 | 1489 | 0,8 | 750 | DRW063/110 | 0,55/1400 | 10320 |
| 1,6 | 1697 | 0,7 | 900 | DRW063/110 | 0,55/1400 | 10320 |
| 7 | 503 | 3,2 | 200 | DRW063/130 | 0,55/1400 | 13500 |
| 5,6 | 612 | 2,5 | 250 | DRW063/130 | 0,55/1400 | 13500 |
| 4,7 | 666 | 2,6 | 300 | DRW063/130 | 0,55/1400 | 13500 |
| 3,5 | 849 | 1,9 | 400 | DRW063/130 | 0,55/1400 | 13500 |
| 2,8 | 1012 | 1,5 | 500 | DRW063/130 | 0,55/1400 | 13500 |
| 2,3 | 1255 | 1,4 | 600 | DRW063/130 | 0,55/1400 | 13500 |
| 1,9 | 1512 | 1,2 | 750 | DRW063/130 | 0,55/1400 | 13500 |
| 1,6 | 1722 | 1 | 900 | DRW063/130 | 0,55/1400 | 13500 |
| 1,2 | 2174 | 0,8 | 1200 | DRW063/130 | 0,55/1400 | 13500 |
| 5,6 | 612 | 3,3 | 250 | DRW063/150 | 0,55/1400 | 18000 |
| 4,7 | 728 | 3,2 | 300 | DRW063/150 | 0,55/1400 | 18000 |
| 3,5 | 862 | 3,1 | 400 | DRW063/150 | 0,55/1400 | 18000 |
| 2,8 | 1012 | 2,3 | 500 | DRW063/150 | 0,55/1400 | 18000 |
| 2,3 | 1248 | 2,1 | 600 | DRW063/150 | 0,55/1400 | 18000 |
| 1,9 | 1465 | 1,6 | 750 | DRW063/150 | 0,55/1400 | 18000 |
| 1,6 | 1849 | 1,1 | 900 | DRW063/150 | 0,55/1400 | 18000 |
| 1,2 | 2229 | 1,2 | 1200 | DRW063/150 | 0,55/1400 | 18000 |
| 0,6 | 3744 | 0,7 | 2400 | DRW063/150 | 0,55/1400 | 18000 |
| 0,75 кВт | ||||||
| 14 | 365 | 1,8 | 100 | DRW050/110 | 0,55/1400 | 8198 |
| 9,3 | 527 | 1,8 | 150 | DRW050/110 | 0,55/1400 | 9384 |
| 7 | 685 | 1,7 | 200 | DRW050/110 | 0,55/1400 | 10320 |
| 5,6 | 835 | 1,4 | 250 | DRW050/110 | 0,55/1400 | 10320 |
| 4,7 | 895 | 1,4 | 300 | DRW050/110 | 0,55/1400 | 10320 |
| 3,5 | 1157 | 1 | 400 | DRW050/110 | 0,55/1400 | 10320 |
| 2,8 | 1535 | 0,8 | 500 | DRW050/110 | 0,55/1400 | 10320 |
| 2,3 | 1645 | 0,8 | 600 | DRW050/110 | 0,55/1400 | 10320 |
| 14 | 365 | 3 | 100 | DRW063/110 | 0,55/1400 | 8198 |
| 9,3 | 527 | 2,3 | 150 | DRW063/110 | 0,55/1400 | 9384 |
| 7 | 685 | 1,7 | 200 | DRW063/110 | 0,55/1400 | 10320 |
| 5,6 | 835 | 1,4 | 250 | DRW063/110 | 0,55/1400 | 10320 |
| 4,7 | 895 | 1,4 | 300 | DRW063/110 | 0,55/1400 | 10320 |
| 3,5 | 1157 | 1 | 400 | DRW063/110 | 0,55/1400 | 10320 |
| 2,8 | 1573 | 0,7 | 500 | DRW063/110 | 0,55/1400 | 10320 |
| 2,3 | 1686 | 0,8 | 600 | DRW063/110 | 0,55/1400 | 10320 |
| 14 | 369 | 3 | 100 | DRW063/130 | 0,55/1400 | 10722 |
| 9,3 | 521 | 3 | 150 | DRW063/130 | 0,55/1400 | 12274 |
| 7 | 685 | 2,3 | 200 | DRW063/130 | 0,55/1400 | 13500 |
| 5,6 | 835 | 1,8 | 250 | DRW063/130 | 0,55/1400 | 13500 |
| 4,7 | 908 | 1,9 | 300 | DRW063/130 | 0,55/1400 | 13500 |
| 3,5 | 1157 | 1,4 | 400 | DRW063/130 | 0,55/1400 | 13500 |
| 2,8 | 1380 | 1,1 | 500 | DRW063/130 | 0,55/1400 | 13500 |
| 2,3 | 1712 | 1 | 600 | DRW063/130 | 0,55/1400 | 13500 |
| 1,9 | 2061 | 0,9 | 750 | DRW063/130 | 0,55/1400 | 13500 |
| 1,6 | 2348 | 0,7 | 900 | DRW063/130 | 0,55/1400 | 13500 |
| 7 | 685 | 3 | 200 | DRW063/150 | 0,55/1400 | 18000 |
| 5,6 | 835 | 2,5 | 250 | DRW063/150 | 0,55/1400 | 18000 |
| 4,7 | 993 | 2,3 | 300 | DRW063/150 | 0,55/1400 | 18000 |
| 3,5 | 1175 | 2,3 | 400 | DRW063/150 | 0,55/1400 | 18000 |
| 2,8 | 1380 | 1,7 | 500 | DRW063/150 | 0,55/1400 | 18000 |
| 2,3 | 1702 | 1,6 | 600 | DRW063/150 | 0,55/1400 | 18000 |
| 1,9 | 1998 | 1,2 | 750 | DRW063/150 | 0,55/1400 | 18000 |
| 1,6 | 2521 | 0,8 | 900 | DRW063/150 | 0,55/1400 | 18000 |
| 1,2 | 3039 | 0,9 | 1200 | DRW063/150 | 0,55/1400 | 18000 |
| 1,1 кВт | ||||||
| 14 | 535 | 1,2 | 100 | DRW050/110 | 1,1/1400 | 8198 |
| 9,3 | 774 | 1,2 | 150 | DRW050/110 | 1,1/1400 | 9384 |
| 7 | 1005 | 1,1 | 200 | DRW050/110 | 1,1/1400 | 10320 |
| 5,6 | 1224 | 1 | 250 | DRW050/110 | 1,1/1400 | 10320 |
| 4,7 | 1312 | 1 | 300 | DRW050/110 | 1,1/1400 | 10320 |
| 14 | 535 | 2,1 | 100 | DRW063/110 | 1,1/1400 | 8198 |
| 9,3 | 774 | 1,5 | 150 | DRW063/110 | 1,1/1400 | 9384 |
| 7 | 1005 | 1,1 | 200 | DRW063/110 | 1,1/1400 | 10320 |
| 5,6 | 1224 | 1 | 250 | DRW063/110 | 1,1/1400 | 10320 |
| 4,7 | 1312 | 1 | 300 | DRW063/110 | 1,1/1400 | 10320 |
| 14 | 542 | 2,1 | 100 | DRW063/130 | 1,1/1400 | 10722 |
| 9,3 | 764 | 2,1 | 150 | DRW063/130 | 1,1/1400 | 12274 |
| 7 | 1005 | 1,6 | 200 | DRW063/130 | 1,1/1400 | 13500 |
| 5,6 | 1224 | 1,2 | 250 | DRW063/130 | 1,1/1400 | 13500 |
| 4,7 | 1332 | 1,3 | 300 | DRW063/130 | 1,1/1400 | 13500 |
| 3,5 | 1697 | 1 | 400 | DRW063/130 | 1,1/1400 | 13500 |
| 2,8 | 2024 | 0,8 | 500 | DRW063/130 | 1,1/1400 | 13500 |
| 2,3 | 2510 | 0,7 | 600 | DRW063/130 | 1,1/1400 | 13500 |
| 9,3 | 771 | 2,6 | 150 | DRW063/150 | 1,1/1400 | 18000 |
| 7 | 1005 | 2,1 | 200 | DRW063/150 | 1,1/1400 | 18000 |
| 5,6 | 1224 | 1,7 | 250 | DRW063/150 | 1,1/1400 | 18000 |
| 4,7 | 1456 | 1,6 | 300 | DRW063/150 | 1,1/1400 | 18000 |
| 3,5 | 1723 | 1,5 | 400 | DRW063/150 | 1,1/1400 | 18000 |
| 2,8 | 2024 | 1,2 | 500 | DRW063/150 | 1,1/1400 | 18000 |
| 2,3 | 2496 | 1,1 | 600 | DRW063/150 | 1,1/1400 | 18000 |
| 1,9 | 2931 | 0,8 | 750 | DRW063/150 | 1,1/1400 | 18000 |
| 1,5 кВт | ||||||
| 14 | 730 | 1,5 | 100 | DRW063/110 | 1,5/1400 | 8198 |
| 9,3 | 1055 | 1,1 | 150 | DRW063/110 | 1,5/1400 | 9384 |
| 7 | 1371 | 0,8 | 200 | DRW063/110 | 1,5/1400 | 10320 |
| 5,6 | 1669 | 0,7 | 250 | DRW063/110 | 1,5/1400 | 10320 |
| 4,7 | 1789 | 0,7 | 300 | DRW063/110 | 1,5/1400 | 10320 |
| 14 | 739 | 1,5 | 100 | DRW063/130 | 1,5/1400 | 10722 |
| 9,3 | 1042 | 1,5 | 150 | DRW063/130 | 1,5/1400 | 12274 |
| 7 | 1371 | 1,2 | 200 | DRW063/130 | 1,5/1400 | 13500 |
| 5,6 | 1669 | 0,9 | 250 | DRW063/130 | 1,5/1400 | 13500 |
| 4,7 | 1816 | 1 | 300 | DRW063/130 | 1,5/1400 | 13500 |
| 3,5 | 2315 | 0,7 | 400 | DRW063/130 | 1,5/1400 | 13500 |
| 9,3 | 1052 | 1,9 | 150 | DRW063/150 | 1,5/1400 | 18000 |
| 7 | 1371 | 1,5 | 200 | DRW063/150 | 1,5/1400 | 18000 |
| 5,6 | 1669 | 1,2 | 250 | DRW063/150 | 1,5/1400 | 18000 |
| 4,7 | 1985 | 1,2 | 300 | DRW063/150 | 1,5/1400 | 18000 |
| 3,5 | 2350 | 1,1 | 400 | DRW063/150 | 1,5/1400 | 18000 |
| 2,8 | 2760 | 0,8 | 500 | DRW063/150 | 1,5/1400 | 18000 |
| 2,3 | 3404 | 0,8 | 600 | DRW063/150 | 1,5/1400 | 18000 |
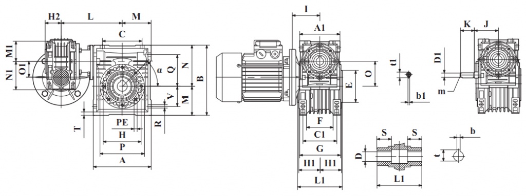
| DRW | А | А1 | В | С | С1 | D(*) | O1 | Е | F | G | Н | Н1 | Н2 | I | J | К | L | L1 | М | М1 | N |
|---|---|---|---|---|---|---|---|---|---|---|---|---|---|---|---|---|---|---|---|---|---|
| 030/040 | 100 | 80 | 121,5 | 70 | 60 | 18(19) | 9 | 60 | 43 | 71 | 75 | 36,5 | 29 | 55 | 51 | 20 | 120 | 78 | 50 | 40 | 71,5 |
| 030/050 | 120 | 80 | 144 | 80 | 70 | 25(24) | 9 | 70 | 49 | 85 | 85 | 43,5 | 29 | 55 | 51 | 20 | 130 | 92 | 60 | 40 | 84 |
| 030/063 | 144 | 80 | 174 | 100 | 85 | 25(28) | 9 | 80 | 67 | 103 | 95 | 53 | 29 | 55 | 51 | 20 | 145 | 112 | 72 | 40 | 102 |
| 040/075 | 172 | 100 | 205 | 120 | 90 | 28(35) | 11 | 95 | 72 | 112 | 115 | 57 | 36,5 | 70 | 60 | 23 | 165 | 120 | 86 | 50 | 119 |
| 040/090 | 206 | 100 | 238 | 140 | 100 | 35(38) | 11 | 110 | 74 | 130 | 130 | 67 | 36,5 | 70 | 60 | 23 | 182 | 140 | 103 | 50 | 135 |
| 050/110 | 255 | 120 | 295 | 170 | 115 | 42 | 14 | 130 | - | 144 | 165 | 74 | 43,5 | 80 | 74 | 30 | 225 | 155 | 127,5 | 60 | 167,5 |
| 063/130 | 293 | 144 | 335 | 200 | 120 | 45 | 19 | 180 | - | 155 | 215 | 81 | 53 | 95 | 90 | 40 | 245 | 170 | 146,5 | 72 | 187,5 |
| DRW | N1 | O | O1 | Р | Q | R | S | Т | V | РЕ | α | b | b1 | t | t1 | m | Масса, кг |
|---|---|---|---|---|---|---|---|---|---|---|---|---|---|---|---|---|---|
| 030/040 | 57 | 40 | 30 | 87 | 55 | 6,5 | 26 | 6,5 | 35 | М6х8(n=4) | 45° | 6(6) | 3 | 20,8(21,8) | 10,2 | - | 3,9 |
| 030/050 | 57 | 50 | 30 | 100 | 64 | 8,5 | 30 | 7 | 40 | М8х10(n=4) | 45° | 8(8) | 3 | 28,3(27,3) | 10,2 | - | 5,0 |
| 030/063 | 57 | 63 | 30 | 110 | 80 | 8,5 | 36 | 8 | 50 | М8х14(n=8) | 45° | 8(8) | 3 | 28,3(31,3) | 10,2 | - | 7,8 |
| 040/075 | 71,5 | 75 | 40 | 140 | 93 | 11 | 40 | 10 | 60 | М8х14(n=8) | 45° | 8(10) | 4 | 31,3(38,3) | 12,5 | - | 12,0 |
| 040/090 | 71,5 | 90 | 40 | 160 | 102 | 13 | 45 | 11 | 70 | М10х18(n=8) | 45° | 10 | 4 | 38,3(41,3) | 12,5 | - | 16,0 |
| 050/110 | 84 | 110 | 50 | 200 | 125 | 14 | 50 | 14 | 85 | М10х18(n=8) | 45° | 12 | 5 | 45,3 | 16,0 | М6 | 47,0 |
| 063/130 | 102 | 130 | 63 | 250 | 140 | 16 | 60 | 15 | 100 | М12х21(n=8) | 45° | 14 | 6 | 48,3 | 21,5 | М6 | 66,0 |
| Габарит редуктора | 030 — 090 | 110 — 150 | |
|---|---|---|---|
|
Температура среды эксплуатации |
от -25°С до +50°С | от -5°С до +40°С | от -15°С до +25°С |
| Стандарт ISO | VG320 | VG460 | VG320 |
| Тип масла | Синтетическое | Минеральное | |
|
Рекомендуемые марки масла |
MOBIL GLYGOYLE 320 | MOBIL MOBILGEAR 634 | MOBIL MOBILGEAR 320 |
| BP ENERGOL SG-XP320 | BP ENERGOL GR-XP460 | BP ENERGOL GR-XP220 | |
| SHELL TIVELA OIL S320 | SHELL OMALA OIL 460 | SHELL OMALA OIL 220 | |
| CASTROL ALPHASYN PG320 | CASTROL ALPHAMAX 460 | CASTROL ALPHAMAX 220 | |
| ESSO SPARTAN EP 320 | ESSO SPARTAN EP 460 | ESSO SPARTAN EP 220 | |
| ЛУКОЙЛ И-Т-Д | ЛУКОЙЛ МС-20 | ЛУКОЙЛ МС-20 | |
