Насосы консольные типа К
Насосы центробежные консольные типа К предназначены для перекачивания технической воды (кроме морской), а также других жидкостей, сходных с водой по плотности, вязкости, химической активности.
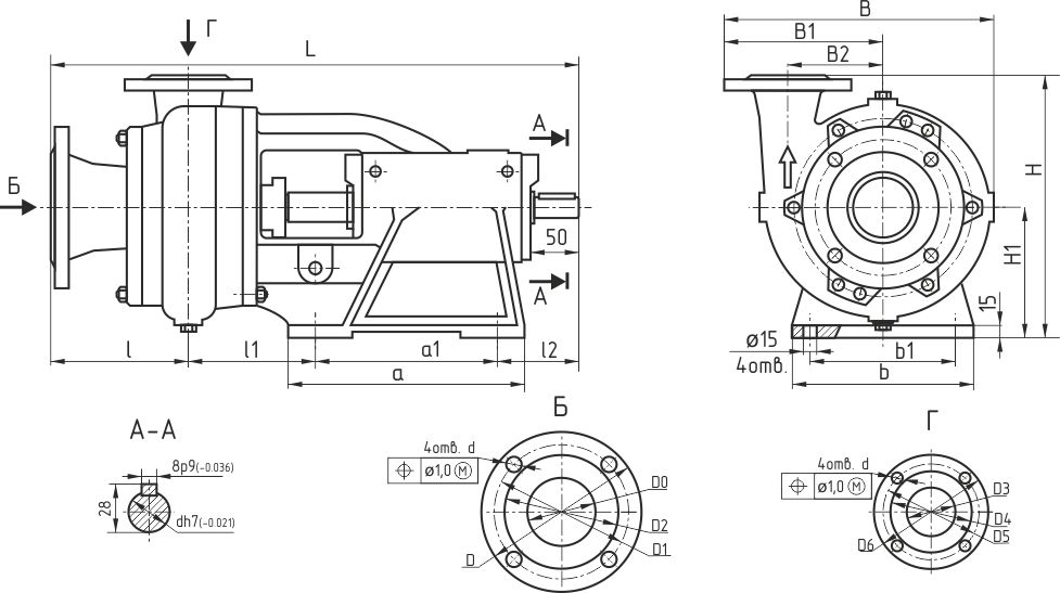
Насосы данного типа конструктивно выполнены как центробежные, горизонтальные консольные, с сальниковым или торцевым уплотнением вала. Агрегат электронасосный состоит из насоса и электродвигателя, установленных на общей фундаментной плите (раме). Валы насоса и электродвигателя соединены между собой упругой муфтой. Подшипники насосов смазываются маслом, заливаемым в корпус подшипников. Уплотнение вала обеспечивается сальниковой набивкой или торцевым уплотнением. Направление вращения вала - по стрелке, размещенной на корпусе насоса.
Агрегаты комплектуются электродвигателями типа АИР или 5А, изготовленными по ГОСТ 31606-2012 (ГОСТ Р 51689-2000). Номинальный режим работы двигателей - S1.
Насосы относятся к изделиям вида 1 (восстанавливаемые) по ГОСТ 27.003-2016.
Выпускаются в климатическом исполнении УХЛ4 по ГОСТ 15150-69.
Общие требования безопасности насоса соответствуют ГОСТ 31839-2012 (ГОСТ Р 52743-2007).
Гарантийный срок: 12 месяцев со дня ввода в эксплуатацию, но не более 18 месяцев со дня продажи. Средний срок службы: 7 лет.
| Наименование | Электродвигатель |
Подача, м3/ч |
Напор, м | Мощность насоса, кВт | Допустимый кавитационный запас, м | Частота вращения, об/мин | Масса насоса, кг | Масса рамы, кг |
|---|---|---|---|---|---|---|---|---|
| К 50-32-125 | АИР 80М2 (2,2кВт) | 12,5 | 20 | 1,13 | 2 | 2900 | 25 | 17 |
| К 50-32-125а | АИР 80МА2 (1,5 кВт) | 11,9 | 18 | 1,18 | 2 | 2900 | 25 | 17 |
| К 65-50-125 | АИР 80М2 (2,2кВт) | 25 | 20 | 1,97 | 2,5 | 2900 | 26 | 17 |
| К 65-50-160 | АИР 100L2 (5,5кВт) | 25 | 32 | 3,35 | 2 | 2900 | 32 | 21,5 |
| К 65-50-160а | АИР 100S2 (4 кВт) | 23,8 | 28,9 | 2,75 | 2 | 2900 | 31,5 | 21,5 |
| К 80-50-200 | АИР 160S2 (15кВт) | 50 | 50 | 9,87 | 2,5 | 2900 | 40 | 28,5 |
| К 80-50-200а | АИР 132М2 (11кВт) | 46,8 | 44 | 8,14 | 2,5 | 2900 | 39 | 30 |
| К 80-65-160 | АИР 112М2 (7,5кВт) | 50 | 32 | 5,97 | 2,5 | 2900 | 34,5 | 21 |
| К 80-65-160а | АИР 112М2 (7,5кВт) | 46,8 | 28 | 4,80 | 2,5 | 2900 | 34 | 26 |
| К 100-65-200 | АИР 180М2 (30кВт) | 100 | 50 | 17,90 | 3,6 | 2900 | 61 | 37 |
| К 100-65-200а | АИР 160М2 (18,5кВт) | 95 | 45 | 15,35 | 3,6 | 2900 | 60 | 37,5 |
| К 100-65-250 | АИР 200L2 (45кВт) | 100 | 80 | 30,30 | 3,8 | 2900 | 78 | 54,5 |
| К 100-65-250а | АИР 200М2 (37кВт) | 93 | 70 | 26,60 | 3,8 | 2900 | 75 | 54,5 |
| К 100-80-160 | АИР 160S2 (15кВт) | 100 | 32 | 11,20 | 4 | 2900 | 52 | 36 |
| К 100-80-160а | АИР 132М2 (11кВт) | 93 | 28 | 9,16 | 4 | 2900 | 51 | 37 |
| К 150-125-250 |
АИР 160М4 (18,5кВт) / АИР160S4 (15кВт) |
200 | 20 | 13,50 | 3 | 1450 | 116 | 38,5 |
| К 150-125-250а | АИР 160S4 (15кВт) | 190 | 18 | 11,10 | 3 | 1450 | 116 | 38,5 |
| К 150-125-315 | АИР 180М4 (30кВт) | 200 | 32 | 22,08 | 2,5 | 1450 | 144 | 43 |
| К 150-125-315а | АИР 180S4 (22кВт) | 189 | 29 | 18,10 | 2,5 | 1450 | 144 | 43 |
| К 200-150-250 | АИР 200М4 (37кВт) | 400 | 20 | 26,20 | 4,6 | 1450 | 160 | 45 |
| К 200-150-250а | АИР 180M4 (30 кВт) | 374 | 17,5 | 21,83 | 4,6 | 1450 | 160 | 45 |
| К 200-150-315 | АИР 225М4 (55кВт) | 400 | 32 | 42,50 | 3,5 | 1450 | 185 | 55 |
| К 200-150-315а | АИР 200L4 (45кВт) | 374 | 28 | 35,38 | 3,5 | 1450 | 185 | 55 |
| К 200-150-400 | АИР 250М4 (90кВт) | 400 | 50 | 67,20 | 3,8 | 1450 | 230 | 75 |
| К 200-150-400а | АИР 250S4 (75кВт) | 374 | 44 | 55,40 | 3,8 | 1450 | 230 | 75 |
| К 8/18 | АИР 80МА2 (1,5кВт) | 8 | 18 | 1,2 | 3,8 | 2900 | 30 | 13 |
| К 20/30 | АИР 100S2 (4 кВт) / АИР 100L2 (5,5 кВт) | 20 | 30 | 3,5 | 3,8 | 2900 | 33 | 14,5 |
| К 20/30а | АИР 90L2 (3 кВт) | 20 | 26 | 2,5 | 3,8 | 2900 | 32,5 | 14,5 |
| К 45/30 | АИР 112М2 (7,5 кВт) | 45 | 32 | 6,5 | 4,0 | 2900 | 54,5 | 21 |
| К 45/30а | АИР 100L2 (5,5кВт) | 35 | 25 | 5,0 | 4,0 | 2900 | 54 | 21 |

| Наименование | Электродвигатель | Размеры, мм | |||||||||||||||||||
|---|---|---|---|---|---|---|---|---|---|---|---|---|---|---|---|---|---|---|---|---|---|
| a | f | h1 | h2 | b | m1 | m2 | m3 | m4 | n1 | n2 | n3 | n4 | k1 | k2 | w | s1 | s2 | d | L | ||
| К 50-32-125 | АИР 80В2 (2,2кВт) | 80 | 385 | 112 | 140 | 50 | 100 | 70 | 19 | 60 | 190 | 140 | 110 | 145 | 14 | 10 | 285 | 4-φ14.5 | 2-φ14.5 | 24 | 50 |
| К 50-32-125a | АИР 80MA2 (1,5 кВт) | 80 | 385 | 112 | 140 | 50 | 100 | 70 | 19 | 60 | 190 | 140 | 110 | 145 | 14 | 10 | 285 | 4-φ14.5 | 2-φ14.5 | 24 | 50 |
| К 65-50-125 | АИР 80В2 (2,2кВт) | 80 | 385 | 112 | 140 | 50 | 100 | 70 | 19 | 60 | 210 | 160 | 110 | 145 | 14 | 10 | 285 | 4-φ14.5 | 2-φ14.5 | 24 | 50 |
| К 65-50-160 | АИР 100L2 (5,5кВт) | 80 | 385 | 132 | 160 | 50 | 100 | 70 | 19 | 60 | 240 | 190 | 110 | 145 | 16 | 10 | 285 | 4-φ14.5 | 2-φ14.5 | 24 | 50 |
| К 65-50-160а | АИР 100S2 (4 кВт) | 80 | 385 | 132 | 160 | 50 | 100 | 70 | 19 | 60 | 240 | 190 | 110 | 145 | 16 | 10 | 285 | 4-φ14.5 | 2-φ14.5 | 24 | 50 |
| К 80-50-200 | АИР 160S2 (15кВт) | 100 | 385 | 160 | 200 | 50 | 100 | 70 | 19 | 60 | 265 | 212 | 110 | 145 | 16 | 10 | 285 | 4-φ14.5 | 2-φ14.5 | 24 | 50 |
| К 80-50-200а | АИР 132М2 (11кВт) | 100 | 385 | 160 | 200 | 50 | 100 | 70 | 19 | 60 | 265 | 212 | 110 | 145 | 16 | 10 | 285 | 4-φ14.5 | 2-φ14.5 | 24 | 50 |
| К 80-65-160 | АИР 112М2 (7,5кВт) | 100 | 385 | 160 | 180 | 50 | 100 | 70 | 19 | 60 | 265 | 212 | 110 | 145 | 16 | 10 | 285 | 4-φ14.5 | 2-φ14.5 | 24 | 50 |
| К 80-65-160а | АИР 112М2 (7,5 кВт) | 100 | 385 | 160 | 180 | 50 | 100 | 70 | 19 | 60 | 265 | 212 | 110 | 145 | 16 | 10 | 285 | 4-φ14.5 | 2-φ14.5 | 24 | 50 |
| К 100-65-200 | АИР 180М2 (30кВт) | 100 | 500 | 180 | 225 | 65 | 125 | 95 | 25 | 65 | 320 | 250 | 110 | 145 | 20 | 14 | 370 | 4-φ14.5 | 2-φ14.5 | 32 | 80 |
| К 100-65-200а | АИР 160М2 (18,5кВт) | 100 | 500 | 180 | 225 | 65 | 125 | 95 | 25 | 65 | 320 | 250 | 110 | 145 | 20 | 14 | 370 | 4-φ14.5 | 2-φ14.5 | 32 | 80 |
| К 100-65-250 | АИР 200L2 (45кВт) | 125 | 500 | 200 | 250 | 80 | 160 | 120 | 25 | 65 | 360 | 280 | 110 | 145 | 20 | 14 | 370 | 4-φ18.5 | 2-φ14.5 | 32 | 80 |
| К 100-65-250а | АИР 200М2 (37кВт) | 125 | 500 | 200 | 250 | 80 | 160 | 120 | 25 | 65 | 360 | 280 | 110 | 145 | 20 | 14 | 370 | 4-φ18.5 | 2-φ14.5 | 32 | 80 |
| К 100-80-160 | АИР 160S2 (15кВт) | 100 | 500 | 160 | 200 | 65 | 125 | 95 | 24 | 60 | 280 | 212 | 110 | 145 | 20 | 10 | 370 | 4-φ14.5 | 2-φ14.5 | 32 | 80 |
| К 100-80-160а | АИР 132М2 (11кВт) | 100 | 500 | 160 | 200 | 65 | 125 | 95 | 24 | 60 | 280 | 212 | 110 | 145 | 20 | 10 | 370 | 4-φ14.5 | 2-φ14.5 | 32 | 80 |
| К 150-125-250 | АИР 160М4 (18,5кВт) | 140 | 530 | 250 | 355 | 80 | 160 | 120 | 28 | 65 | 400 | 315 | 110 | 145 | 25 | 14 | 370 | 4-φ18.5 | 2-φ14.5 | 42 | 110 |
| АИР 160S4 (15кВт) | |||||||||||||||||||||
| К150-125-250а | АИР 160S4 (15кВт) | 140 | 530 | 250 | 355 | 80 | 160 | 120 | 28 | 65 | 400 | 315 | 110 | 145 | 25 | 14 | 370 | 4-φ18.5 | 2-φ14.5 | 42 | 110 |
| К 150-125-315 | АИР 180М4 (30кВт) | 140 | 530 | 280 | 355 | 100 | 200 | 150 | 28 | 65 | 500 | 400 | 110 | 145 | 25 | 14 | 370 | 4-φ24 | 2-φ14.5 | 42 | 110 |
| К 150-125-315а | АИР 180S4 (22 кВт) | 140 | 530 | 280 | 355 | 100 | 200 | 150 | 28 | 65 | 500 | 400 | 110 | 145 | 25 | 14 | 370 | 4-φ24 | 2-φ14.5 | 42 | 110 |
| К 200-150-250 | АИР 200М4 (37кВт) | 160 | 530 | 280 | 375 | 100 | 200 | 150 | 28 | 65 | 500 | 400 | 110 | 145 | 25 | 14 | 370 | 4-φ24 | 2-φ18.5 | 42 | 110 |
| K200-150-250а | АИР 180M4 (30кВт) | 160 | 530 | 280 | 375 | 100 | 200 | 150 | 28 | 65 | 500 | 400 | 110 | 145 | 25 | 14 | 370 | 4-φ24 | 2-φ18.5 | 42 | 110 |
| K200-150-315 | АИР 225M4 (55кВт) | 160 | 670 | 315 | 400 | 100 | 200 | 150 | 38 | 80 | 550 | 450 | 140 | 200 | 30 | 20 | 500 | 4-φ24 | 2-φ18.5 | 48 | 110 |
| K200-150-315а | АИР 200L4 (45кВт) | 160 | 670 | 315 | 400 | 100 | 200 | 150 | 38 | 80 | 550 | 450 | 140 | 200 | 30 | 20 | 500 | 4-φ24 | 2-φ18.5 | 48 | 110 |
| К 200-150-400 | АИР 250М4 (90кВт) | 160 | 670 | 315 | 450 | 100 | 200 | 150 | 38 | 80 | 550 | 450 | 140 | 200 | 30 | 20 | 500 | 4-φ24 | 2-φ18.5 | 48 | 110 |
| K200-150-400а | АИР 250S4 (75кВт) | 160 | 670 | 315 | 450 | 100 | 200 | 150 | 38 | 80 | 550 | 450 | 140 | 200 | 30 | 20 | 500 | 4-φ24 | 2-φ18.5 | 48 | 110 |
Габаритные размеры насосов типа К 8/18, К 20/30, К 45/30

| Наименование | L | l | l1 | l2 | a | a1 | b | b1 | B | B1 | B2 | H | H1 | d | D | D0 | D1 | D2 | D3 | D4 | D5 | D6 |
|---|---|---|---|---|---|---|---|---|---|---|---|---|---|---|---|---|---|---|---|---|---|---|
| K 8/18 | 555* | 121 | 115* | 91* | 195 | 140 | 162 | 130 | 230* | 121* | 75 | 242 | 120 | 14 | 140* | 50* | 110* | 90* | 32* | 70* | 90* | 120* |
| K 20/30 | 267* | 121* | 105 | 270 | 160* | 65* | 130* | 100* | 40* | 80* | 100* | 130* | ||||||||||
| K 45/30 | 580* | 152 | 140* | 90* | 260 | 200 | 200 | 160 | 300* | 175* | 302 | 150 | 18 | 185* | 80* | 150* | 128* | 50* | 90* | 110* | 140* |
* данные носят справочный характер.Характеристики, указанные выше, относятся к насосам типа К не старше 2019 года выпуска.
Примечание: в зависимости от типа насоса К возможны конструктивные отличия.
Торцевое уплотнение насосов К
- показатели плотности, вязкости и химической активности сходные с водой;
- pH - от 6 до 9;
- содержание твердых включений - не более 0,1%;
- температура - не более 85°С (для моделей с торцевым уплотнением - не более 105°С).

Примечание: на чертеже изображен насос типа К, заливка масла в который осуществляется с помощью шприца.
В зависимости от типа насоса К возможны конструктивные отличия.
Конструктивное устройство насосов типа К 8/18, К 20/30, К 45/30 (старый ГОСТ)

Торцевое уплотнение насосов К


