Электродвигатели ДАЗО4
Электродвигатели асинхронные трехфазные с короткозамкнутым ротором серии ДАЗО4 предназначены для привода механизмов, не требующих регулирования частоты вращения. Двигатели предназначены для работы от сети переменного тока частотой 50Гц напряжением 6000В. Вид климатического исполнения У1, номинальный режим работы S1 (продолжительный). Степень защиты двигателей IP54, коробки выводов IP55, наружного вентилятора IP21. класс нагревостойкости изоляции F.
Пуск двигателей прямой, допускается два пуска подряд из холодного состояния или один пуск из горячего состояния.
По требованию заказчика электродвигатели могут быть укомплектованы подшипниками качения FAG/SKF.
Электродвигатели ENERAL асинхронные трехфазные с короткозамкнутым ротором высоковольтные предназначены для применения в промышленном оборудовании большой мощности, на различных установках, не предусматривающих возможности регулирования частоты вращения. Эти агрегаты необходимы в машиностроении, в металлургической, химической, горнодобывающей и других отраслях промышленности.
Высоковольтные двигатели ENERAL рассчитаны на работу от сети переменного тока частотой 50Гц напряжением 6000В. Пуск двигателей прямой, допустимы два пуска подряд из холодного состояния или один пуск из горячего состояния. Двигатели имеют правое и левое вращение, изменение направления вращения осуществляется из состояния покоя.
Для защиты при работе в аварийных режимах все двигатели ENERAL укомплектованы температурными датчиками. Дополнительно в двигателях установлен антиконденсатный нагреватель.
Вид климатического исполнения предусматривает эксплуатацию в умеренной и тропической климатических зонах. Номинальный режим работы S1 (продолжительный), класс нагревостойкости изоляции F.
Высоковольтные электродвигатели получают свое применение в самых различных областях. Например, в составе насосов водонапорных станций или теплостанций, вентиляторов или дымососов котельных в ЖКХ, на производстве в приводах механизмов транспортеров и иных машин, в химической промышленности, а также в газо- и нефтеперекачивающем оборудовании ТЭК в составе турбонасосов и компрессоров.
| Тип двигателя | Мощность | Ток статора | Частота вращения | Напряжение | КПД | cosф | Mst | Ist | Mmax | Масса |
|---|---|---|---|---|---|---|---|---|---|---|
| кВт | А | об/мин | В | % | Mn | In | Mn | кг | ||
| ДАЗО4-355ХК-4МУ1 | 160 | 20 | 1482 | 6000 | 91,9 | 0,84 | 0,7 | 6,5 | 1,8 | 1790 |
| ДАЗО4-355Х-4МУ1 | 185 | 23 | 1482 | 6000 | 91,9 | 0,85 | 0,7 | 6,5 | 1,8 | 1850 |
| ДАЗО4-355УК-4МУ1 | 200 | 25 | 1481 | 6000 | 92,1 | 0,85 | 0,7 | 6,5 | 1,8 | 1900 |
| ДАЗО4-355У-4МУ1 | 220 | 27 | 1482 | 6000 | 92,2 | 0,85 | 0,7 | 6,5 | 1,8 | 1950 |
| ДАЗО4-355L-4МУ1 | 250 | 31 | 1482 | 6000 | 92,3 | 0,85 | 0,7 | 6,5 | 1,8 | 2000 |
| ДАЗО4-355LA-4МУ1 | 280 | 34 | 1482 | 6000 | 92,4 | 0,86 | 0,7 | 6,5 | 1,8 | 2050 |
| ДАЗО4-355LB-4МУ1 | 315 | 38 | 1480 | 6000 | 92,6 | 0,86 | 0,7 | 6,5 | 1,8 | 2100 |
| ДАЗО4-355XK-6МУ1 | 185 | 24 | 987 | 6000 | 91,5 | 0,82 | 0,7 | 6 | 1,8 | 2060 |
| ДАЗО4-355X-6МУ1 | 200 | 26 | 987 | 6000 | 91,8 | 0,82 | 0,7 | 6 | 1,8 | 2110 |
| ДАЗО4-355УК-6МУ1 | 220 | 28 | 986 | 6000 | 92 | 0,82 | 0,7 | 6 | 1,8 | 2300 |
| ДАЗО4-355У-6МУ1 | 250 | 32 | 986 | 6000 | 92,2 | 0,82 | 0,7 | 6 | 1,8 | 2410 |
| ДАЗО4-400ХК-2МУ1 | 355 | 43 | 2980 | 6000 | 92,7 | 0,86 | 0,6 | 7 | 1,8 | 2710 |
| ДАЗО4-400Х-2МУ1 | 400 | 48 | 2979 | 6000 | 93 | 0,86 | 0,6 | 7 | 1,8 | 2760 |
| ДАЗО4-400УК-2МУ1 | 450 | 54 | 2979 | 6000 | 93,3 | 0,86 | 0,6 | 7 | 1,8 | 2910 |
| ДАЗО4-400У-2МУ1 | 500 | 60 | 2979 | 6000 | 93,6 | 0,86 | 0,6 | 7 | 1,8 | 3010 |
| ДАЗО4-400L-2МУ1 | 560 | 67 | 2979 | 6000 | 93,8 | 0,86 | 0,6 | 7 | 1,8 | 3320 |
| ДАЗО4-400ХК-4МУ1 | 250 | 31 | 1485 | 6000 | 92,3 | 0,85 | 0,7 | 6,5 | 1,8 | 2300 |
| ДАЗО4-400Х-4МУ1 | 280 | 34 | 1485 | 6000 | 92,4 | 0,86 | 0,7 | 6,5 | 1,8 | 2470 |
| ДАЗО4-400УК-4МУ1 | 315 | 38 | 1484 | 6000 | 92,2 | 0,86 | 0,7 | 6,5 | 1,8 | 2530 |
| ДАЗО4-400У-4МУ1 | 355 | 43 | 1484 | 6000 | 92,8 | 0,86 | 0,7 | 6,5 | 1,8 | 2600 |
| ДАЗО4-400L-4МУ1 | 400 | 48 | 1484 | 6000 | 93 | 0,86 | 0,7 | 6,5 | 1,8 | 2670 |
| ДАЗО4-400LA-4МУ1 | 450 | 54 | 1483 | 6000 | 93,2 | 0,86 | 0,7 | 6,5 | 1,8 | 2760 |
| ДАЗО4-400LB-4МУ1 | 500 | 60 | 1483 | 6000 | 93,4 | 0,86 | 0,7 | 6,5 | 1,8 | 2850 |
| ДАЗО4-400LK-4МУ1 | 560 | 67 | 1484 | 6000 | 93,6 | 0,86 | 0,7 | 6,5 | 1,8 | 2990 |
| ДАЗО4-400ХК-6МУ1 | 185 | 24 | 985 | 6000 | 91,5 | 0,82 | 0,7 | 6 | 1,8 | 2490 |
| ДАЗО4-400Х-6МУ1 | 200 | 26 | 985 | 6000 | 91,8 | 0,82 | 0,7 | 6 | 1,8 | 2570 |
| ДАЗО4-400УК-6МУ1 | 220 | 28 | 986 | 6000 | 92 | 0,82 | 0,7 | 6 | 1,8 | 2610 |
| ДАЗО4-400У-6МУ1 | 250 | 32 | 986 | 6000 | 92,2 | 0,82 | 0,7 | 6 | 1,8 | 2690 |
| ДАЗО4-400L-6МУ1 | 280 | 36 | 987 | 6000 | 92,5 | 0,82 | 0,7 | 6 | 1,8 | 2750 |
| ДАЗО4-400LA-6МУ1 | 315 | 40 | 986 | 6000 | 92,8 | 0,82 | 0,7 | 6 | 1,8 | 2850 |
| ДАЗО4-400LB-6МУ1 | 355 | 44 | 988 | 6000 | 93 | 0,83 | 0,7 | 6 | 1,8 | 2950 |
| ДАЗО4-400LK-6МУ1 | 400 | 50 | 988 | 6000 | 93,1 | 0,83 | 0,7 | 6 | 1,8 | 3200 |
| ДАЗО4-400ХК-8МУ1 | 160 | 22 | 740 | 6000 | 91,6 | 0,78 | 0,8 | 5,5 | 1,8 | 2450 |
| ДАЗО4-400Х-8МУ1 | 185 | 25 | 739 | 6000 | 91,6 | 0,78 | 0,8 | 5,5 | 1,8 | 2530 |
| ДАЗО4-400УК-8МУ1 | 200 | 27 | 739 | 6000 | 91,9 | 0,78 | 0,8 | 5,5 | 1,8 | 2600 |
| ДАЗО4-400У-8МУ1 | 220 | 29 | 741 | 6000 | 92,1 | 0,78 | 0,8 | 5,5 | 1,8 | 2690 |
| ДАЗО4-400L-8МУ1 | 250 | 33 | 740 | 6000 | 92,2 | 0,79 | 0,8 | 5,5 | 1,8 | 2800 |
| ДАЗО4-400LA-8МУ1 | 280 | 37 | 740 | 6000 | 92,4 | 0,79 | 0,8 | 5,5 | 1,8 | 3050 |
| ДАЗО4-400ХК-10МУ1 | 160 | 23 | 589 | 6000 | 90,8 | 0,74 | 0,8 | 5,5 | 1,8 | 2570 |
| ДАЗО4-400Х-10МУ1 | 185 | 26 | 400 | 6000 | 90,8 | 0,75 | 0,8 | 5,5 | 1,8 | 2650 |
| ДАЗО4-400УК-10МУ1 | 200 | 28 | 450 | 6000 | 91,1 | 0,75 | 0,8 | 5,5 | 1,8 | 2750 |
| ДАЗО4-450ХК-2МУ1 | 560 | 67 | 2981 | 6000 | 93 | 0,86 | 0,6 | 7 | 1,8 | 3500 |
| ДАЗО4-450Х-2МУ1 | 630 | 74 | 2981 | 6000 | 94 | 0,87 | 0,6 | 7 | 1,8 | 4010 |
| ДАЗО4-450УК-2МУ1 | 710 | 83 | 2981 | 6000 | 94,1 | 0,87 | 0,6 | 7 | 1,8 | 4310 |
| ДАЗО4-450У-2МУ1 | 800 | 94 | 2982 | 6000 | 94,3 | 0,87 | 0,6 | 7 | 1,8 | 4620 |
| ДАЗО4-450L-2МУ1 | 900 | 105 | 2982 | 6000 | 94,5 | 0,87 | 0,6 | 7 | 1,8 | 4880 |
| ДАЗО4-450XK-4МУ1 | 450 | 54 | 1485 | 6000 | 93,2 | 0,86 | 0,7 | 6,5 | 1,8 | 3360 |
| ДАЗО4-450Х-4МУ1 | 500 | 60 | 1485 | 6000 | 93,4 | 0,86 | 0,7 | 6,5 | 1,8 | 3450 |
| ДАЗО4-450УК-4МУ1 | 560 | 67 | 1485 | 6000 | 93,6 | 0,86 | 0,7 | 6,5 | 1,8 | 3590 |
| ДАЗО4-450У-4МУ1 | 630 | 75 | 1485 | 6000 | 93,8 | 0,86 | 0,7 | 6,5 | 1,8 | 3720 |
| ДАЗО4-450L-4МУ1 | 710 | 85 | 1486 | 6000 | 94 | 0,86 | 0,7 | 6,5 | 1,8 | 3930 |
| ДАЗО4-450LA-4МУ1 | 800 | 94 | 1486 | 6000 | 94,3 | 0,87 | 0,7 | 6,5 | 1,8 | 4100 |
| ДАЗО4-450LB-4МУ1 | 900 | 105 | 1485 | 6000 | 94,4 | 0,87 | 0,7 | 6,5 | 1,8 | 4450 |
| ДАЗО4-450ХК-6МУ1 | 315 | 40 | 990 | 6000 | 92,8 | 0,82 | 0,7 | 6 | 1,8 | 3450 |
| ДАЗО4-450Х-6МУ1 | 355 | 44 | 989 | 6000 | 93 | 0,83 | 0,7 | 6 | 1,8 | 3540 |
| ДАЗО4-450УК-6МУ1 | 400 | 50 | 989 | 6000 | 93,1 | 0,83 | 0,7 | 6 | 1,8 | 3670 |
| ДАЗО4-450У-6МУ1 | 450 | 56 | 989 | 6000 | 93,4 | 0,83 | 0,7 | 6 | 1,8 | 3880 |
| ДАЗО4-450L-6МУ1 | 500 | 62 | 989 | 6000 | 93,7 | 0,83 | 0,7 | 6 | 1,8 | 3990 |
| ДАЗО4-450LA-6МУ1 | 560 | 68 | 989 | 6000 | 93,8 | 0,84 | 0,7 | 6 | 1,8 | 4100 |
| ДАЗО4-450LB-6МУ1 | 630 | 77 | 989 | 6000 | 93,9 | 0,84 | 0,7 | 6 | 1,8 | 4300 |
| ДАЗО4-450ХК-8МУ1 | 250 | 33 | 742 | 6000 | 92,2 | 0,79 | 0,8 | 5,5 | 1,8 | 3380 |
| ДАЗО4-450Х-8МУ1 | 280 | 37 | 742 | 6000 | 92,4 | 0,79 | 0,8 | 5,5 | 1,8 | 3500 |
| ДАЗО4-450УК-8МУ1 | 315 | 41 | 742 | 6000 | 92,7 | 0,79 | 0,8 | 5,5 | 1,8 | 3630 |
| ДАЗО4-450У-8МУ1 | 355 | 47 | 742 | 6000 | 92,8 | 0,79 | 0,8 | 5,5 | 1,8 | 3840 |
| ДАЗО4-450L-8МУ1 | 400 | 52 | 742 | 6000 | 93 | 0,8 | 0,8 | 5,5 | 1,8 | 3950 |
| ДАЗО4-450LA-8МУ1 | 450 | 58 | 742 | 6000 | 93,1 | 0,8 | 0,8 | 5,5 | 1,8 | 4100 |
| ДАЗО4-450LB-8МУ1 | 500 | 63,8 | 750 | 6000 | 94,2 | 0,8 | 0,7 | 6 | 1,8 | 3720 |
* Указанная частота вращения (синхронная частота) является справочной характеристикой. Принимая во внимание принцип работы асинхронного электродвигателя, в результате механических потерь номинальная частота вращения всегда ниже синхронной. Данные отличия не влияют на эксплуатационные характеристики оборудования.
** Указанная масса электродвигателя является справочной характеристикой. Точная масса указана на паспортной табличке электродвигателя. Данные отличия не влияют на эксплуатационные характеристики оборудования.
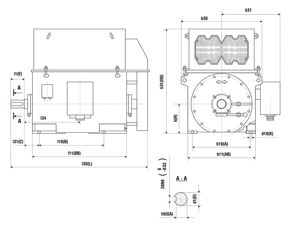
| Тип двигателя | b10 | b11 | b30 | b31 | d1 | l10 | l11 | l30 | l31 | h | h5 | h31 | l1 | d10 |
|---|---|---|---|---|---|---|---|---|---|---|---|---|---|---|
| A | AB | D | B | BB | L | C | H | GA | HD | E | K | |||
| ДАЗО4-355ХК-4МУ1 | 630 | 788 | 978 | 730 | 100 | 900 | 1350 | 2080 | 315 | 355 | 90 | 1400 | 210 | 28 |
| ДАЗО4-355Х-4МУ1 | 630 | 788 | 978 | 730 | 100 | 900 | 1350 | 2080 | 315 | 355 | 90 | 1400 | 210 | 28 |
| ДАЗО4-355УК-4МУ1 | 630 | 788 | 978 | 730 | 100 | 900 | 1350 | 2080 | 315 | 355 | 90 | 1400 | 210 | 28 |
| ДАЗО4-355У-4МУ1 | 630 | 788 | 978 | 730 | 100 | 900 | 1350 | 2080 | 315 | 355 | 90 | 1400 | 210 | 28 |
| ДАЗО4-355L-4МУ1 | 630 | 788 | 978 | 730 | 100 | 900 | 1350 | 2080 | 315 | 355 | 90 | 1400 | 210 | 28 |
| ДАЗО4-355LA-4МУ1 | 630 | 788 | 978 | 730 | 100 | 900 | 1350 | 2080 | 315 | 355 | 90 | 1400 | 210 | 28 |
| ДАЗО4-355LB-4МУ1 | 630 | 788 | 978 | 730 | 100 | 900 | 1450 | 2180 | 315 | 355 | 90 | 1400 | 210 | 28 |
| ДАЗО4-355XK-6МУ1 | 630 | 788 | 978 | 730 | 100 | 900 | 1350 | 2080 | 315 | 355 | 90 | 1400 | 210 | 28 |
| ДАЗО4-355X-6МУ1 | 630 | 788 | 978 | 730 | 100 | 900 | 1350 | 2080 | 315 | 355 | 90 | 1400 | 210 | 28 |
| ДАЗО4-355УК-6МУ1 | 630 | 788 | 978 | 730 | 100 | 900 | 1350 | 2080 | 315 | 355 | 90 | 1400 | 210 | 28 |
| ДАЗО4-355У-6МУ1 | 630 | 788 | 978 | 730 | 100 | 900 | 1450 | 2180 | 315 | 355 | 90 | 1400 | 210 | 28 |
| ДАЗО4-400ХК-2МУ1 | 710 | 888 | 1078 | 770 | 90 | 1000 | 1510 | 2300 | 375 | 400 | 81 | 1550 | 170 | 35 |
| ДАЗО4-400Х-2МУ1 | 710 | 888 | 1078 | 770 | 90 | 1000 | 1510 | 2300 | 375 | 400 | 81 | 1550 | 170 | 35 |
| ДАЗО4-400УК-2МУ1 | 710 | 888 | 1078 | 770 | 90 | 1000 | 1510 | 2300 | 375 | 400 | 81 | 1550 | 170 | 35 |
| ДАЗО4-400У-2МУ1 | 710 | 888 | 1078 | 770 | 90 | 1000 | 1610 | 2400 | 375 | 400 | 81 | 1550 | 170 | 35 |
| ДАЗО4-400L-2МУ1 | 710 | 888 | 1078 | 770 | 90 | 1000 | 1610 | 2400 | 375 | 400 | 81 | 1550 | 170 | 35 |
| ДАЗО4-400ХК-4МУ1 | 710 | 888 | 1078 | 770 | 110 | 1000 | 1510 | 2300 | 375 | 400 | 100 | 1550 | 210 | 35 |
| ДАЗО4-400Х-4МУ1 | 710 | 888 | 1078 | 770 | 110 | 1000 | 1510 | 2300 | 375 | 400 | 100 | 1550 | 210 | 35 |
| ДАЗО4-400УК-4МУ1 | 710 | 888 | 1078 | 770 | 110 | 1000 | 1510 | 2300 | 375 | 400 | 100 | 1550 | 210 | 35 |
| ДАЗО4-400У-4МУ1 | 710 | 888 | 1078 | 770 | 110 | 1000 | 1510 | 2300 | 375 | 400 | 100 | 1550 | 210 | 35 |
| ДАЗО4-400L-4МУ1 | 710 | 888 | 1078 | 770 | 110 | 1000 | 1510 | 2300 | 375 | 400 | 100 | 1550 | 210 | 35 |
| ДАЗО4-400LA-4МУ1 | 710 | 888 | 1078 | 770 | 110 | 1000 | 1510 | 2300 | 375 | 400 | 100 | 1550 | 210 | 35 |
| ДАЗО4-400LB-4МУ1 | 710 | 888 | 1078 | 770 | 110 | 1000 | 1610 | 2400 | 375 | 400 | 100 | 1550 | 210 | 35 |
| ДАЗО4-400LK-4МУ1 | 710 | 888 | 1078 | 770 | 110 | 1000 | 1610 | 2400 | 375 | 400 | 100 | 1550 | 210 | 35 |
| ДАЗО4-400ХК-6МУ1 | 710 | 888 | 1078 | 770 | 110 | 1000 | 1510 | 2300 | 375 | 400 | 100 | 1550 | 210 | 35 |
| ДАЗО4-400Х-6МУ1 | 710 | 888 | 1078 | 770 | 110 | 1000 | 1510 | 2300 | 375 | 400 | 100 | 1550 | 210 | 35 |
| ДАЗО4-400УК-6МУ1 | 710 | 888 | 1078 | 770 | 110 | 1000 | 1510 | 2300 | 375 | 400 | 100 | 1550 | 210 | 35 |
| ДАЗО4-400У-6МУ1 | 710 | 888 | 1078 | 770 | 110 | 1000 | 1510 | 2400 | 375 | 400 | 100 | 1550 | 210 | 35 |
| ДАЗО4-400L-6МУ1 | 710 | 888 | 1078 | 770 | 110 | 1000 | 1510 | 2300 | 375 | 400 | 100 | 1550 | 210 | 35 |
| ДАЗО4-400LA-6МУ1 | 710 | 888 | 1078 | 770 | 110 | 1000 | 1510 | 2300 | 375 | 400 | 100 | 1550 | 210 | 35 |
| ДАЗО4-400LB-6МУ1 | 710 | 888 | 1078 | 770 | 110 | 1000 | 1610 | 2400 | 375 | 400 | 100 | 1550 | 210 | 35 |
| ДАЗО4-400LK-6МУ1 | 710 | 888 | 1078 | 770 | 110 | 1000 | 1610 | 2400 | 375 | 400 | 100 | 1550 | 210 | 35 |
| ДАЗО4-400ХК-8МУ1 | 710 | 888 | 1078 | 770 | 110 | 1000 | 1510 | 2300 | 375 | 400 | 100 | 1550 | 210 | 35 |
| ДАЗО4-400Х-8МУ1 | 710 | 888 | 1078 | 770 | 110 | 1000 | 1510 | 2300 | 375 | 400 | 100 | 1550 | 210 | 35 |
| ДАЗО4-400УК-8МУ1 | 710 | 888 | 1078 | 770 | 110 | 1000 | 1510 | 2300 | 375 | 400 | 100 | 1550 | 210 | 35 |
| ДАЗО4-400У-8МУ1 | 710 | 888 | 1078 | 770 | 110 | 1000 | 1510 | 2300 | 375 | 400 | 100 | 1550 | 210 | 35 |
| ДАЗО4-400L-8МУ1 | 710 | 888 | 1078 | 770 | 110 | 1000 | 1610 | 2400 | 375 | 400 | 100 | 1550 | 210 | 35 |
| ДАЗО4-400LA-8МУ1 | 710 | 888 | 1078 | 770 | 110 | 1000 | 1610 | 2400 | 375 | 400 | 100 | 1550 | 210 | 35 |
| ДАЗО4-400ХК-10МУ1 | 710 | 888 | 1078 | 770 | 110 | 1000 | 1510 | 2300 | 375 | 400 | 100 | 1550 | 210 | 35 |
| ДАЗО4-400Х-10МУ1 | 710 | 888 | 1078 | 770 | 110 | 1000 | 1510 | 2300 | 375 | 400 | 100 | 1550 | 210 | 35 |
| ДАЗО4-400УК-10МУ1 | 710 | 888 | 1078 | 770 | 110 | 1000 | 1510 | 2300 | 375 | 400 | 100 | 1550 | 210 | 35 |
| ДАЗО4-450ХК-2МУ1 | 800 | 1000 | 1200 | 820 | 100 | 1120 | 1620 | 2500 | 400 | 450 | 90 | 1650 | 210 | 35 |
| ДАЗО4-450Х-2МУ1 | 800 | 1000 | 1200 | 820 | 100 | 1120 | 1720 | 2600 | 400 | 450 | 90 | 1650 | 210 | 35 |
| ДАЗО4-450УК-2МУ1 | 800 | 1000 | 1200 | 820 | 100 | 1120 | 1720 | 2600 | 400 | 450 | 90 | 1650 | 210 | 35 |
| ДАЗО4-450У-2МУ1 | 800 | 1000 | 1200 | 820 | 100 | 1120 | 1720 | 2600 | 400 | 450 | 90 | 1650 | 210 | 35 |
| ДАЗО4-450L-2МУ1 | 800 | 1000 | 1200 | 820 | 100 | 1120 | 1720 | 2600 | 400 | 450 | 90 | 1650 | 210 | 35 |
| ДАЗО4-450XK-4МУ1 | 800 | 1000 | 1200 | 820 | 120 | 1120 | 1400 | 2300 | 355 | 450 | 109 | 1650 | 210 | 35 |
| ДАЗО4-450Х-4МУ1 | 800 | 1000 | 1200 | 820 | 120 | 1120 | 1620 | 2500 | 355 | 450 | 109 | 1650 | 210 | 35 |
| ДАЗО4-450УК-4МУ1 | 800 | 1000 | 1200 | 820 | 120 | 1120 | 1620 | 2500 | 355 | 450 | 109 | 1650 | 210 | 35 |
| ДАЗО4-450У-4МУ1 | 800 | 1000 | 1200 | 820 | 120 | 1120 | 1620 | 2500 | 355 | 450 | 109 | 1650 | 210 | 35 |
| ДАЗО4-450L-4МУ1 | 800 | 1000 | 1200 | 820 | 120 | 1120 | 1620 | 2500 | 355 | 450 | 109 | 1650 | 210 | 35 |
| ДАЗО4-450LA-4МУ1 | 800 | 1000 | 1200 | 820 | 120 | 1120 | 1720 | 2600 | 355 | 450 | 109 | 1650 | 210 | 35 |
| ДАЗО4-450LB-4МУ1 | 800 | 1000 | 1200 | 820 | 120 | 1120 | 1820 | 2600 | 355 | 450 | 109 | 1650 | 210 | 35 |
| ДАЗО4-450ХК-6МУ1 | 800 | 1000 | 1200 | 820 | 130 | 1120 | 1620 | 2500 | 355 | 450 | 119 | 1650 | 250 | 35 |
| ДАЗО4-450Х-6МУ1 | 800 | 1000 | 1200 | 820 | 130 | 1120 | 1620 | 2500 | 355 | 450 | 119 | 1650 | 250 | 35 |
| ДАЗО4-450УК-6МУ1 | 800 | 1000 | 1200 | 820 | 130 | 1120 | 1620 | 2500 | 355 | 450 | 119 | 1650 | 250 | 35 |
| ДАЗО4-450У-6МУ1 | 800 | 1000 | 1200 | 820 | 130 | 1120 | 1620 | 2500 | 355 | 450 | 119 | 1650 | 250 | 35 |
| ДАЗО4-450L-6МУ1 | 800 | 1000 | 1200 | 820 | 130 | 1120 | 1620 | 2500 | 355 | 450 | 119 | 1650 | 250 | 35 |
| ДАЗО4-450LA-6МУ1 | 800 | 1000 | 1200 | 820 | 130 | 1120 | 1620 | 2500 | 355 | 450 | 119 | 1650 | 250 | 35 |
| ДАЗО4-450LB-6МУ1 | 800 | 1000 | 1200 | 820 | 130 | 1120 | 1720 | 2600 | 355 | 450 | 119 | 1650 | 250 | 35 |
| ДАЗО4-450ХК-8МУ1 | 800 | 1000 | 1200 | 820 | 130 | 1120 | 1620 | 2500 | 355 | 450 | 119 | 1650 | 250 | 35 |
| ДАЗО4-450Х-8МУ1 | 800 | 1000 | 1200 | 820 | 130 | 1120 | 1620 | 2500 | 355 | 450 | 119 | 1650 | 250 | 35 |
| ДАЗО4-450УК-8МУ1 | 800 | 1000 | 1200 | 820 | 130 | 1120 | 1620 | 2500 | 355 | 450 | 119 | 1650 | 250 | 35 |
| ДАЗО4-450У-8МУ1 | 800 | 1000 | 1200 | 820 | 130 | 1120 | 1620 | 2500 | 355 | 450 | 119 | 1650 | 250 | 35 |
| ДАЗО4-450L-8МУ1 | 800 | 1000 | 1200 | 820 | 130 | 1120 | 1620 | 2500 | 355 | 450 | 119 | 1650 | 250 | 35 |
| ДАЗО4-450LA-8МУ1 | 800 | 1000 | 1200 | 820 | 130 | 1120 | 1620 | 2500 | 355 | 450 | 119 | 1650 | 250 | 35 |
| ДАЗО4-450LB-8МУ1 | 900 | 1040 | 1250 | 870 | 118 | 1000 | 1460 | 2130 | 224 | 450 | 100 | 1530 | 224 | 35 |
ВАЖНО: указанные размеры являются справочной характеристикой. Производственная группа ЭНЕРАЛ имеет право вносить изменения в конструкцию электродвигателя, в результате чего фактические габаритные и присоединительные размеры могут отличаться от значений в каталоге или на сайте. Данные отличия не влияют на эксплуатационные характеристики оборудования.
